GM Service Manual Online
For 1990-2009 cars only

Radio Rear Speaker Replacement Lock Pillar


Object Number: 1588595  Size: SF

Callout

Component Name

Preliminary Procedure

Remove the lock pillar trim. Refer to Body Lock Pillar Trim Panel Replacement .

1

Radio Speaker Push-On Nut

2

Radio Rear Speaker Assembly

Tip
If the speaker is heat staked in place, replace the body side front garnish molding. A new molding will include the speaker.

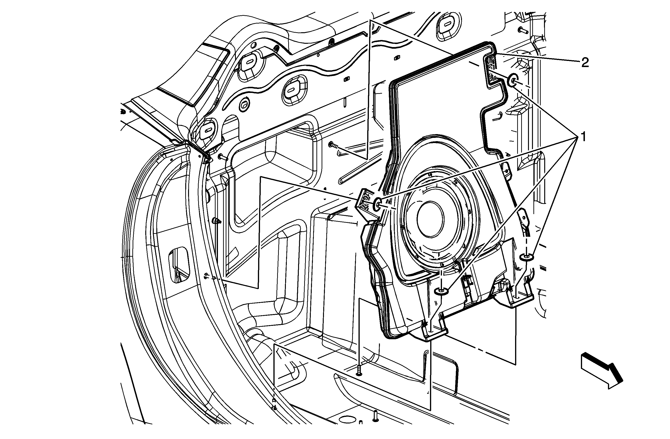
Radio Rear Speaker Replacement Sub Woofer


Object Number: 1581263  Size: MF

Callout

Component Name

Preliminary Procedure

Remove the rear window panel trim. Refer to Rear Window Panel Trim Replacement .

1

Radio Rear Speaker Nut (Qty: 4)

Notice: Refer to Fastener Notice in the Preface section.

Tighten
7 N·m (62 lb in)

2

Radio Rear Speaker Assembly