GM Service Manual Online
For 1990-2009 cars only

Object Number: 1789188  Size: SF

Callout

Component Name

Caution: Refer to Brake Dust Caution in the Preface section.

Notice: Support the brake caliper with heavy mechanic wire, or equivalent, whenever it is separated from its mount and the hydraulic flexible brake hose is still connected. Failure to support the caliper in this manner will cause the flexible brake hose to bear the weight of the caliper, which may cause damage to the brake hose and in turn may cause a brake fluid leak.

Preliminary Procedures

  1. Inspect the fluid level in the brake master cylinder reservoir.
  2. If the brake fluid level is midway between the maximum-full point and the minimum allowable level, no brake fluid needs to be removed from the reservoir before proceeding.
  3. If the brake fluid level is higher than midway between the maximum-full point and the minimum allowable level, remove brake fluid to the midway point before proceeding.
  4. Raise and support the vehicle. Refer to Lifting and Jacking the Vehicle .
  5. Remove the tire and wheel assemblies. Refer to Tire and Wheel Removal and Installation .

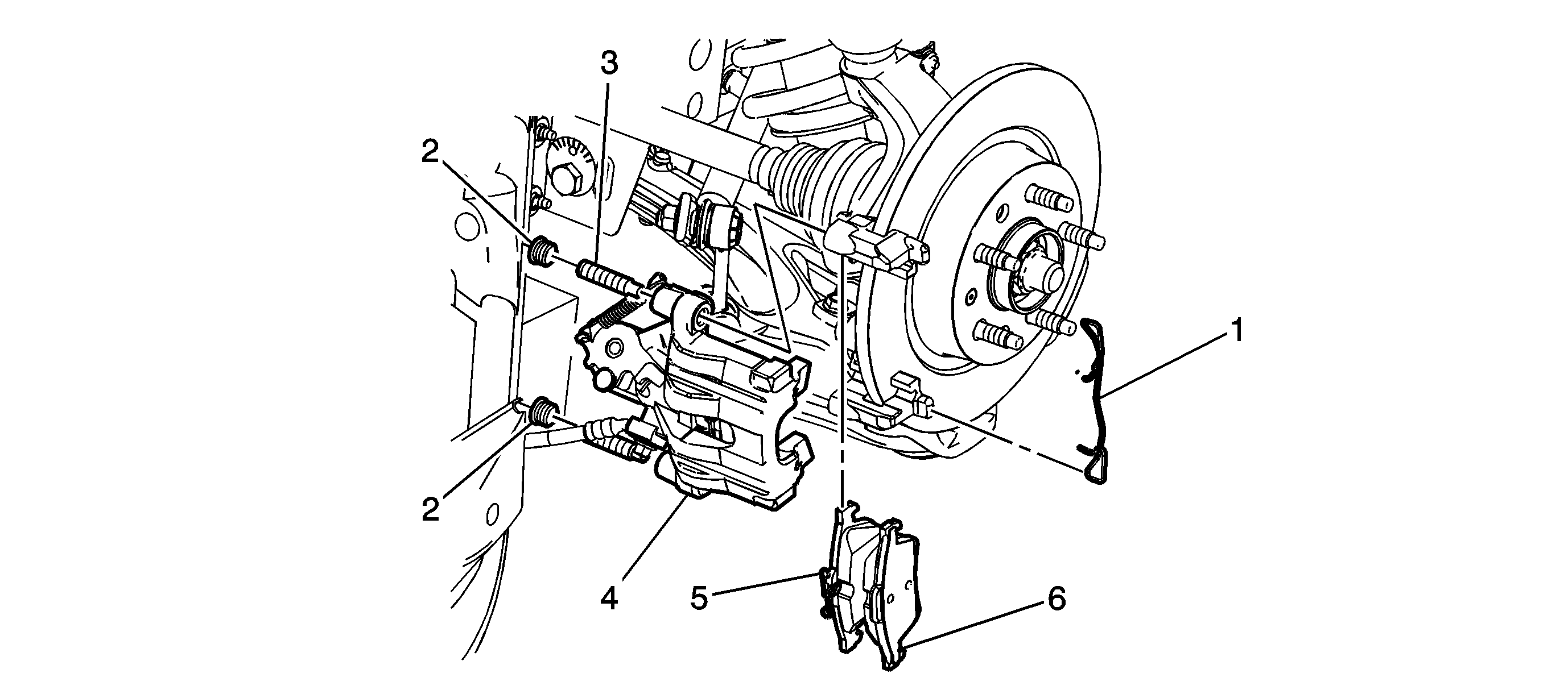
1

Brake Caliper Spring

2

Brake Caliper Guide Pin Bushing Seal (Qty: 2)

3

Brake Caliper Guide Pin (Qty: 2)

Notice: Refer to Fastener Notice in the Preface section.

Tighten
27 N·m (20 lb ft)

4

Disc Brake Caliper Assembly

Notice: When using a large C-clamp to compress a caliper piston into a caliper bore of a caliper equipped with an integral park brake mechanism, do not exceed more than 1 mm (0.039 in) of piston travel. Exceeding this amount of piston travel will cause damage to the internal adjusting mechanism and/or the integral park brake mechanism.

Tip

    • Use a large C-clamp to compress the brake caliper piston slightly to ease caliper removal. DO NOT exceed 1 mm (0.039 in) of caliper piston travel.
    • Using a spanner type tool or equivalent, rotate the brake caliper piston clockwise while applying slight inward pressure to retract the piston into the caliper.
    • Without disconnecting the brake hose position the brake caliper aside and support with heavy mechanics wire or equivalent.

5

Disc Brake Pad - Inner

Tip
Ensure the brake pad equipped with the spring is installed facing the inner friction surface of the brake rotor.

6

Disc Brake Pad - Outer

Procedure

  1. Thoroughly clean the brake pad mating surfaces of the caliper bracket of any debris and corrosion.
  2. Inspect the brake caliper guide pins for freedom of movement and inspect the condition of the guide pin bushings. Move the guide pins in and out within the bushings and observe for the following:
  3. • Restricted caliper guide pin movement
    • Seized or binding caliper guide pins
    • Split or torn bushings
  4. If any of the conditions listed are found, the brake caliper guide pins and/or bushings require replacement.
  5. After the installation is complete, with the engine OFF, gradually apply the brake pedal to approximately 2/3 of its travel distance.
  6. Slowly release the brake pedal.
  7. Wait 15 seconds, then repeat steps 4-5 until a firm brake pedal is obtained. This will properly seat the brake caliper piston and brake pads.
  8. Fill the master cylinder to the proper level. Refer to Master Cylinder Reservoir Filling .
  9. Burnish the pads and rotors. Refer to Brake Pad and Rotor Burnishing .