GM Service Manual Online
For 1990-2009 cars only
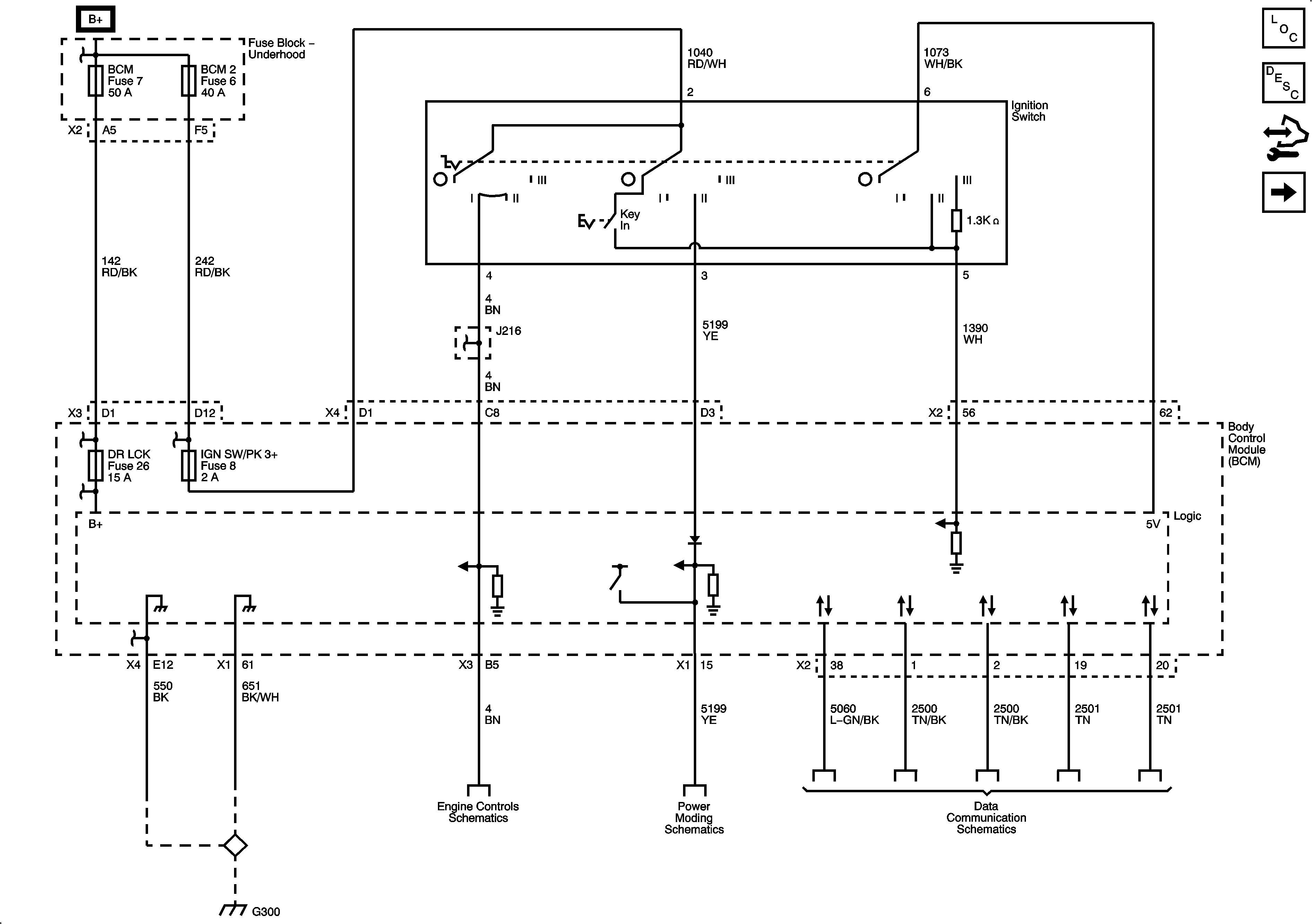
Figure 1:

Power, Ground, and Data Link


Object Number: 1914243  Size: FS
Master Electrical Component List
Body Control System Description and Operation
Control Module References
Brakes, Cooling System, Cruise and Door Lock References
Figure 2:

Lighting System References


Object Number: 1914248  Size: FS
Figure 3:

Brakes, Cooling System, Cruise, and Door Lock References


Object Number: 1914251  Size: FS
Master Electrical Component List
Body Control System Description and Operation
Control Module References
Defogger, Horn, Release Systems, and Wiper/Washer References
Power, Ground, and Data Link
Figure 4:

Defogger, Horn, Release Systems, and Wiper/Washer References


Object Number: 1914254  Size: FS
Master Electrical Component List
Body Control System Description and Operation
Control Module References
Brakes, Cooling System, Cruise and Door Lock References