GM Service Manual Online
For 1990-2009 cars only
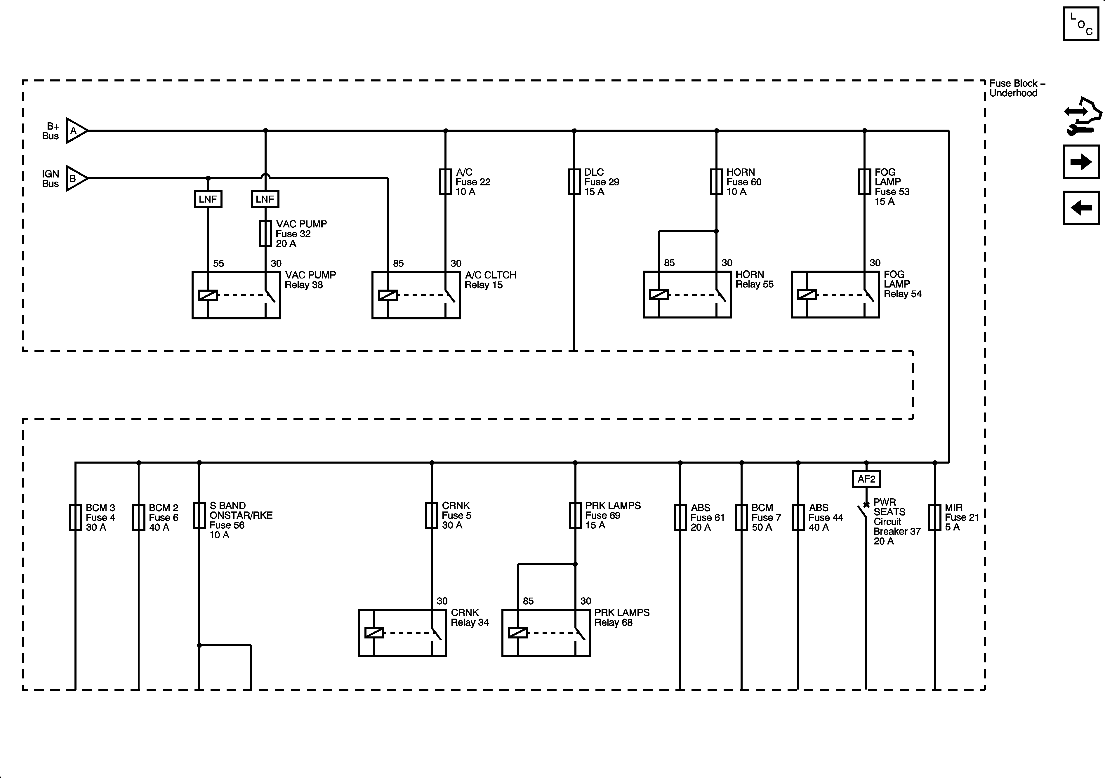
Figure 1:

B+ Bus - 1 of 2


Object Number: 2049667  Size: FS
Figure 2:

B+ Bus - 2 of 2


Object Number: 2049669  Size: FS
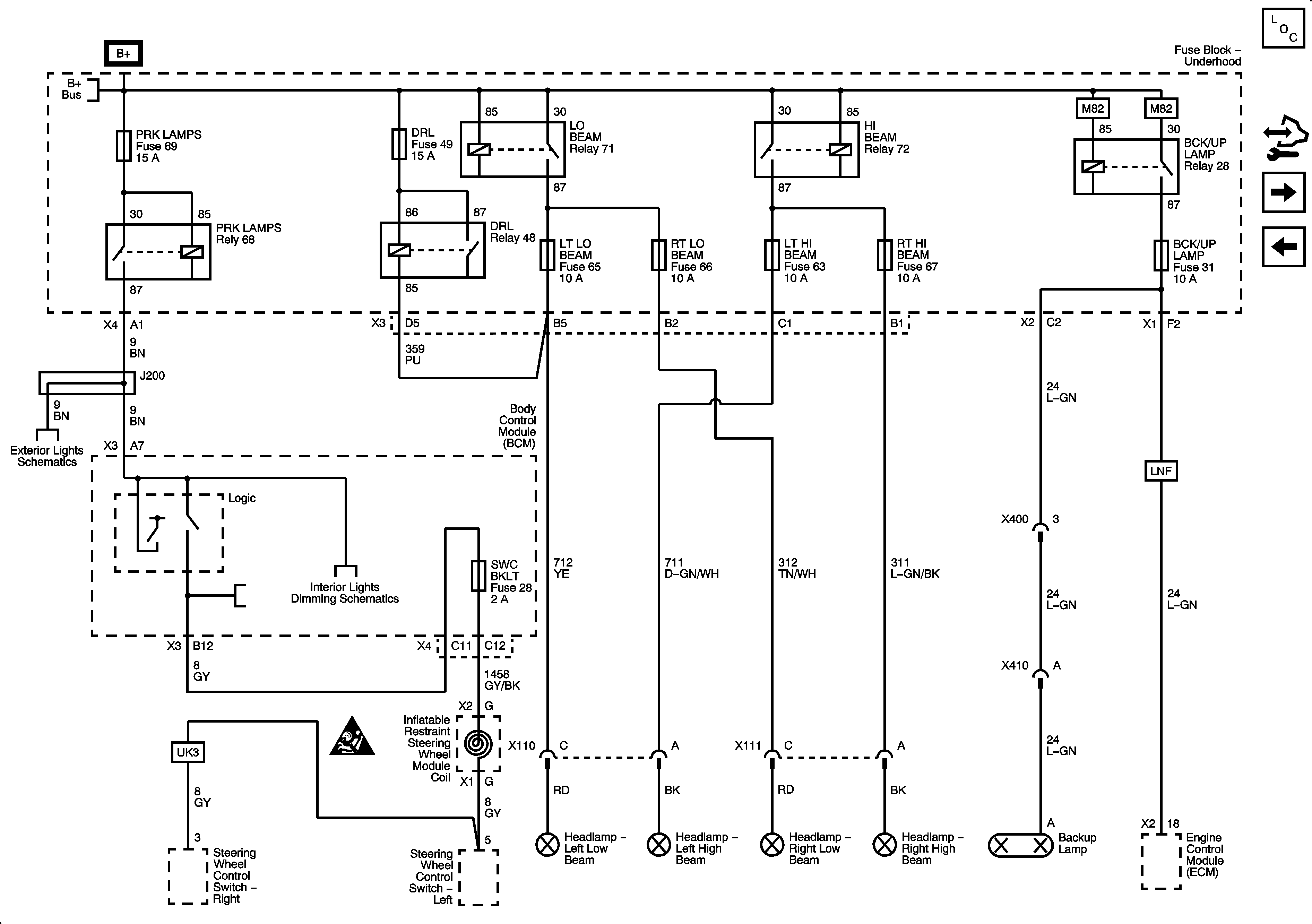
Figure 3:

LT LO BEAM, LT HI BEAM, RT LO BEAM, and RT HI BEAM, Park Lamp, DRL, and BCK/UP Lamp (M82) Fuses (SKY)


Object Number: 2049672  Size: FS
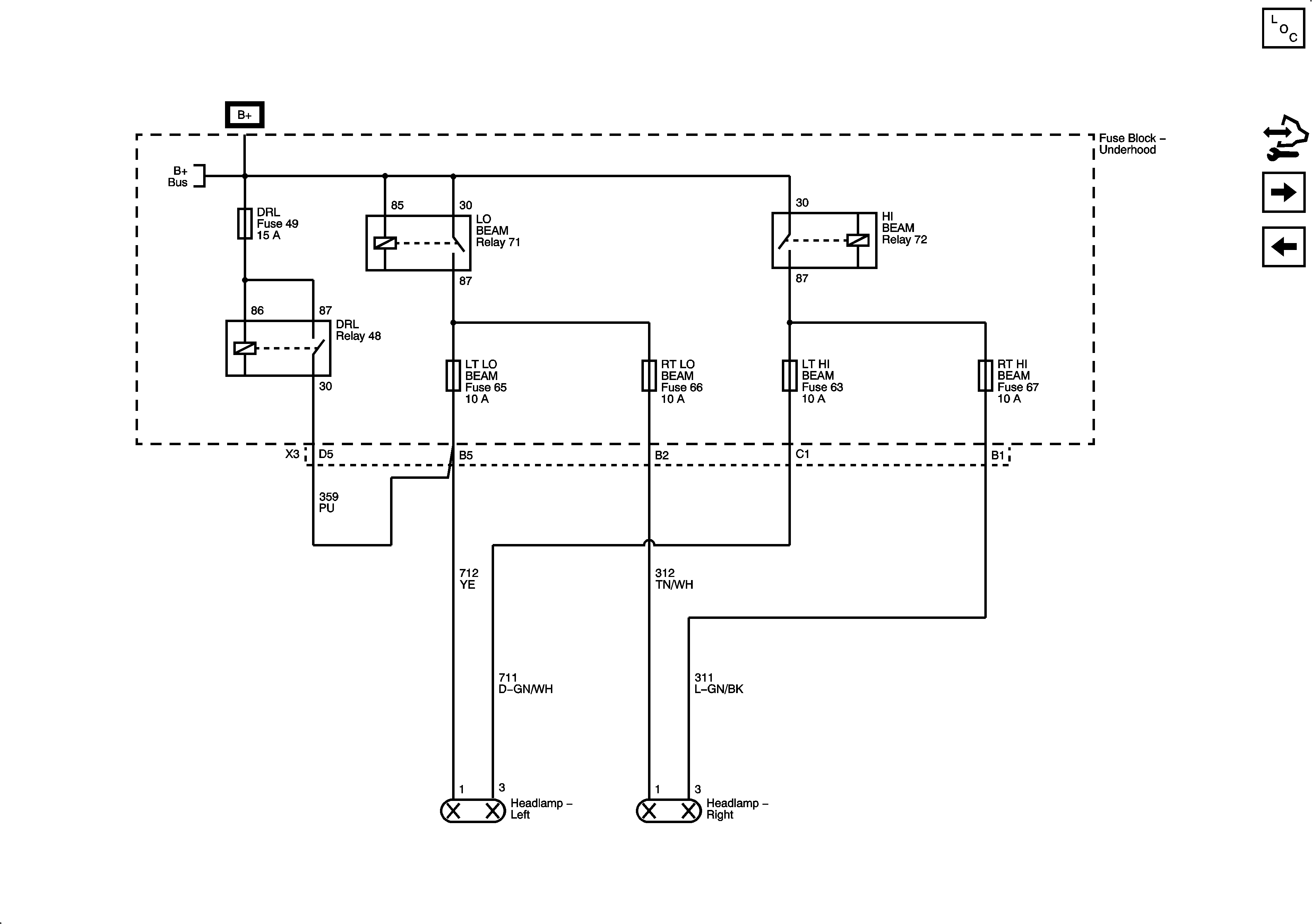
Figure 4:

LT LO BEAM, LT HI BEAM, RT LO BEAM, and RT HI BEAM, and DRL Fuses (Solstice)


Object Number: 2049674  Size: FS
Figure 5:

ECM/TRANS, ABS, BCK/UP LAMP (MA5), I/P IGN, OUTLET, CAN VENT, AIR BAG, EPS/STR WHL CNTRL, HVAC/IP IGN, and WPR Fuses


Object Number: 2049676  Size: FS
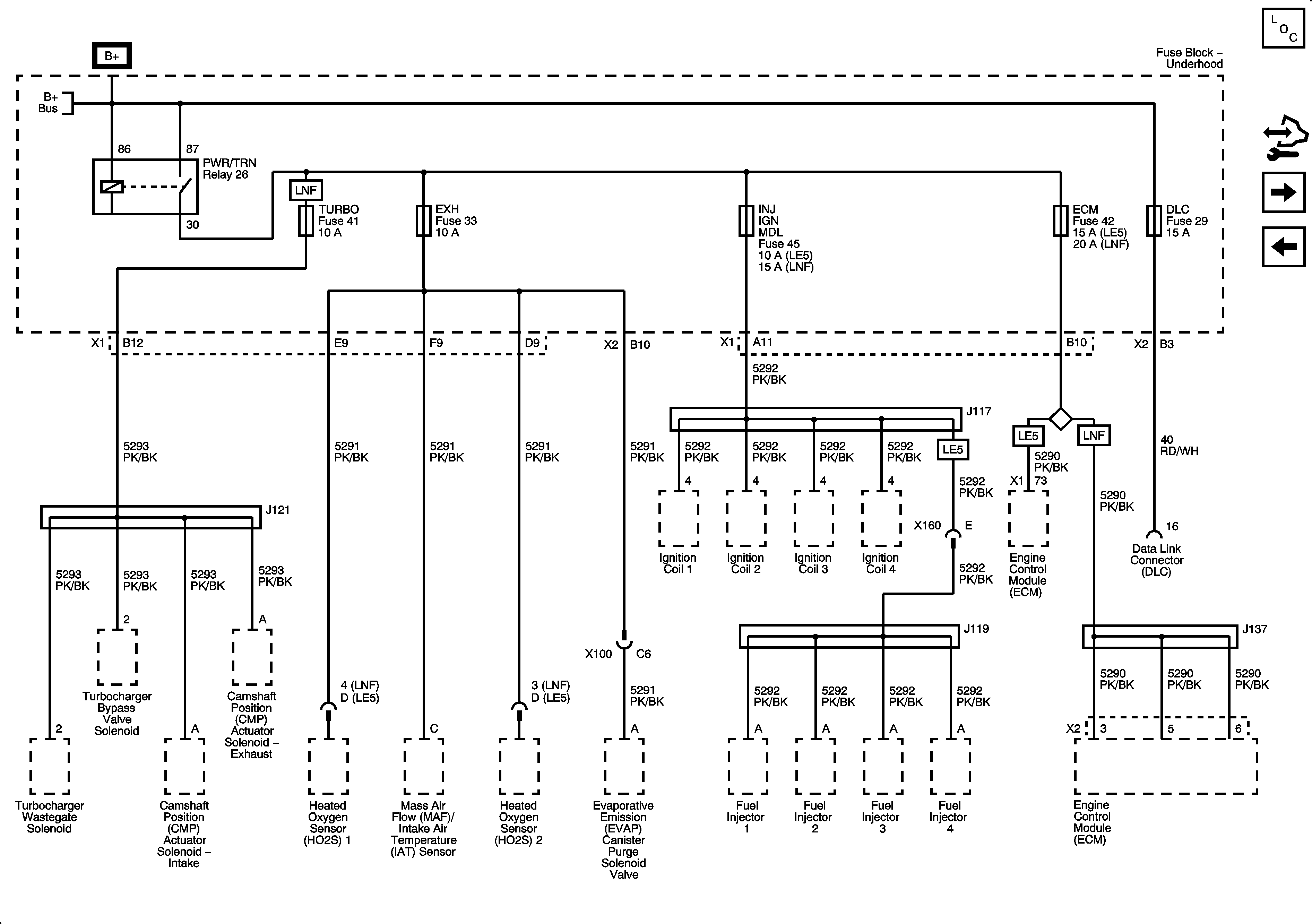
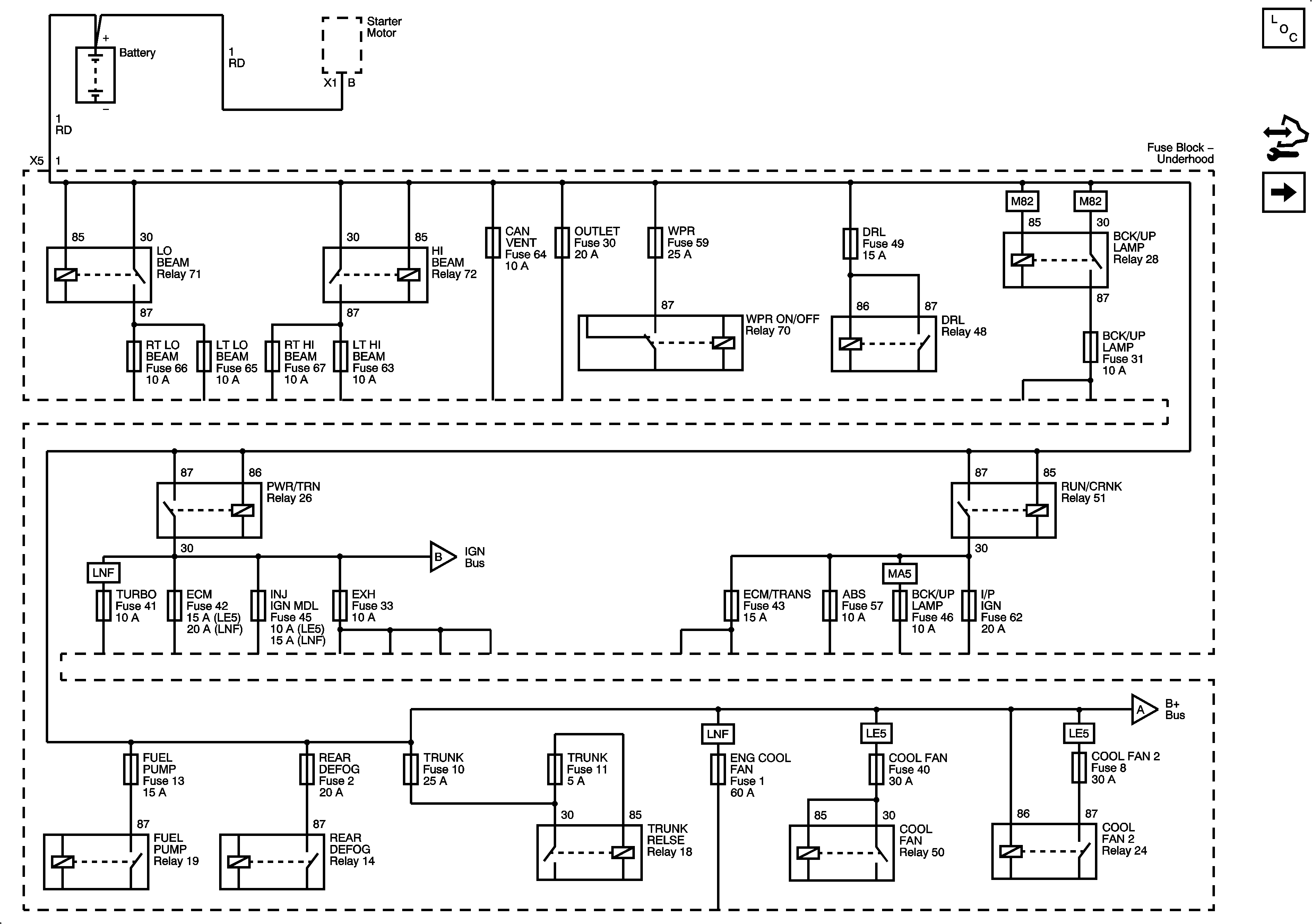
Figure 6:

DLC, ECM, EXH, INJ IGN MDL, and Turbo (LNF) Fuses


Object Number: 2049688  Size: FS
Figure 7:

MIR, ENG COOL FAN, ABS, S-BAND ONSTAR/RKE Fuses and PWR SEATS Circuit Breaker


Object Number: 2049692  Size: FS
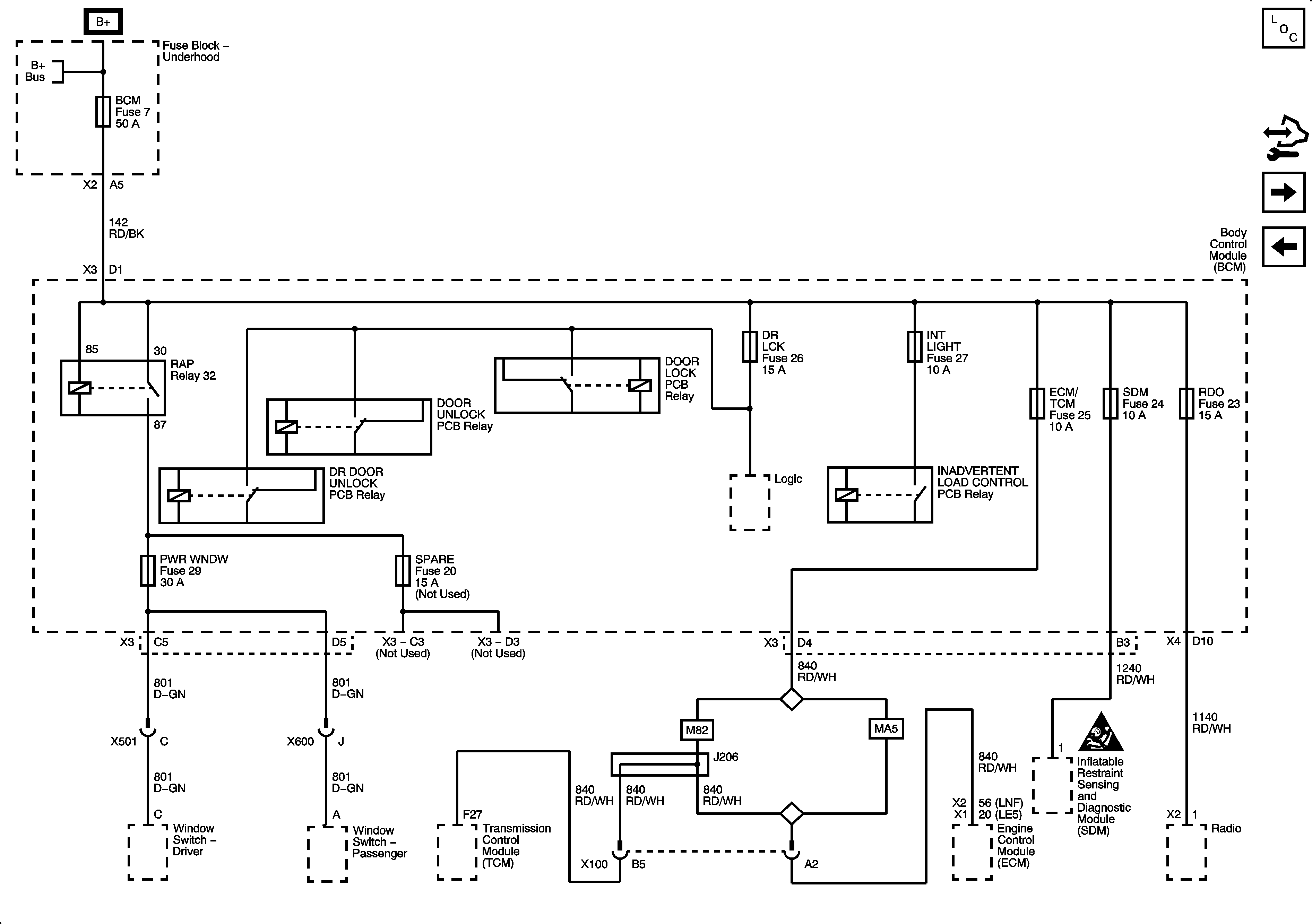
Figure 8:

BCM, DR LCK, ECM/TCM, INT/LIGHT, PWR WNDW, RDO, and SDM Fuses


Object Number: 2049697  Size: FS
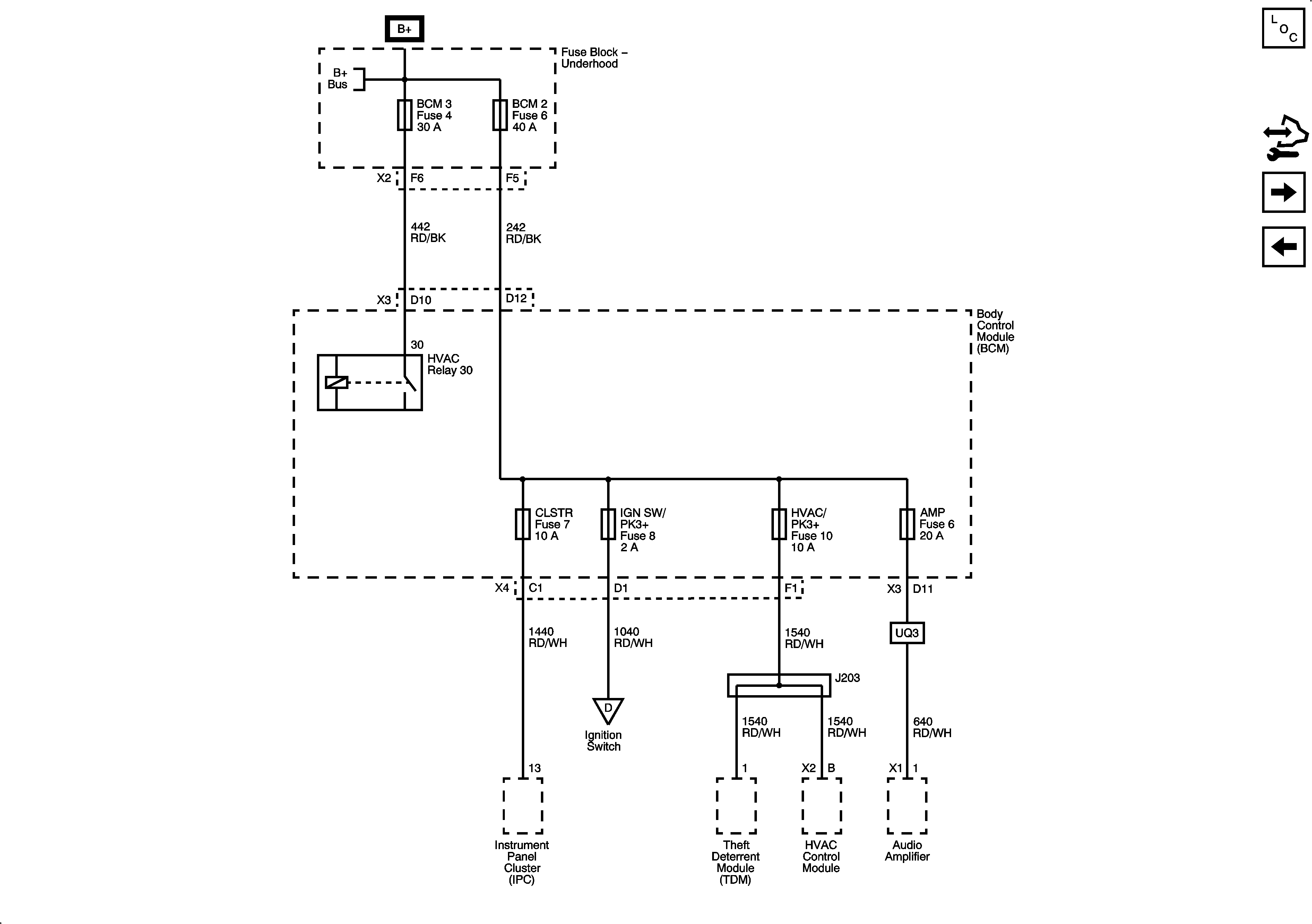
Figure 9:

BCM2 , BCM3, CLSTR, IGN SW/PK3+ , HVAC/PK3+, and AMP Fuses


Object Number: 2049701  Size: FS
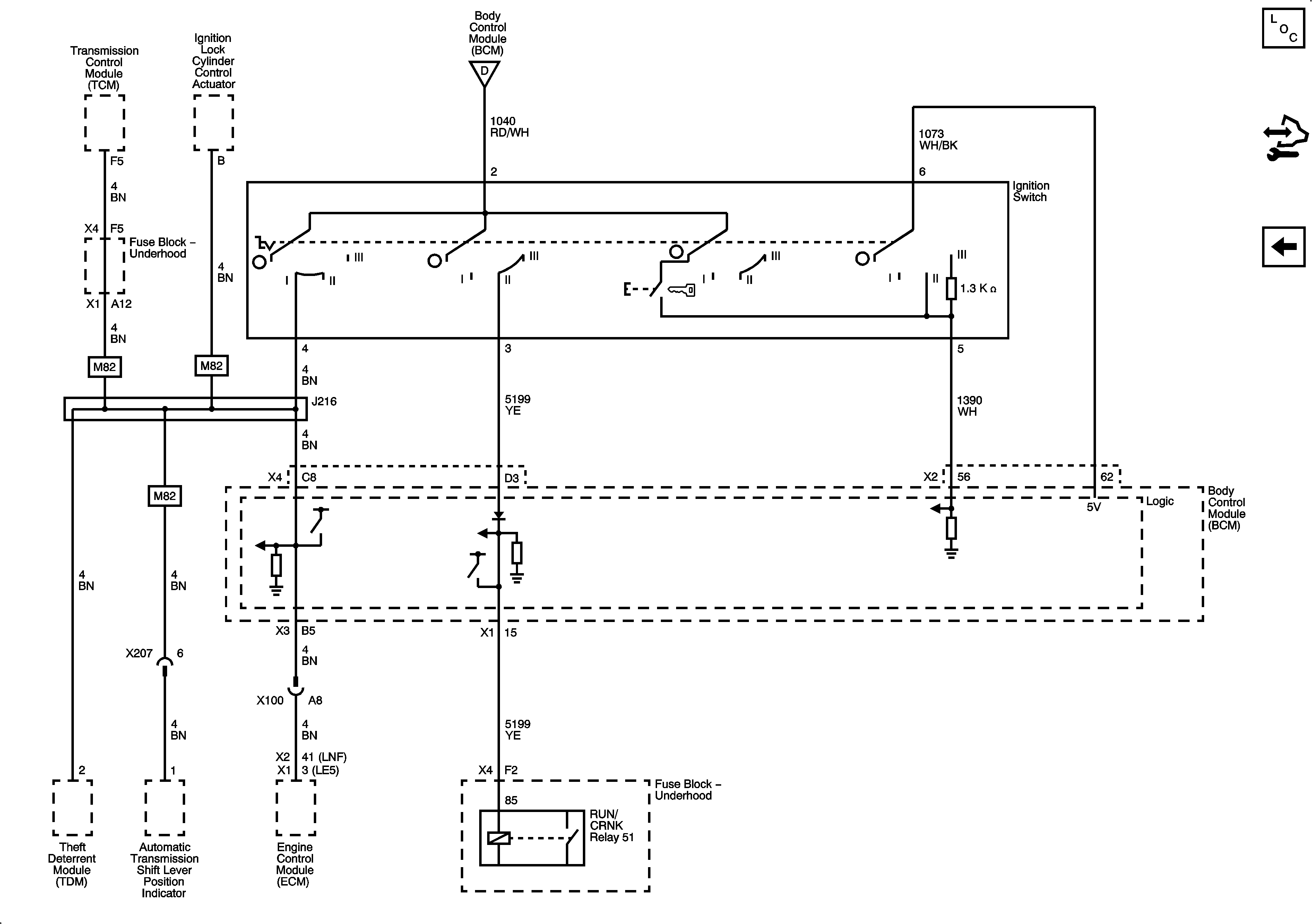
Figure 10:

Ignition Switch Modes


Object Number: 2049705  Size: FS