GM Service Manual Online
For 1990-2009 cars only
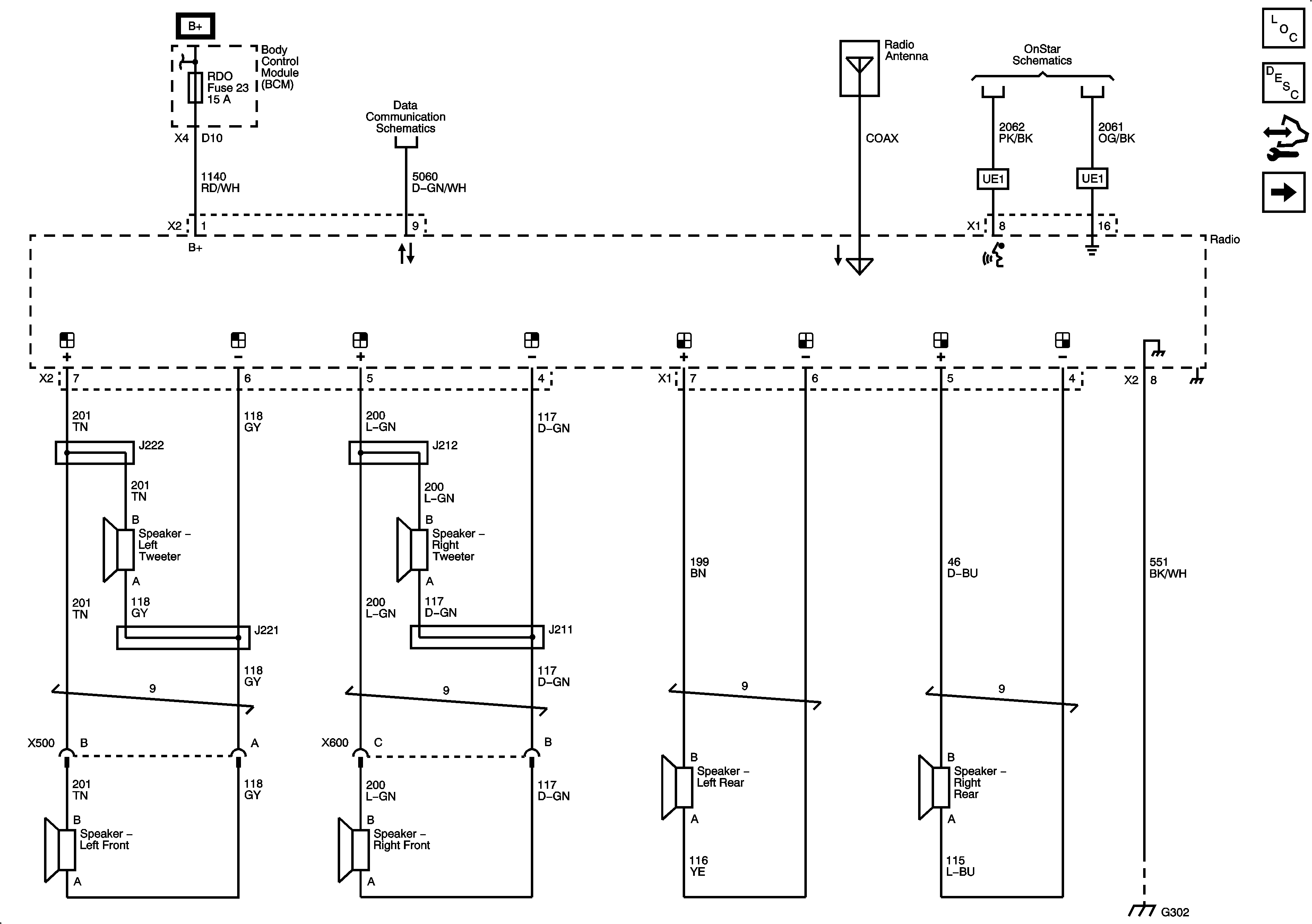
Figure 1:

Radio, Speakers (UW5)


Object Number: 2049629  Size: FS
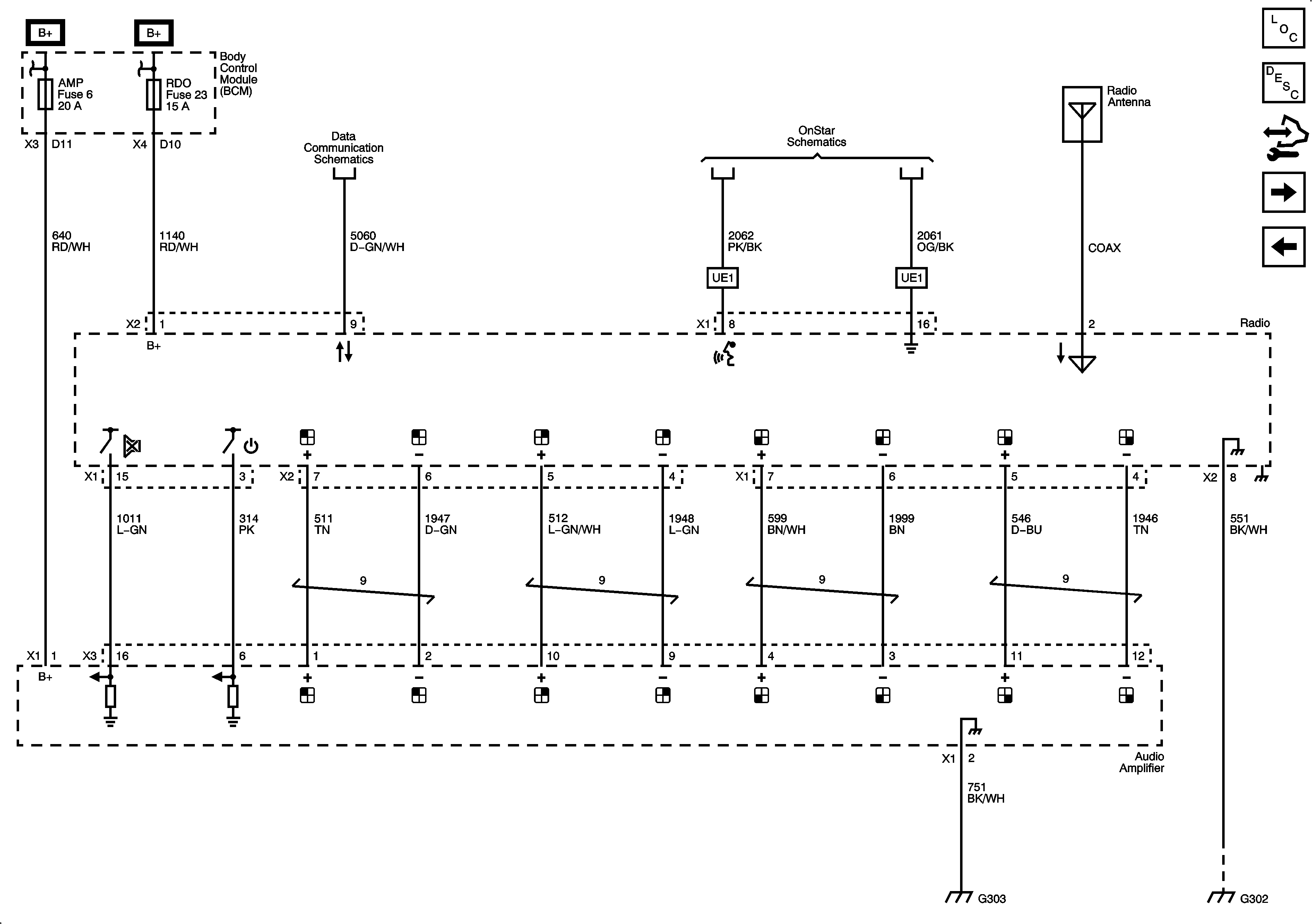
Figure 2:

Amplifier Power, Speakers (UQ3) (1 of 2)


Object Number: 2049631  Size: FS
Figure 3:

Amplifier Power, Speakers (UQ3) (2 of 2)


Object Number: 2049633  Size: FS
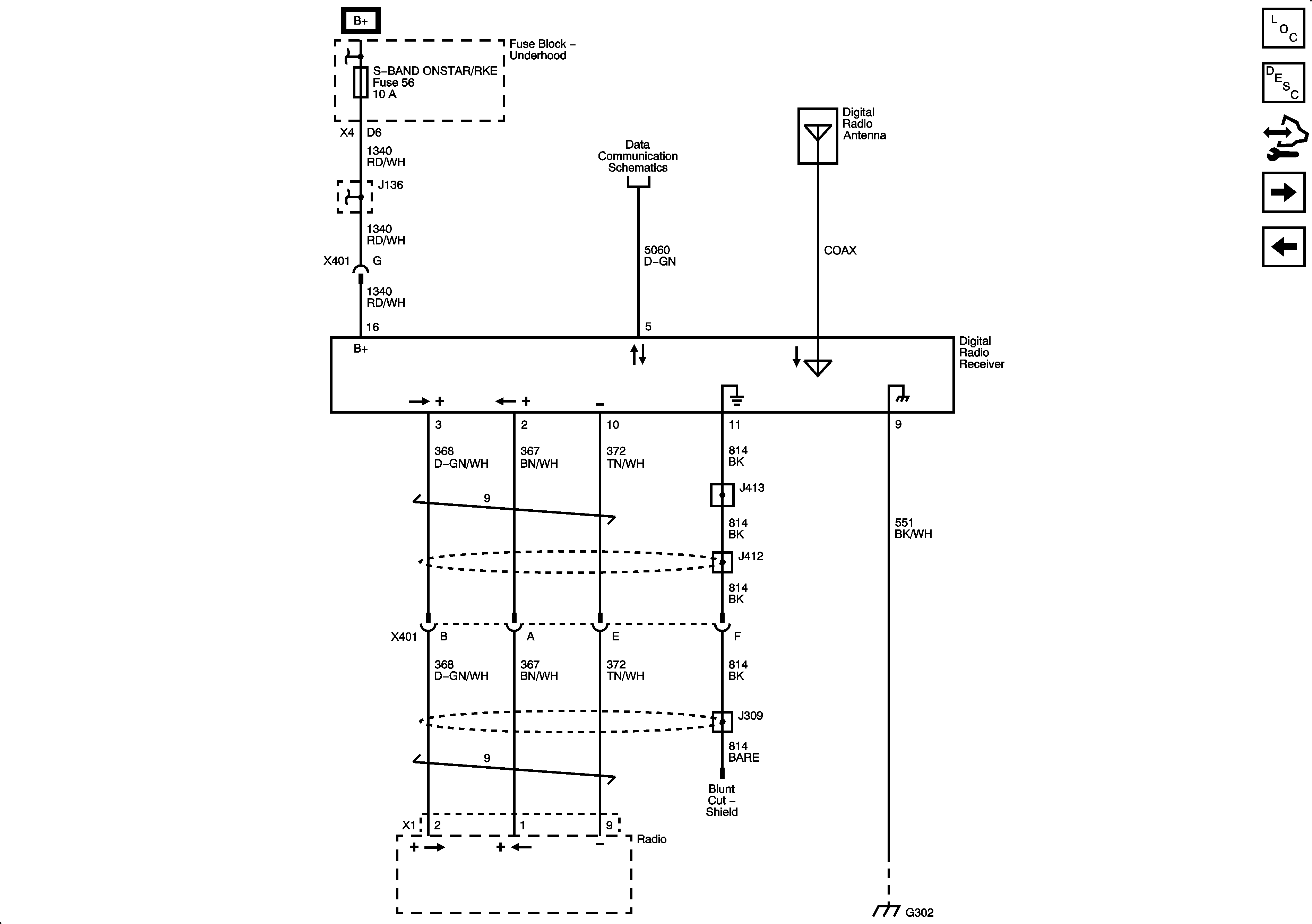
Figure 4:

Digital Radio Receiver (U2K)


Object Number: 2049635  Size: FS
Figure 5:

Redundant Radio Controls


Object Number: 2049638  Size: FS