GM Service Manual Online
For 1990-2009 cars only
Makes
🢒
Pontiac
🢒
2009
🢒
Solstice
🢒
Brakes
🢒
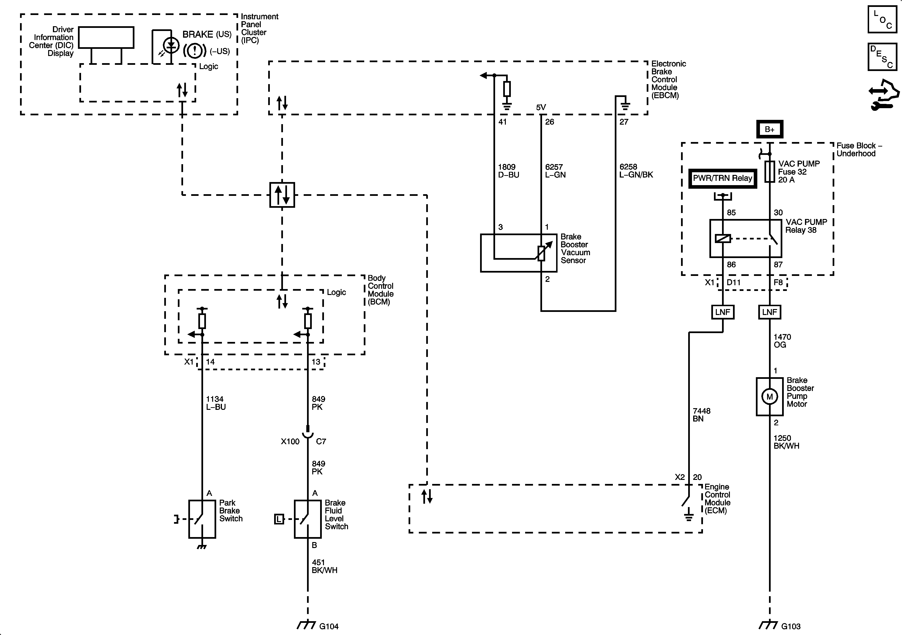
Hydraulic Brakes
🢒 Hydraulic Brake Schematics