GM Service Manual Online
For 1990-2009 cars only
Figure 1:

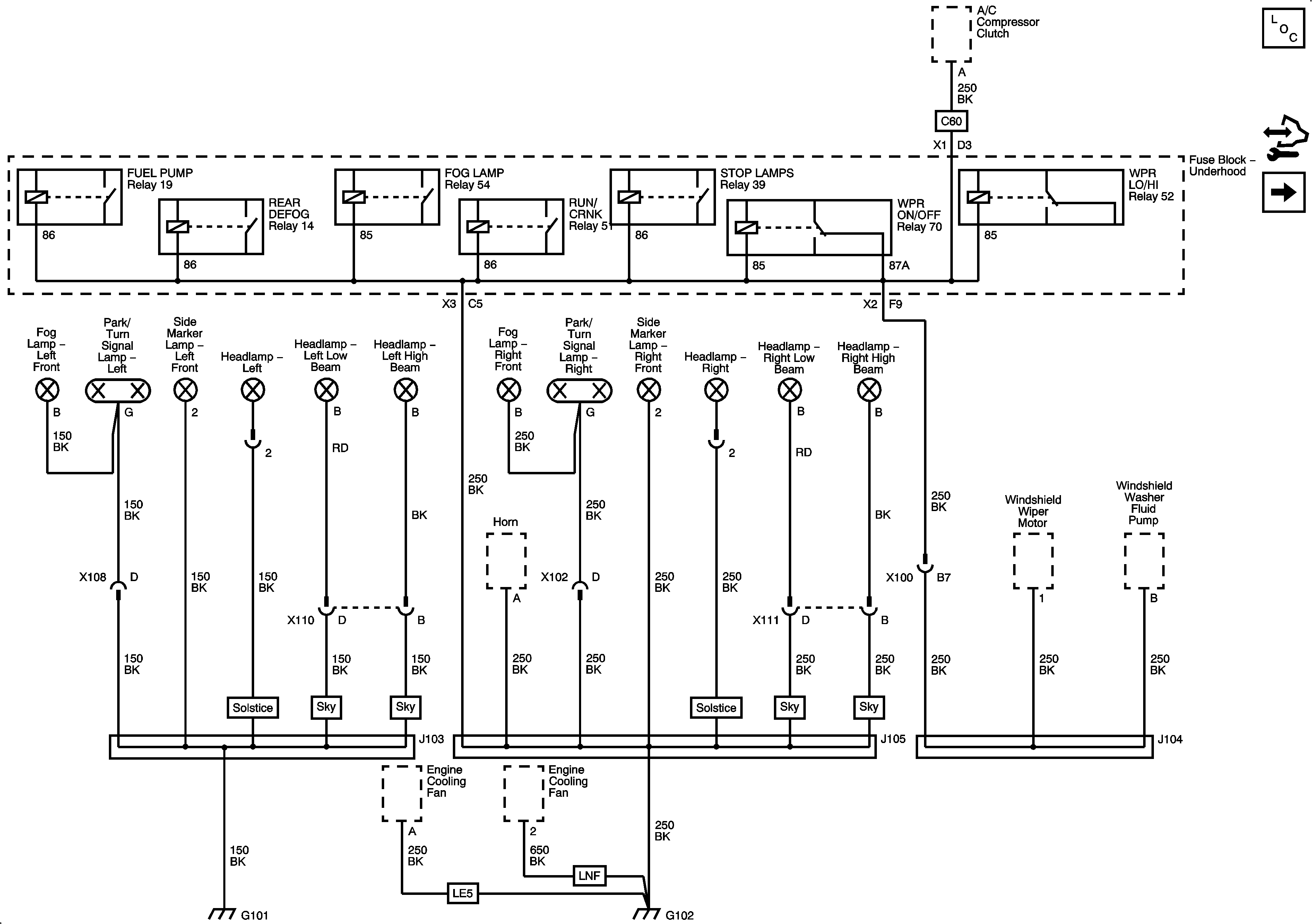
G101 and G102


Object Number: 2049713  Size: FS
Figure 2:

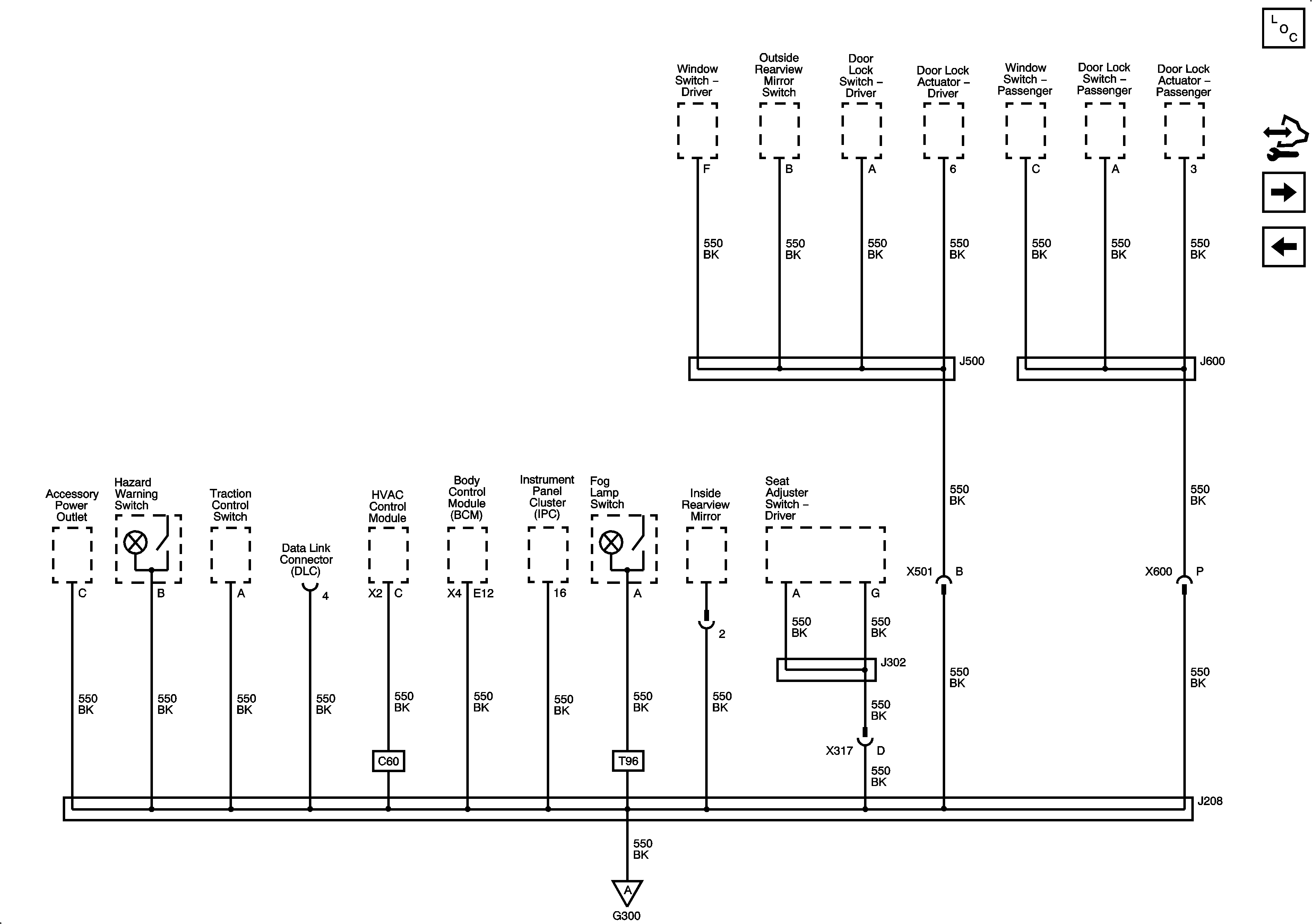
G103, G105, G104, G106, G304


Object Number: 2049716  Size: FS
Figure 3:

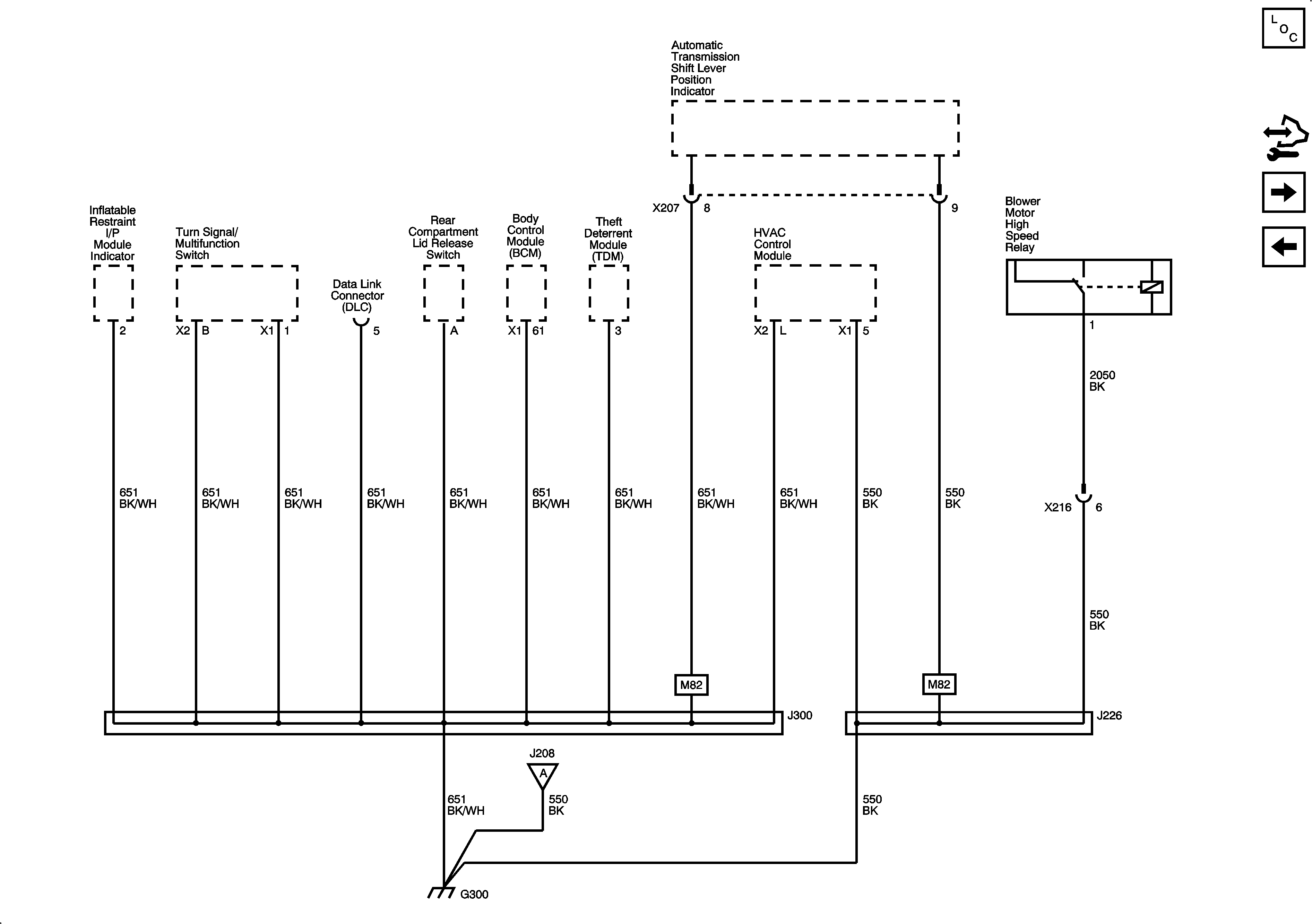
G300 (1 of 2)


Object Number: 2049723  Size: FS
Figure 4:

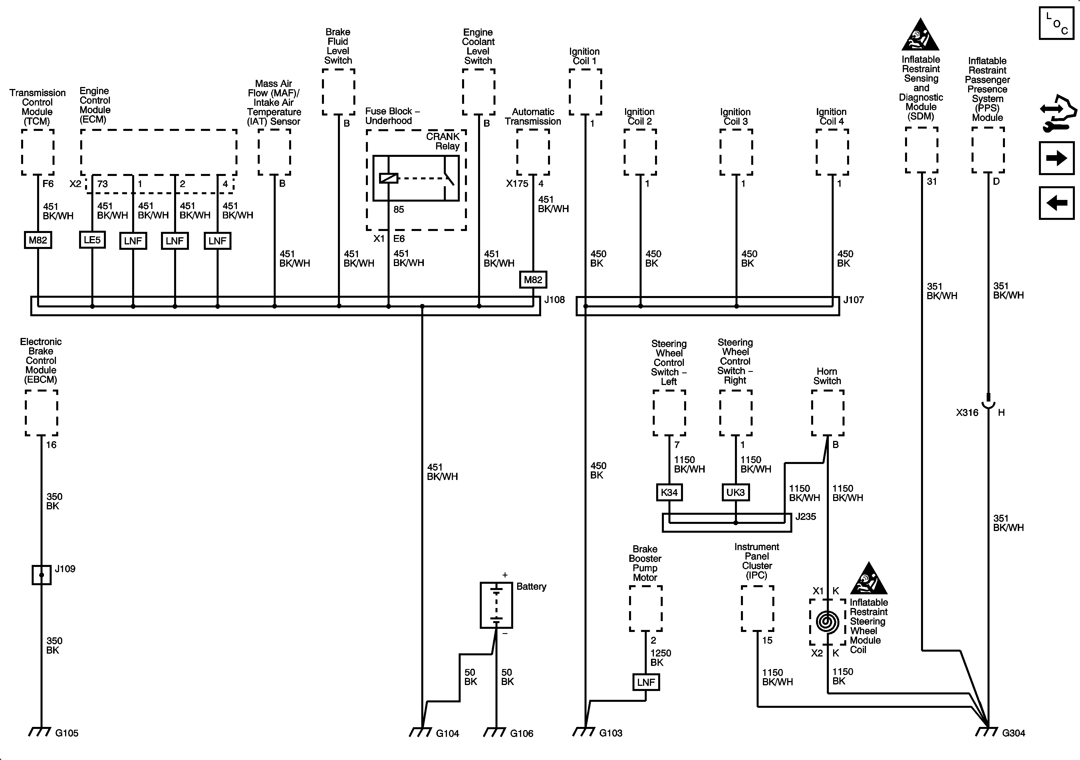
G300 (2 of 2)


Object Number: 2049727  Size: FS
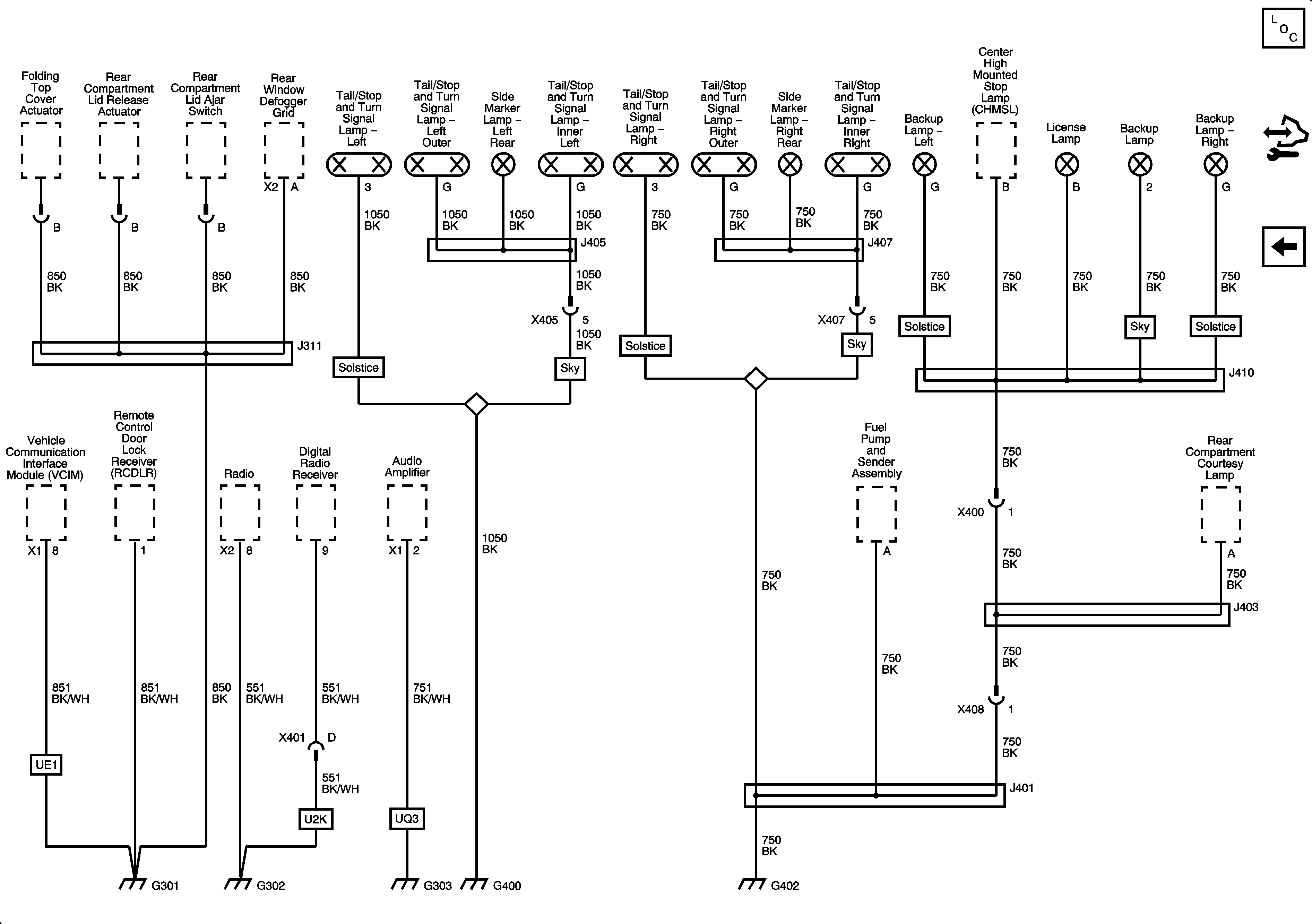
Figure 5:

G301, G302, G303, G400, G402


Object Number: 2049732  Size: FS