GM Service Manual Online
For 1990-2009 cars only
Table 1: Shift Solenoid State Table
Table 2: P0753

Object Number: 40581  Size: MF
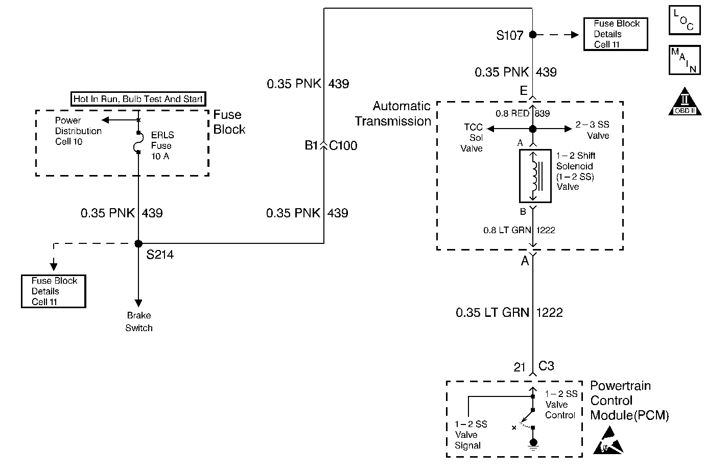
Automatic Transmission Components
Automatic Transmission Controls Schematics
OBD II Symbol Description Notice
Handling ESD Sensitive Parts Notice

Circuit Description

The 1-2 Shift Solenoid Valve (1-2 SS Valve) controls fluid flow acting on the 1-2 shift valve. The solenoid is a normally-open valve that, in conjunction with the 2-3 Shift Solenoid Valve (2-3 SS Valve), allows four different shifting combinations (Refer to the 4T40-E Shift Solenoid State chart). The 1-2 SS Valve is attached to the valve body, within the transmission.

The solenoid receives ignition voltage through the fused circuit. The Powertrain Control Module (PCM) commands the solenoid ON or OFF by providing a ground path through circuit 1222.

When the PCM detects a continuous open, short to ground, or short to power in the 1-2 SS Valve circuit, then DTC P0753 sets. DTC P0753 is a type A DTC.

Conditions for Setting the DTC

    • The ignition switch is in the RUN position.
    • The PCM commands the solenoid ON, and the voltage remains high for 4.3 seconds.

Action Taken When the DTC Sets

    • The PCM illuminates the Malfunction Indicator Lamp (MIL).
    • The PCM freezes shift adapts from being updated.
    • The PCM commands maximum line pressure.
    • The PCM inhibits TCC engagement.
    • The PCM commands a soft landing to 2nd gear.
    • DTC P0753 is stored in the PCM history.

Conditions for Clearing the MIL/DTC

    • The PCM turns OFF the MIL after three consecutive ignition cycles without a failure reported.
    • A scan tool can clear the DTC from the PCM history. The PCM clears the DTC from the PCM history if the vehicle completes 40 warm-up cycles without a failure reported.
    • The PCM cancels the DTC default actions when the fault no longer exists and the ignition is OFF long enough in order to power down the PCM.

Diagnostic Aids

    • An open in circuit 439 will cause multiple DTCs to set.
    • Inspect the wiring for poor electrical connections at the PCM. Inspect the wiring for poor electrical connections at the transmission 20-way connector. Look for the following conditions:
       - A bent terminal
       - A backed out terminal
       - A damaged terminal
       - Poor terminal tension
       - A chafed wire
       - A broken wire inside the insulation
    • When diagnosing for an intermittent short or open condition, massage the wiring harness while watching the test equipment for a change.

Shift Solenoid State Table

Gear

1-2 Shift Solenoid Valve

2-3 Shift Solenoid Valve

1st

ON

OFF

2nd

OFF

OFF

3rd

OFF

ON

4th

ON

ON

Test Description

The numbers below refer to the Step numbers on the diagnostic table.

  1. DTCs P0719, P0724, and P0758 set if the power circuit is open.

  2. This Step tests the electrical operation of the solenoid.

  3. This Step tests the PCM and the wiring to the transmission.

  4. This Step verifies that the circuit has the correct resistance.

  5. This Step circuit 1222 for a short to battery power.

P0753

Step

Action

Value(s)

Yes

No

1

Was the Powertrain On-Board Diagnostic (OBD) System Check performed?

--

Go to Step 2

Go to

Powertrain On Board Diagnostic (OBD) System Check in Engine Controls - 2.3L

2

  1. Install the scan tool (tech 1) .
  2. With the engine OFF, turn the ignition switch to the RUN position.
  3. Important: Before clearing the DTCs, use the scan tool in order to record the Freeze Frame and Failure Records for reference. The Clear Info function will erase the data.

  4. Record the DTC Freeze Frame and Failure Records.

Are DTCs P0719, P0724, and P0758 also set?

--

Go to Step 3

Go to Step 6

3

  1. Remove the ERLS fuse.
  2. Inspect the fuse for an open.

Did you find the condition?

--

Go to Step 4

Go to Step 5

4

Repair the short to ground in circuit 439/839.

Refer to Repair Procedures, Section 8.

Did you find and correct the condition?

--

Go to Step 25

--

5

Inspect circuit 439/839 for an open.

Refer to Troubleshooting Procedures, Section 8.

Did you find and correct the condition?

--

Go to Step 25

--

6

  1. Use the scan tool in order to command the solenoid ON and OFF 3 times.
  2. Listen at the transmission side cover.

Does the solenoid click when commanded ON and OFF?

--

Go to Diagnostic Aids

Go to Step 7

7

  1. Turn the ignition OFF.
  2. Disconnect the Automatic Transmission 20-way connector (additional DTCs will set).
  3. Install the J 39775 Jumper Harness to the engine harness connector.
  4. Using the J 35616-A Connector Test Adapter Kit, connect a test lamp from terminal E to terminal A.
  5. With the engine OFF, turn the ignition switch to the RUN position.
  6. Command the 1-2 Shift Solenoid Valve (1-2 SS Valve) ON and OFF three times.

Is the test lamp ON when you command the solenoid ON, and OFF when you command the solenoid OFF?

--

Go to Step 15

Go to Step 8

8

Is the test lamp always ON?

--

Go to Step 9

Go to Step 12

9

  1. Turn the ignition OFF.
  2. Disconnect the C3 (Blue) PCM connector (additional DTCs will set).
  3. Turn the ignition switch to the RUN position.

Is the test lamp ON?

--

Go to Step 10

Go to Step 10

10

Inspect circuit 1222 for a short to ground.

Refer to Troubleshooting Procedures, Section 8.

Did you find the condition?

--

Go to Step 11

--

11

Repair the short to ground in circuit 1222.

Refer to Repair Procedures, Section 8.

Is the repair complete?

--

Go to Step 25

--

12

Is the test lamp always OFF?

--

Go to Step 13

--

13

Inspect circuit 1222 for an open.

Refer to Troubleshooting Procedures, Section 8.

Did you find the condition?

--

Go to Step 14

Go to Step 20

14

Repair the open in circuit 1222.

Refer to Repair Procedures, Section 8.

Is the repair complete?

--

Go to Step 25

--

15

  1. Turn the ignition OFF.
  2. Disconnect the J 39775 Jumper Harness from the engine 20-way connector.
  3. Connect the Jumper Harness to the Automatic Transmission 20-way connector.
  4. Using the J 35616-A Connector Test Adapter Kit, connect an ohmmeter from terminal E to terminal A.

Is the resistance within the specified range?

19-31ohms

Go to Step 18

Go to Step 16

16

Is the resistance greater than the specified value?

250ohms

Go to Step 17

Go to Step 18

17

  1. Inspect circuit 1222 for an open.
  2. Inspect circuit 1222 for a poor connection at the connector.
  3. Inspect circuit 839 for an open.
  4. Inspect circuit 839 for a poor connection at the connector.

Refer to Troubleshooting Procedures, Section 8.

Did you find and correct the condition?

--

Go to Step 25

--

18

Connect an ohmmeter from terminal A to a good ground.

Is the resistance less than the specified value?

1000ohms

Go to Step 19

Go to Step 23

19

Inspect circuit 1222 for a short to ground.

Refer to Troubleshooting Procedures, Section 8.

Did you find and correct the condition?

--

Go to Step 25

--

20

Connect a test lamp from terminal A to a good ground.

Is the test lamp ON?

--

Go to Step 21

Go to Step 24

21

Inspect circuit 1222 for a short to battery power.

Refer to Troubleshooting Procedures, Section 8.

Did you find the condition?

--

Go to Step 22

--

22

Repair the short to battery power in circuit 1222.

Refer to Repair Procedures, Section 8.

Is the repair complete?

--

Go to Step 25

--

23

Replace the 1-2 SS Valve.

Refer to 1-2 Shift Solenoid Valve Replacement, in On-Vehicle Service.

Is the replacement complete?

--

Go to Step 25

--

24

Replace the PCM.

Refer to Section 6:

Powertrain Control Module/EEPROM Replacement/Programming in Engine Controls - 2.3L

Is the replacement complete?

--

Go to Step 25

--

25

In order to verify your repair, perform the following procedure:

  1. Select DTC.
  2. Select Clear Info.
  3. Operate the vehicle under the following conditions:
  4. • Place the transmission in Park.
    • Start the engine.
    • Idle the engine for 5 seconds.
  5. Select Specific DTC. Enter DTC P0753.

Has the test run and passed?

--

System OK

Begin the diagnosis again. Go to Step 1