GM Service Manual Online
For 1990-2009 cars only

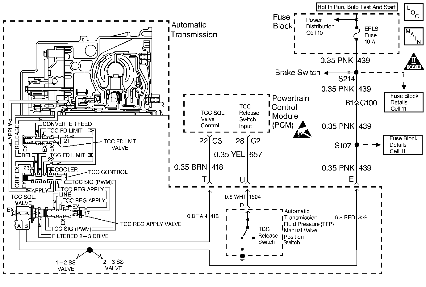
Object Number: 40578  Size: MF
Automatic Transmission Components
Automatic Transmission Controls Schematics
OBD II Symbol Description Notice
Handling ESD Sensitive Parts Notice

Circuit Description

The Torque Converter Clutch Solenoid Valve (TCC Sol. Valve) is a pulse width modulated solenoid. The Powertrain Control Module (PCM) energizes the TCC Sol. Valve by grounding circuit 418. When vehicle operating conditions are appropriate for TCC application, the PCM begins the TCC duty cycle at approximately 68%. The PCM then increases the duty cycle up to 93%, in order to achieve full TCC-apply pressure.

When the TCC Sol. Valve is de-energized, the solenoid blocks filtered 2-3 drive fluid, and allows TCC signal fluid to exhaust. When energized, the solenoid modulates fluid into the TCC signal fluid circuit. When fully energized, modulation stops, and the solenoid blocks both 2-3 drive fluid and TCC signal fluid exhaust.

The Torque Converter Clutch (TCC) release switch is part of the Automatic Transmission Fluid Pressure Manual Valve Position Switch (TFP Val. Position Sw.). The TFP Val. Position Sw. is mounted to the transmission valve body.

The TCC release switch is a normally-closed switch. The switch signals the Powertrain Control Module (PCM) that the TCC is released. Torque Converter release fluid pressure acts on the switch contact, opening circuit 657/1804. When the voltage on the circuit is high, the PCM recognizes that the TCC is no longer engaged.

When the PCM detects that the TCC release switch is closed when the TCC is commanded OFF, then DTC P0742 sets. DTC P0742 is a type A DTC.

Conditions for Setting the DTC

    • No TCC Release DTC P1887
    • The engine is running.
    • The TP is greater than 20%.
    • The TCC is commanded OFF.
    • The TCC release switch is closed, on two occurrences.
    • All of the above conditions are met for 8 seconds.

Action Taken When the DTC Sets

    • The PCM illuminates the Malfunction Indicator Lamp (MIL).
    • DTC P0742 is stored in the PCM history.
    • The PCM freezes shift adapts from being updated.
    • The PCM commands the TCC ON.

Conditions for Clearing the MIL/DTC

    • The PCM turns OFF the MIL after three consecutive ignition cycles without a failure reported.
    • A scan tool can clear the DTC from the PCM history. The PCM clears the DTC from the PCM history if the vehicle completes 40 warm-up cycles without a failure reported.
    • The PCM cancels the DTC default actions when the fault no longer exists and the ignition is OFF long enough in order to power down the PCM.

Diagnostic Aids

    • Rapid fluctuation in line pressure could set DTC P0742.
    • Inspect for a pressure regulator problem.
    • Inspect for abnormal high or low line pressure.
    • Inspect the wiring for poor electrical connections at the PCM. Inspect the wiring for poor electrical connections at the transmission 20-way connector. Look for the following conditions:
       - A bent terminal
       - A backed out terminal
       - A damaged terminal
       - Poor terminal tension
       - A chafed wire
       - A broken wire inside the insulation
    • When diagnosing for an intermittent short or open condition, massage the wiring harness while watching the test equipment for a change.
    • The customer may notice an engine stalling condition.

Test Description

The numbers below refer to the Step numbers on the diagnostic table.

  1. This Step tests for a TCC release switch status change when the engine is running. If TCC release oil is present, the switch should be open.

  2. If you disconnect the transmission connector, the PCM should recognize an open TCC Release switch. This indicates the wiring from the transmission connector to the PCM is OK.

  3. This Step tests circuit 418 from the transmission connector to the TFP Val. Position Sw. for a short to ground.

  4. This Step ensures that the TCC release switch is in good working condition.

  5. This Step tests the TCC circuit for a mechanical or hydraulic problem.

P0742

Step

Action

Value(s)

Yes

No

1

Was the Powertrain On-Board Diagnostic (OBD) System Check performed?

--

Go to Step 2

Go to

Powertrain On Board Diagnostic (OBD) System Check in Engine Controls - 2.3L

2

  1. Install the scan tool (tech 1) .
  2. With the engine OFF, turn the ignition switch to the RUN position.
  3. Important: Before clearing the DTCs, use the scan tool in order to record the Freeze Frame and Failure Records for reference. The Clear Info function will erase the data.

  4. Record the DTC Freeze Frame and Failure Records.
  5. Select scan tool TCC Release Switch.

Is the TCC Release Switch status as shown?

Closed

Go to Step 3

Go to Diagnostic Aids

3

Start the engine.

Is the TCC Release Switch status as shown?

Open

Go to Step 9

Go to Step 4

4

  1. Turn the ignition OFF.
  2. Disconnect the Automatic Transmission 20-way connector (additional DTCs will set).
  3. With the engine OFF, turn the ignition switch to the RUN position.

Is the TCC Release Switch status as shown?

Open

Go to Step 5

Go to Step 7

5

Inspect circuit 1804 from the Automatic Transmission 20-way connector to the TFP Val Position Sw. for a short to ground.

Refer to Troubleshooting Procedures, Section 8.

Did you find the condition?

--

Go to Step 6

Go to Step 17

6

Repair the short to ground in circuit 1804.

Refer to Repair Procedures, Section 8.

Is the repair complete?

--

Go to Step 21

--

7

Inspect circuit 657 for a short to ground.

Refer to Troubleshooting Procedures, Section 8.

Did you find the condition?

--

Go to Step 8

Go to Step 16

8

Repair the short to ground in circuit 657.

Refer to Repair Procedures, Section 8.

Is the repair complete?

--

Go to Step 21

--

9

  1. Install the J 39775 Jumper Harness to the engine 20-way connector.
  2. Using the J 35616-A Connector Test Adapter Kit, connect a test lamp from battery power to terminal T of the jumper harness.

Is the test lamp ON?

--

Go to Step 10

Go to Step 12

10

Inspect circuit 418 from the engine 20-way connector to the PCM for a short to ground.

Refer to Troubleshooting Procedures, Section 8.

Did you find the condition?

--

Go to Step 11

Go to Step 20

11

Repair the short to ground in circuit 418.

Refer to Repair Procedures, Section 8.

Is the repair complete?

--

Go to Step 21

--

12

  1. Turn the ignition OFF.
  2. Disconnect the J 39775 Jumper Harness from the engine 20-way connector.
  3. Install the J 39775 Jumper Harness to the Automatic Transmission 20-way connector.
  4. Using the J 35616-A Connector Test Adapter Kit, connect a test lamp from battery power to terminal T.

Is the test lamp ON?

--

Go to Step 13

Go to Step 19

13

Inspect circuit 418 from the transmission connector to the Torque Converter Clutch Solenoid Valve (TCC Sol. Valve) for a short to ground.

Refer to Troubleshooting Procedures, Section 8.

Did you find the condition?

--

Go to Step 14

Go to Step 15

14

Repair circuit 418 from the transmission connector to the TCC Sol. Valve.

Refer to Repair Procedures, Section 8.

Is the repair complete?

--

Go to Step 21

--

15

Inspect the TCC Sol. Valve for an internal short.

Refer to Troubleshooting Procedures, Section 8.

Did you find the condition?

--

Go to Step 16

--

16

Replace the TCC Sol. Valve.

Refer to Torque Converter Clutch Solenoid Valve Replacement, in On-Vehicle Service.

Is the replacement complete?

--

Go to Step 21

--

17

  1. Remove the TFP Val. Position Sw.
  2. Inspect the TCC Release Switch for the following conditions:
  3. • A damaged or leaking seal
    • Sediment or debris in the switch
    • Damaged switch contacts
    • Stuck switch contacts

Refer to Pressure Switch Assembly Resistance Check , Section 7.

Did you find the condition?

--

Go to Step 18

--

18

Replace the TFP Val. Position Sw.

Refer to Automatic Transmission Fluid Pressure Manual Valve Position Switch Replacement, in On-Vehicle Service.

Is the replacement complete?

--

Go to Step 21

--

19

  1. Inspect the TCC hydraulic circuit for the following conditions:
  2. • Plugged TCC Sol. Valve exhaust
    • The TCC regulator apply valve stuck in the apply position.
    • The TCC control valve stuck in the apply position.
    • The TCC feed limit valve stuck (this causes the TCC feed limit pressure, and the TCC release pressure, to be low or nonexistent).
    • A stuck pressure regulator valve
  3. Repair the TCC hydraulic circuit.

Refer to Unit Repair.

Is the repair complete?

--

Go to Step 21

--

20

Replace the PCM.

Refer to Section 6:

Powertrain Control Module/EEPROM Replacement/Programming in Engine Controls - 2.3L

Is the replacement complete?

--

Go to Step 21

--

21

In order to verify your repair, perform the following procedure:

  1. Select DTC.
  2. Select Clear Info.
  3. Operate the vehicle under the following conditions:
  4. • Start the engine.
    • TCC release oil must be present at the TCC release switch (switch open) for 3 seconds.
  5. Select Specific DTC. Enter DTC P0742.

Has the test run and passed?

--

System OK

Begin the diagnosis again. Go to Step 1