GM Service Manual Online
For 1990-2009 cars only

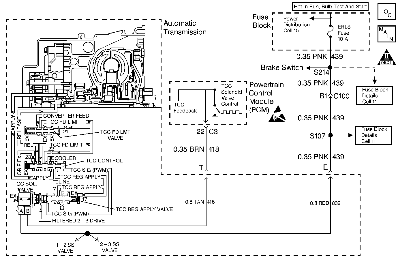
Object Number: 40577  Size: MF
Automatic Transmission Components
Automatic Transmission Controls Schematics
OBD II Symbol Description Notice
Handling ESD Sensitive Parts Notice

Circuit Description

The Torque Converter Clutch Solenoid Valve (TCC Sol. Valve) is a pulse width modulated solenoid. The Powertrain Control Module (PCM) energizes the TCC Sol. Valve by grounding circuit 418. When vehicle operating conditions are appropriate for TCC application, the PCM begins the TCC duty cycle at approximately 68%. The PCM then increases the duty cycle up to 93%, in order to achieve full TCC-apply pressure.

When the TCC Sol. Valve is de-energized, the solenoid blocks filtered 2-3 drive fluid, and allows TCC signal fluid to exhaust. When energized, the solenoid modulates fluid into the TCC signal fluid circuit. When fully energized, modulation stops, and the solenoid blocks both 2-3 drive fluid and TCC signal fluid exhaust.

When the PCM detects a high TCC slip speed when the TCC is commanded ON, then DTC P0741 sets. DTC P0741 is a type A DTC.

Conditions for Setting the DTC

    • No TP Sensor DTCs P0121, P0122, or P0123
    • No TFP Val. Position Sw. DTC P1810
    • No VSS DTC P0502
    • No TCC Stuck ON DTC P0742
    • No Input Speed Sensor DTCs P0716 or P0717
    • The TFP Val. Position Sw. indicates 2, 3, or D.
    • The PCM commands the TCC ON for 3 seconds.
    • The TP is 15-75%.
    • The transmission fluid temperature (TFT) is 30-110°C (86-212°F).
    • The commanded gear is 2nd, 3rd, or D.
    • The TCC slip speed is 300 RPM, or greater, for 5 seconds, two consecutive times.

Action Taken When the DTC Sets

    • The PCM does illuminates the Malfunction Indicator Lamp (MIL).
    • DTC P0741 is stored in the PCM history.
    • The PCM inhibits TCC engagement.

Conditions for Clearing the MIL/DTC

    • The PCM turns OFF the MIL after three consecutive ignition cycles without a failure reported.
    • A scan tool can clear the DTC from the PCM history. The PCM clears the DTC from the PCM history if the vehicle completes 40 warm-up cycles without a failure reported.
    • The PCM cancels the DTC default actions when the fault no longer exists and the ignition is OFF long enough in order to power down the PCM.

Diagnostic Aids

    • Inspect the wiring for poor electrical connections at the PCM. Inspect the wiring for poor electrical connections at the transmission 20-way connector. Look for the following conditions:
       - A bent terminal
       - A backed out terminal
       - A damaged terminal
       - Poor terminal tension
       - A chafed wire
       - A broken wire inside the insulation
    • When diagnosing for an intermittent short or open condition, massage the wiring harness while watching the test equipment for a change.

Test Description

The numbers below refer to the Step numbers on the diagnostic table.

  1. DTCs P0719, P0753, and P0758 also set if the power circuit is open.

  2. This Step verifies the PCM's ability to command the TCC Sol. Valve.

  3. This Step tests for correct component, and circuit, resistance.

P0741

Step

Action

Value(s)

Yes

No

1

Was the Powertrain On-Board Diagnostic (OBD) System Check performed?

--

Go to Step 2

Go to

Powertrain On Board Diagnostic (OBD) System Check in Engine Controls - 2.3L

2

  1. Install the scan tool (tech 1) .
  2. With the engine OFF, turn the ignition switch to the RUN position.
  3. Important: Before clearing the DTCs, use the scan tool in order to record the Freeze Frame and Failure Records for reference. The Clear Info function will erase the data.

  4. Record the DTC Freeze Frame and Failure Records.

Are DTCs P0719, P0753, and P0758 also set?

--

Go to Step 3

Go to Step 5

3

  1. Turn the ignition OFF.
  2. Remove the ERLS fuse.
  3. Inspect the fuse for an open.

Refer to Troubleshooting Procedures, Section 8.

Did you find the condition?

--

Go to Step 4

Go to Step 6

4

Repair the short to ground in circuit 439.

Refer to Troubleshooting Procedures, Section 8.

Did you find and correct the condition?

--

Go to Step 15

Go to Step 10

5

  1. Turn the ignition OFF.
  2. Disconnect the Automatic Transmission 20-way connector (additional DTCs will set).
  3. Install the J 39775 Jumper Harness to the engine 20-way connector.
  4. Using the J 35616-A Connector Test Adapter Kit, connect a test lamp from terminal E to a good ground.
  5. With the engine OFF, turn the ignition switch to the RUN position.

Is the test lamp ON?

--

Go to Step 8

Go to Step 6

6

Inspect circuit 439 between terminal E and the splice for an open.

Refer to Troubleshooting Procedures, Section 8.

Did you find the condition?

--

Go to Step 7

--

7

Repair the open in circuit 439.

Refer to Troubleshooting Procedures, Section 8.

Did you find and correct the condition?

--

Go to Step 15

--

8

  1. Connect a test lamp from terminal E to terminal T.
  2. Select scan tool TCC Duty Cycle.
  3. Command the TCC Duty Cycle to 100%.
  4. Command the TCC Duty Cycle to 0%.

Is the test lamp ON when the duty cycle is 100%, and OFF when the duty cycle is 0%?

--

Go to Step 10

Go to Step 9

9

Inspect circuit 418 for an open.

Refer to Troubleshooting Procedures, Section 8.

Did you find the condition?

--

Go to Step 15

Go to Step 13

10

  1. Disconnect the J 39775 Jumper Harness from the engine 20-way connector.
  2. Install the J 39775 Jumper Harness on the Automatic Transmission 20-way connector.
  3. Using the J 35616-A Connector Test Adapter Kit, connect an ohmmeter from terminal E to terminal T.

Is the resistance within the specified range?

10-15ohms

Go to Step 14

Go to Step 11

11

  1. Inspect circuit 839 from the Automatic Transmission 20-way connector to the TCC Sol. Valve for an open.
  2. Inspect circuit 418 from the Automatic Transmission 20-way connector to the TCC Sol. Valve for an open.

Refer to Troubleshooting Procedures, Section 8.

Did you find and correct the condition?

--

Go to Step 15

Go to Step 12

12

Replace the TCC Sol. Valve.

Refer to Torque Converter Clutch Solenoid Valve Replacement, in On-Vehicle Service.

--

Go to Step 15

--

13

Replace the PCM.

Refer to Section 6:

Powertrain Control Module/EEPROM Replacement/Programming in Engine Controls - 2.3L

Is the replacement complete?

--

Go to Step 15

--

14

  1. Inspect the TCC shift valve circuit for the following conditions:
  2. • A leak at the TCC Sol. Valve
    • The TCC regulator apply valve stuck in the release position.
    • The TCC control valve stuck in the release position.
    • A plugged TCC Sol. Valve filter
  3. Repair the TCC shift valve circuit.

Refer to Unit Repair.

Is the repair complete?

--

Go to Step 15

--

15

In order to verify your repair, perform the following procedure:

  1. Select DTC.
  2. Select Clear Info.
  3. Operate the vehicle under the following conditions:
  4. • Drive the vehicle in D4 with the throttle greater than 15%.
    • Obtain 74 km/h (45 mph).
    • With the TCC commanded ON and engaged, the slip speed must be less than 300 RPM for 3 seconds.
  5. Select Specific DTC. Enter DTC P0741.

Has the test run and passed?

--

System OK

Begin the diagnosis again. Go to Step 1