GM Service Manual Online
For 1990-2009 cars only

SMU - SECTION 6B - REVISED ENGINE COOLANT

SUBJECT: SERVICE MANUAL UPDATE - SECTION 6B - REVISED ENGINE COOLANT SERVICE FILL PROCEDURE

MODELS: 1996 CHEVROLET CAVALIER 1996 PONTIAC SUNFIRE WITH 2.2L ENGINE (VIN 4 - RPO LN2)

THIS BULLETIN REVISES THE ENGINE COOLANT SERVICE FILL PROCEDURE FOUND ON PAGE 6B-8 OF THE 1996 "J" CAR SERVICE MANUAL.

PLEASE REPLACE THE CURRENT PROCEDURE WITH THE FOLLOWING:

IMPORTANT: THE USE OF MECHANICAL FILL EQUIPMENT IS NOT RECOMMENDED.

COOLANT SERVICE FILL PROCEDURE (WITHOUT ENGINE VENT LINE) =========================================================

1. CLOSE THE RADIATOR DRAIN VALVE AND REMOVE DRAIN TUBE.

2. INSTALL ALL ENGINE BLOCK DRAIN PLUGS IF PREVIOUSLY REMOVED.

- USE PIPE SEALER WHEN INSTALLING DRAIN PLUGS.

3. WHEN ADDING COOLANT, IT IS IMPORTANT THAT GM GOODWRENCH DEX-COOL (ORANGE-COLORED, SILICATE-FREE) COOLANT MEETING GM SPECIFICATION 6277M BE USED. IF SILICATED COOLANT IS ADDED TO THE SYSTEM, PREMATURE ENGINE, HEATER CORE, OR RADIATOR CORROSION MAY RESULT. IN ADDITION, THE ENGINE COOLANT WILL REQUIRE CHANGE SOONER - AT 50,000KM (30,000 MILES) OR 24 MONTHS.

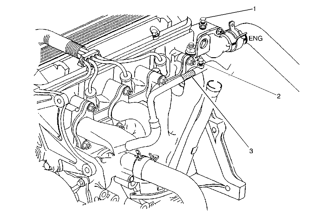
4. OPEN BOTH BLEEDER VALVES - ONE ON THE HEATER RETURN PIPE AND ONE ON THE WATER OUTLET (SEE FIGURE 1).

5. FILL THE COOLING SYSTEM THROUGH THE SURGE TANK UNTIL COOLANT IS EXPELLED OUT BOTH BLEEDER VALVES.

6. CLOSE BLEEDER VALVES.

7. TOP OFF COOLANT LEVEL IN SURGE TANK TO A LEVEL EVEN WITH THE FLAT HORIZONTAL WALL BELOW THE VENT LINES (APPROXIMATELY 1" BELOW FILL NECK), (SEE FIGURE 2).

IMPORTANT: LEAVE SURGE TANK CAP OFF.

8. START ENGINE.

9. OPEN WATER OUTLET BLEEDER VALVE AND LEAVE VALVE OPEN UNTIL A SOLID STREAM OF COOLANT IS EXPELLED, THEN CLOSE VALVE. REPEAT THIS EVERY 3 MINUTES UNTIL THE THERMOSTAT OPENS.

IMPORTANT: THERMOSTAT IS CONSIDERED OPEN WHEN UPPER RADIATOR HOSE IS HOT AT RADIATOR CONNECTION.

IMPORTANT: TURN HVAC CONTROLS TO "HEATER", FULL HOT AND CHECK FOR WARM AIR DURING THE FIRST 5 MINUTES AFTER ENGINE START. IF NO HOT AIR IS PRESENT, START PROCEDURE AGAIN AT STEP 4.

10. TOP OFF COOLANT, IF NECESSARY, TO THE SAME LEVEL AS IN STEP 7.

11. INSTALL SURGE TANK CAP.

COOLANT SERVICE FILL PROCEDURE (WITH ENGINE VENT LINE) ======================================================

1. CLOSE THE RADIATOR DRAIN VALVE AND REMOVE DRAIN TUBE.

2. INSTALL ALL ENGINE BLOCK DRAIN PLUGS IF PREVIOUSLY REMOVED.

- USE PIPE SEALER WHEN INSTALLING DRAIN PLUGS.

3. WHEN ADDING COOLANT, IT IS IMPORTANT THAT GM GOODWRENCH DEX-COOL (ORANGE-COLORED, SILICATE-FREE) COOLANT MEETING GM SPECIFICATION 6277M BE USED. IF SILICATED COOLANT IS ADDED TO THE SYSTEM, PREMATURE ENGINE, HEATER CORE, OR RADIATOR CORROSION MAY RESULT. IN ADDITION, THE ENGINE COOLANT WILL REQUIRE CHANGE SOONER, AT 50,000KM (30,000 MILES) OR 24 MONTHS.

4. OPEN THE BLEEDER VALVE ON THE HEATER RETURN PIPE (SEE FIGURE 3).

5. FILL THE COOLING SYSTEM THROUGH THE SURGE TANK UNTIL COOLANT IS EXPELLED OUT THE HEATER RETURN PIPE BLEEDER VALVE.

6. CLOSE BLEEDER VALVE.

7. TOP OFF COOLANT LEVEL IN SURGE TANK TO A LEVEL EVEN WITH THE FLAT HORIZONTAL WALL BELOW THE VENT LINES (APPROXIMATELY 1" BELOW FILL NECK), (SEE FIGURE 2).

IMPORTANT: LEAVE SURGE TANK CAP OFF.

8. START ENGINE AND WARM ENGINE UP UNTIL THE THERMOSTAT OPENS.

IMPORTANT: THERMOSTAT IS CONSIDERED OPEN WHEN UPPER RADIATOR HOSE IS HOT AT RADIATOR CONNECTION.

IMPORTANT: TURN HVAC CONTROLS TO "HEATER", FULL HOT AND CHECK FOR WARM AIR DURING THE FIRST 5 MINUTES AFTER ENGINE START. IF NO HOT AIR IS PRESENT, START PROCEDURE AGAIN AT STEP 4.

9. TOP OFF COOLANT, IF NECESSARY, TO THE SAME LEVEL AS IN STEP 7.

10. INSTALL SURGE TANK CAP.

FIGURES: 03 ATTACHMENTS: 00

FIGURE 1: 1. WATER OUTLET BLEEDER VALVE - LOCATED UNDER AIR INTAKE DUCT 2. HEATER RETURN PIPE BLEEDER VALVE 3. NOTE LABEL

FIGURE 2: 1. COOLANT TOP-OFF LEVEL FOR SERVICE FILL

FIGURE 3: 1. PIPE ASM. ENGINE VENT 2. HEATER RETURN PIPE BLEEDER VALVE 3. VENT HOSE 4. SURGE TANK


Object Number: 82641  Size: FS


Object Number: 88935  Size: LF


Object Number: 82640  Size: FS

GENERAL MOTORS BULLETINS ARE INTENDED FOR USE BY PROFESSIONAL TECHNICIANS, NOT A "DO-IT-YOURSELFER". THEY ARE WRITTEN TO INFORM THOSE TECHNICIANS OF CONDITIONS THAT MAY OCCUR ON SOME VEHICLES, OR TO PROVIDE INFORMATION THAT COULD ASSIST IN THE PROPER SERVICE OF A VEHICLE. PROPERLY TRAINED TECHNICIANS HAVE THE EQUIPMENT, TOOLS, SAFETY INSTRUCTIONS AND KNOW-HOW TO DO A JOB PROPERLY AND SAFELY. IF A CONDITION IS DESCRIBED, DO NOT ASSUME THAT THE BULLETIN APPLIES TO YOUR VEHICLE, OR THAT YOUR VEHICLE WILL HAVE THAT CONDITION. SEE A GENERAL MOTORS DEALER SERVICING YOUR BRAND OF GENERAL MOTORS VEHICLE FOR INFORMATION ON WHETHER YOUR VEHICLE MAY BENEFIT FROM THE INFORMATION.

COPYRIGHT 1996 GENERAL MOTORS CORPORATION. ALL RIGHTS RESERVED.