GM Service Manual Online
For 1990-2009 cars only
Makes
🢒
Pontiac
🢒
1996
🢒
Sunfire
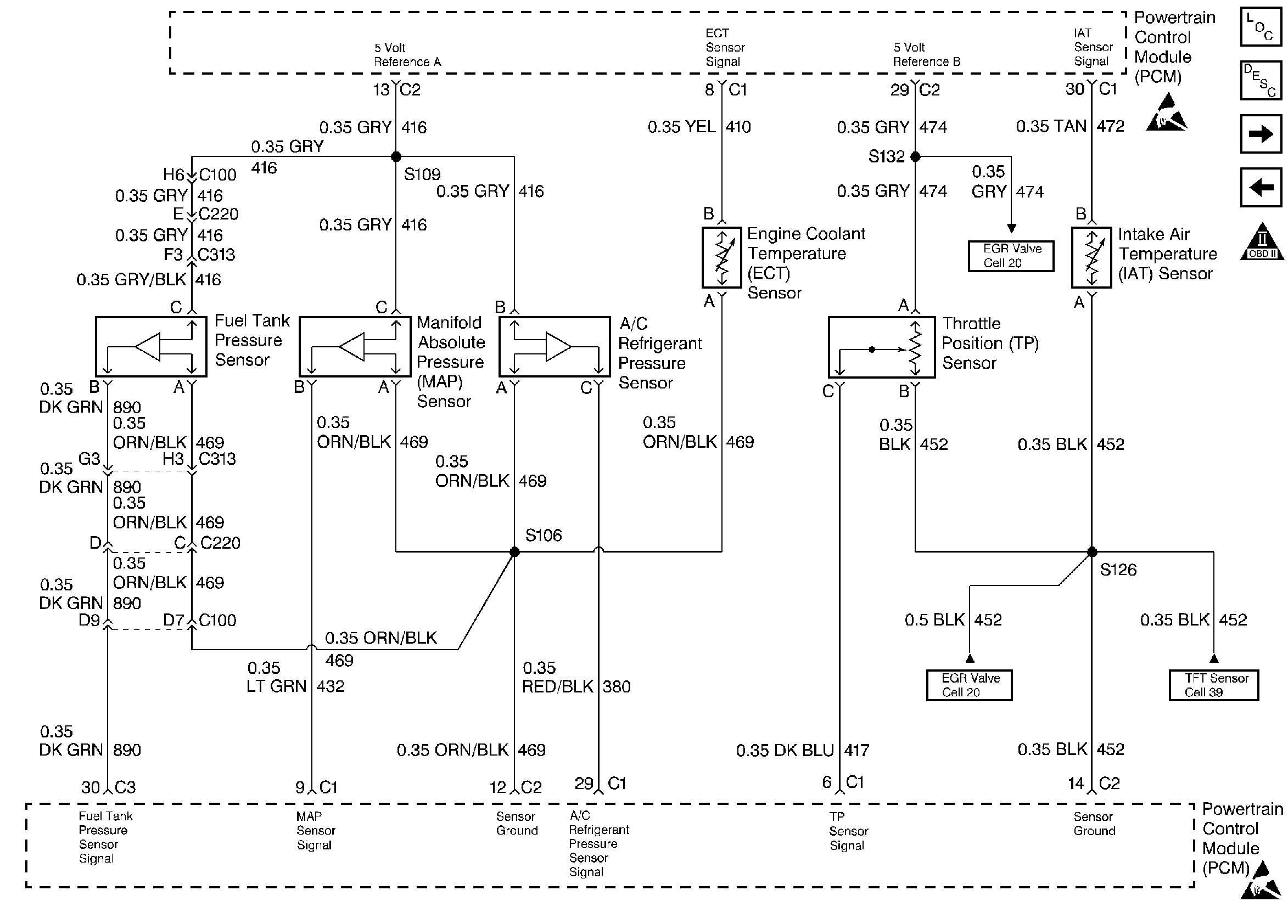
🢒 Engine Data Sensors
Engine Data Sensors
Engine Data Sensors
Engine Controls Components
Information Sensors
EVAP and EGR Controls
Fuel Controls
OBD II Symbol Description Notice
Handling ESD Sensitive Parts Notice