GM Service Manual Online
For 1990-2009 cars only
Makes
🢒
Pontiac
🢒
1996
🢒
Sunfire
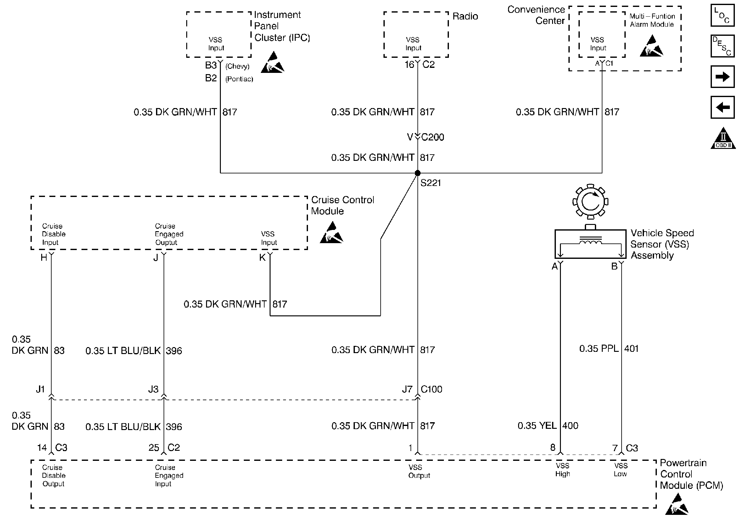
🢒 VSS and Cruise Control
VSS and Cruise Control
VSS and Cruise Control
Engine Controls Components
Powertrain Control Module Inputs Diagnosis
Transaxle Controls (Solenoids)
IAC Valve, Generator, TR, Oil, and Coolant Switches
OBD II Symbol Description Notice
Handling ESD Sensitive Parts Notice
Handling ESD Sensitive Parts Notice
Handling ESD Sensitive Parts Notice
Handling ESD Sensitive Parts Notice