GM Service Manual Online
For 1990-2009 cars only
Makes
🢒
Pontiac
🢒
1996
🢒
Sunfire
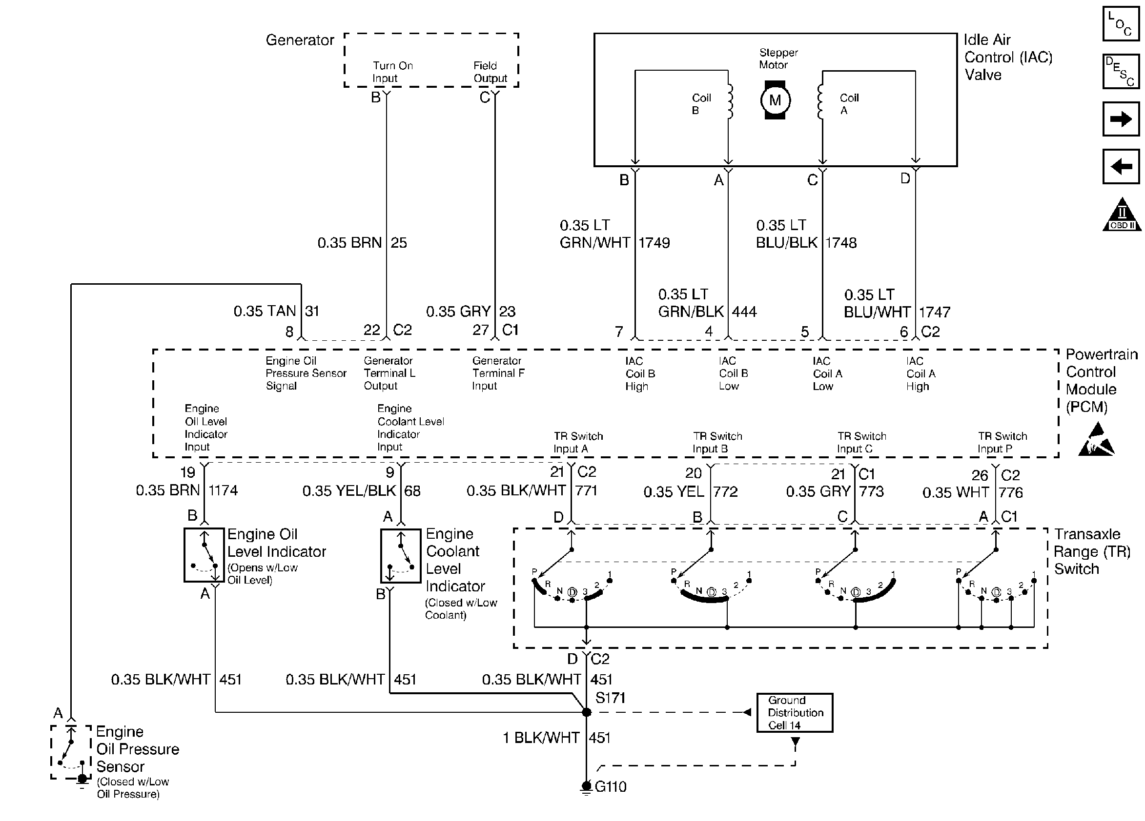
🢒 IAC Valve, Generator, TR, Oil and Coolant Switches
IAC Valve, Generator, TR, Oil and Coolant Switches
IAC Valve, Generator, TR, Oil and Coolant Switches
Engine Controls Components
Powertrain Control Module (PCM) General Description PCM
VSS and Cruise Control
Oxygen Sensors
OBD II Symbol Description Notice
Handling ESD Sensitive Parts Notice