GM Service Manual Online
For 1990-2009 cars only
Figure 1:

Power Control Module (PCM)


Object Number: 104165  Size: MF
(1)Canister Vent Solenoid Lead
(2)Coolant Level Lead
(3)Impact Bar
(4)Engine Wiring Harness (PCM Branch)
(5)PCM Assembly
(6)
Figure 2:

Positive Battery Cable to Relay Center


Object Number: 98309  Size: SH
(1)Clips
(2)Screw
(3)Fuse and Relay Center
(4)Positive Battery Cable Lead
Figure 3:

Left Front Engine Compartment


Object Number: 98310  Size: SH
(1)Underhood Electrical Center Branch
(2)Engine Wiring Harness
(3)Left ABS Wheel Speed Branch
(4)Dash Connector Bracket
(5)Dash Wiring Harness
Figure 4:

Underhood Electrical Center


Object Number: 98312  Size: SH
Figure 5:

Fuse and Relay Description


Object Number: 98314  Size: MF
Figure 6:

Fuse Block On Right of I/P


Object Number: 98315  Size: SH
Figure 7:

Engine Wiring to Harness (LD9)


Object Number: 98317  Size: SH
(1)Positive Battery Cable
(2)Coolant Fan Lead
(3)Engine Wiring Harness
(4)Crankshaft Sensor Lead
(5)LD9 Starter Motor
Figure 8:

Engine Wiring Harness to Starter (LN2)


Object Number: 98318  Size: SH
(1)Positive Battery Cable
(2)LN2 Starter Motor
(3)Starter Solenoid Lead
Figure 9:

LN2 with MN4


Object Number: 98320  Size: SH
(1)Heater Pipe
(2)N.S.B.U. Connectors
(3)T.C.C. Switch Connector (MN4 only)
(4)Engine Wire Harnes to Clip Nut
(5)Engine Wire Harness Clip (MN4 only)
Figure 10:

LN2 With MM5


Object Number: 98322  Size: SH
Figure 11:

LN2


Object Number: 98324  Size: SH
(1)Canister Purge Solenoid Connector
(2)Cam Position Sensor
(3)Brace
(4)Oil Pressure Switch
(5)Engine Wire to Generator Harness
(6)Vehicle Speed Sensor (MD9 only)
(7)Transmission Oil Tube
(8)Digital Crank Position Sensor
(9)Detonation Sensor Connector
(10)Electronic Coil and Module Assembly Connectors
Figure 12:

LN2 With MM5


Object Number: 98326  Size: SH
(1)Engine Wire Harness Ground
(2)Heater Pipe
Figure 13:

LN2


Object Number: 98328  Size: SH
(1)E.G.R. Solenoid
(2)M.A.T. Sensor Lead
(3)Engine Coolant Sensor Connector
(4)Back Up Lamp Switch Connector
(5)NSBU Switch Lead
(6)T.C.C. Switch Connector Lead
(7)T.C.C. Switch Connector
(8)Engine Wire Harness Ground Nut
(9)Cooling Fan Lead
(10)Oil Level Sensor Lead
(11)Transmission Mount Stud
(12)Oxygen Sensor
Figure 14:

LN2 Top View


Object Number: 98329  Size: SH
(1)Idle Speed Control Connector
(2)Rear Oxygen Sensor Connector
(3)Fuel Injector Harness
(4)Manifold Absolute Power Sensor
(5)Throttle Position Sensor Connector
Figure 15:

LN2 Engine Harness to Generator and Compressor


Object Number: 98331  Size: SH
Figure 16:

LN2 Engine Wire Harness Branches


Object Number: 98332  Size: SH
(1)Bracket
(2)Bolt
(3)Oil Level Connector
(4)Intake Air Temp Sensor Connector
(5)Engine Wiring Harness Clip
Figure 17:

LD9 and MN4


Object Number: 98333  Size: SH
(1)L.D.L. Connector
(2)Rear Oxygen Sensor
(3)Oxygen Sensor Lead
(4)Oil Pressure Switch
(5)Coolant Temp Sensor Lead
(6)Detonation Sensor
(7)N.S.B.U. Sensor
(8)Torque Converter Clutch Sensor
(9)M.A.T. Sensor Connector
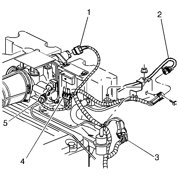
Figure 18:

LD9


Object Number: 98334  Size: SH
(1)Oil Pressure Switch Lead
(2)Detonation Sensor
(3)Vehicle Speed Sensor
Figure 19:

LD9


Object Number: 98335  Size: SH
(1)E.G.R. Solenoid
(2)T.P.S. Connector
(3)M.A.P. Sensor
(4)I.A.C.
(5)Canister Purge Solenoid
(6)A/C Compressor Connector
(7)A/C Compressor
(8)Generator
(9)Injectors Harness
(10)CAM Position Sensor
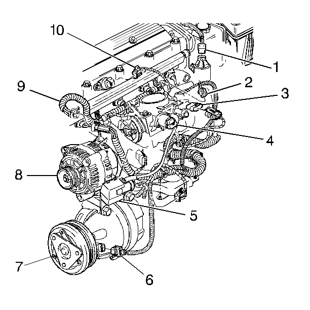
Figure 20:

LD9


Object Number: 98336  Size: SH
(1)M.A.P. Sensor
(2)Engine Wiring Harness to Stud Clip
(3)Cooling Fan Lead
(4)Cooling Fan Connector
(5)Crankshaft Sensor
(6)I.A.C.
Figure 21:

LD9


Object Number: 98337  Size: SH
(1)Coolant Pipe
(2)Vehicle Speed Sensor
(3)Engine Wiring Harness Clip
(4)Low Oil Level Sensor
(5)Vehicle Speed Sensor Connector
Figure 22:

LD9 Negative Battery Cable to Engine


Object Number: 98338  Size: SH
(1)Ground From Engine Harness Leads
(2)Negative Battery Cable
(3)Fan Lead
(4)Engine Harness