GM Service Manual Online
For 1990-2009 cars only

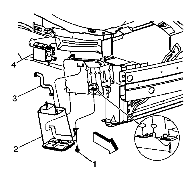
Removal Procedure


    Object Number: 14933  Size: SH
  1. Raise the vehicle. Refer to Vehicle Lifting Caution .
  2. Remove the RH engine splash shield.
  3. Disconnect the vent solenoid electrical connector.
  4. Remove the vent solenoid hose clamp.
  5. Disconnect the hose (3) to the vent solenoid (4).
  6. Remove the vent solenoid (4) from mounting bracket.

Installation Procedure


    Object Number: 14933  Size: SH
  1. Slide the vent solenoid onto the mounting bracket.
  2. Lubricate the hose ends with lubricant.
  3. Connect the hose (3) to the vent solenoid (4).
  4. Connect the vent solenoid hose clamp.
  5. Connect the vent solenoid electrical connector.
  6. Install the RH engine splash shield.
  7. Lower the vehicle. Refer to Vehicle Lifting Caution .