GM Service Manual Online
For 1990-2009 cars only

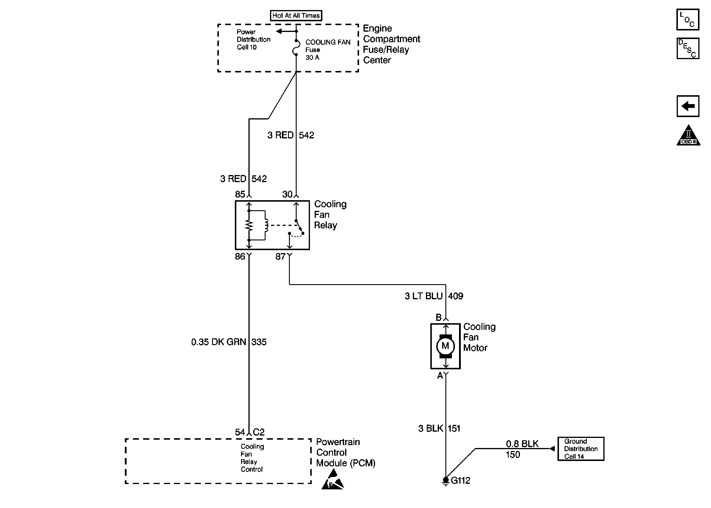
Cooling Fan Controls

Cooling Fan Controls


Object Number: 32518  Size: FS
Engine Controls Components
Information Sensors
A/C Controls
OBD II Symbol Description Notice
Handling ESD Sensitive Parts Notice