GM Service Manual Online
For 1990-2009 cars only
Makes
🢒
Pontiac
🢒
1997
🢒
Sunfire
🢒 Starting System
Starting System
Starting System
Starting and Charging Components
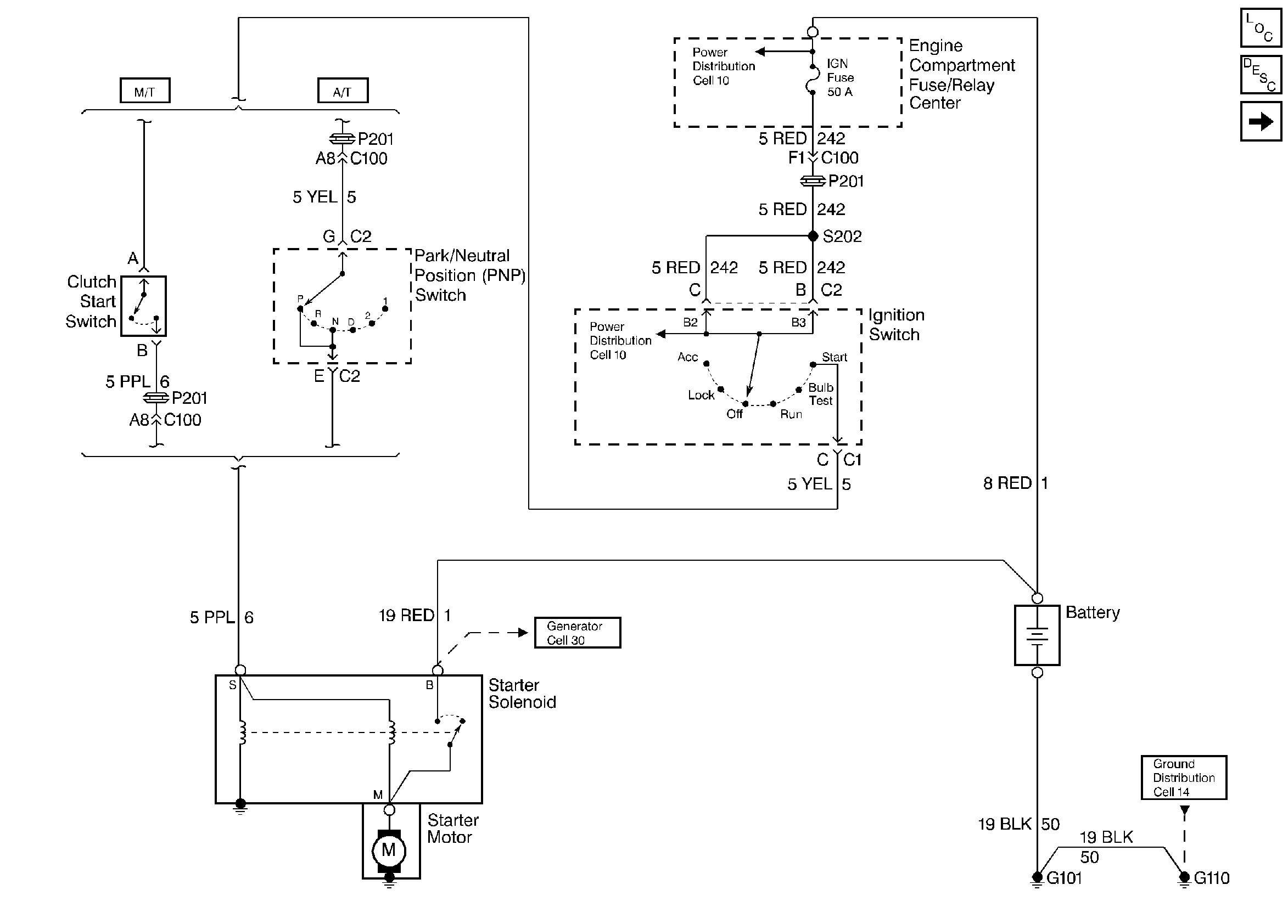
Starting and Charging Circuit
Charging System