GM Service Manual Online
For 1990-2009 cars only
Figure 1:

(Cell 44: Motor Pack and Speed Sensors


Object Number: 184626  Size: FS
ABS Components
ABS/ETS System Description
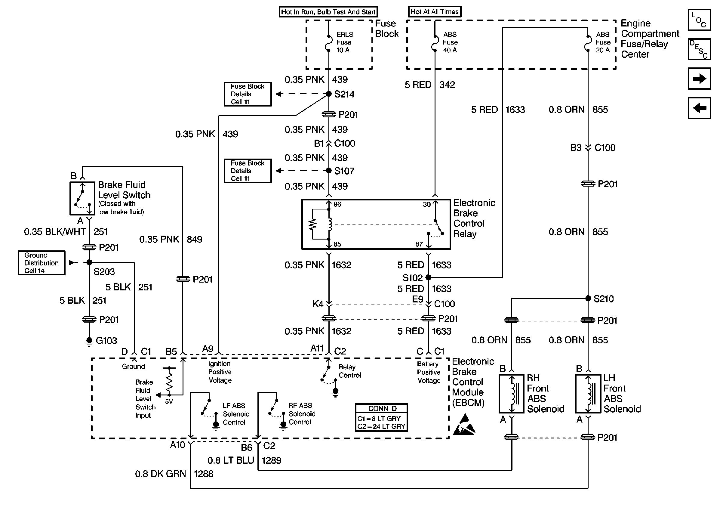
(Cell 44: Relay and Solenoids)
Handling Electrostatic Discharge Sensitive Parts Notice
Figure 2:

(Cell 44: Relay and Solenoids)


Object Number: 184615  Size: FS
ABS Components
ABS/ETS System Description
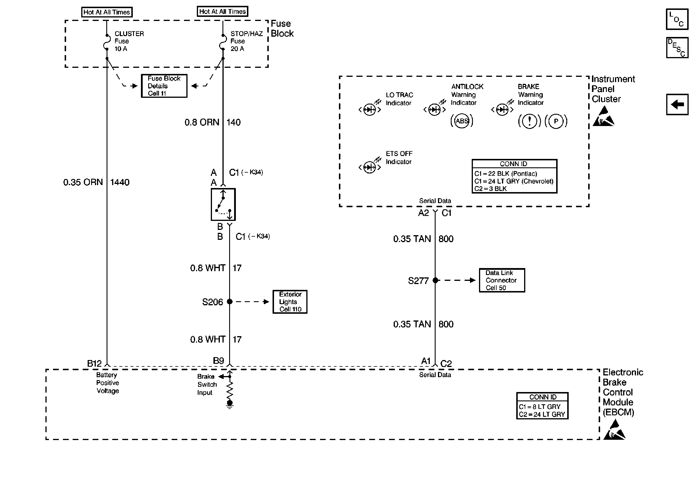
(Cell 44: IPC, EBCM and Brake Switch)
(Cell 44: Motor Pack and Speed Sensors
Handling Electrostatic Discharge Sensitive Parts Notice
Figure 3:

(Cell 44: IPC, EBCM and Brake Switch)


Object Number: 184630  Size: FS
ABS Components
ABS/ETS System Description
(Cell 44: Relay and Solenoids)
Handling Electrostatic Discharge Sensitive Parts Notice
Handling Electrostatic Discharge Sensitive Parts Notice