GM Service Manual Online
For 1990-2009 cars only

Removal Procedure

Tools Required

J 39232 Wiper Transmission Separator


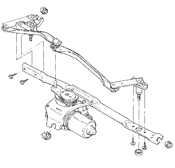
    Object Number: 347709  Size: SH
  1. Remove the wiper arms. Refer to Windshield Wiper Arm Replacement .
  2. Remove the plenum chamber water deflector. Refer to Plenum Water Deflector Replacement .
  3. Remove the three bolts and the wiper drive system module from the vehicle.
  4. Disconnect the electrical connector from the wiper motor.

  5. Object Number: 306506  Size: SH
  6. Remove the wiper transmission from the wiper motor crank arm using the J 39232 .

  7. Object Number: 452387  Size: SH
  8. Remove the cap from the wiper transmission.
  9. Remove the four screws and the wiper transmission from the tube frame.

Installation Procedure

Tools Required

J 39529 Wiper Transmission Installer


    Object Number: 452387  Size: SH

    Notice: Use the correct fastener in the correct location. Replacement fasteners must be the correct part number for that application. Fasteners requiring replacement or fasteners requiring the use of thread locking compound or sealant are identified in the service procedure. Do not use paints, lubricants, or corrosion inhibitors on fasteners or fastener joint surfaces unless specified. These coatings affect fastener torque and joint clamping force and may damage the fastener. Use the correct tightening sequence and specifications when installing fasteners in order to avoid damage to parts and systems.

  1. Install the wiper transmission onto the tube frame with the four screws.
  2. Tighten
    Tighten the screws to 9 N·m (79 lb in).

  3. Install the cap onto the wiper transmission.

  4. Object Number: 306515  Size: SH
  5. Install the wiper transmission onto the wiper motor crank arm using the J 39529 .
  6. Connect the electrical connector onto the wiper motor.

  7. Object Number: 347709  Size: SH
  8. Install the wiper drive system module onto the vehicle with the three bolts.
  9. Tighten
    Tighten the screws to 10 N·m (88 lb in).

  10. Install the plenum chamber water deflector. Refer to Plenum Water Deflector Replacement .
  11. Install the wiper arms. Refer to Windshield Wiper Arm Replacement .
  12. Operate the wipers and inspect for proper operation.