GM Service Manual Online
For 1990-2009 cars only
Makes
🢒
Pontiac
🢒
1998
🢒
Sunfire
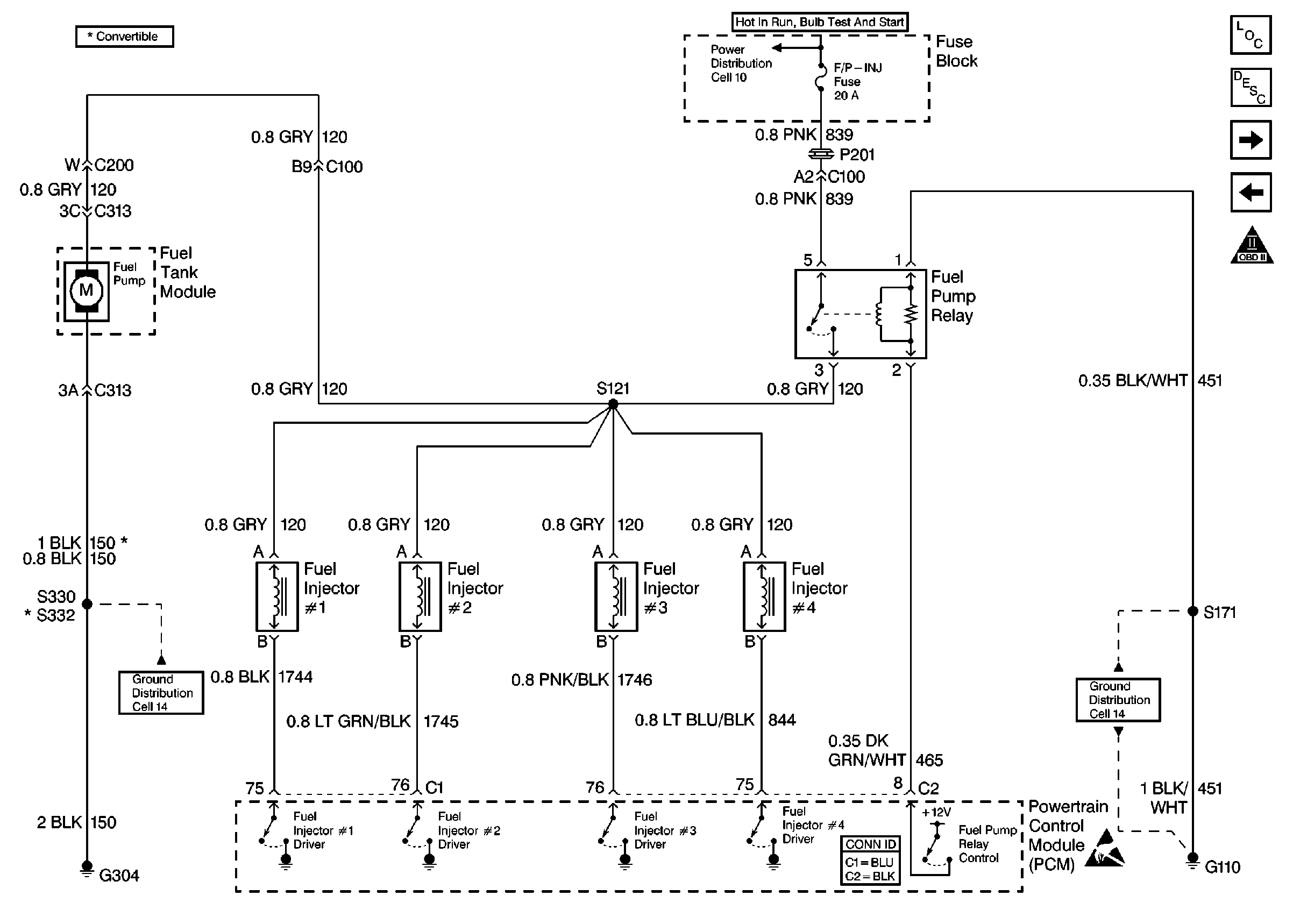
🢒 Fuel Controls
Fuel Controls
Fuel Controls
Engine Controls Components
Information Sensors/Switches Description
Engine Data Sensors
Cooling Fan Relay
OBDII Symbol Description Notice
Handling Electrostatic Discharge Sensitive Parts Notice