GM Service Manual Online
For 1990-2009 cars only
Makes
🢒
Pontiac
🢒
1998
🢒
Sunfire
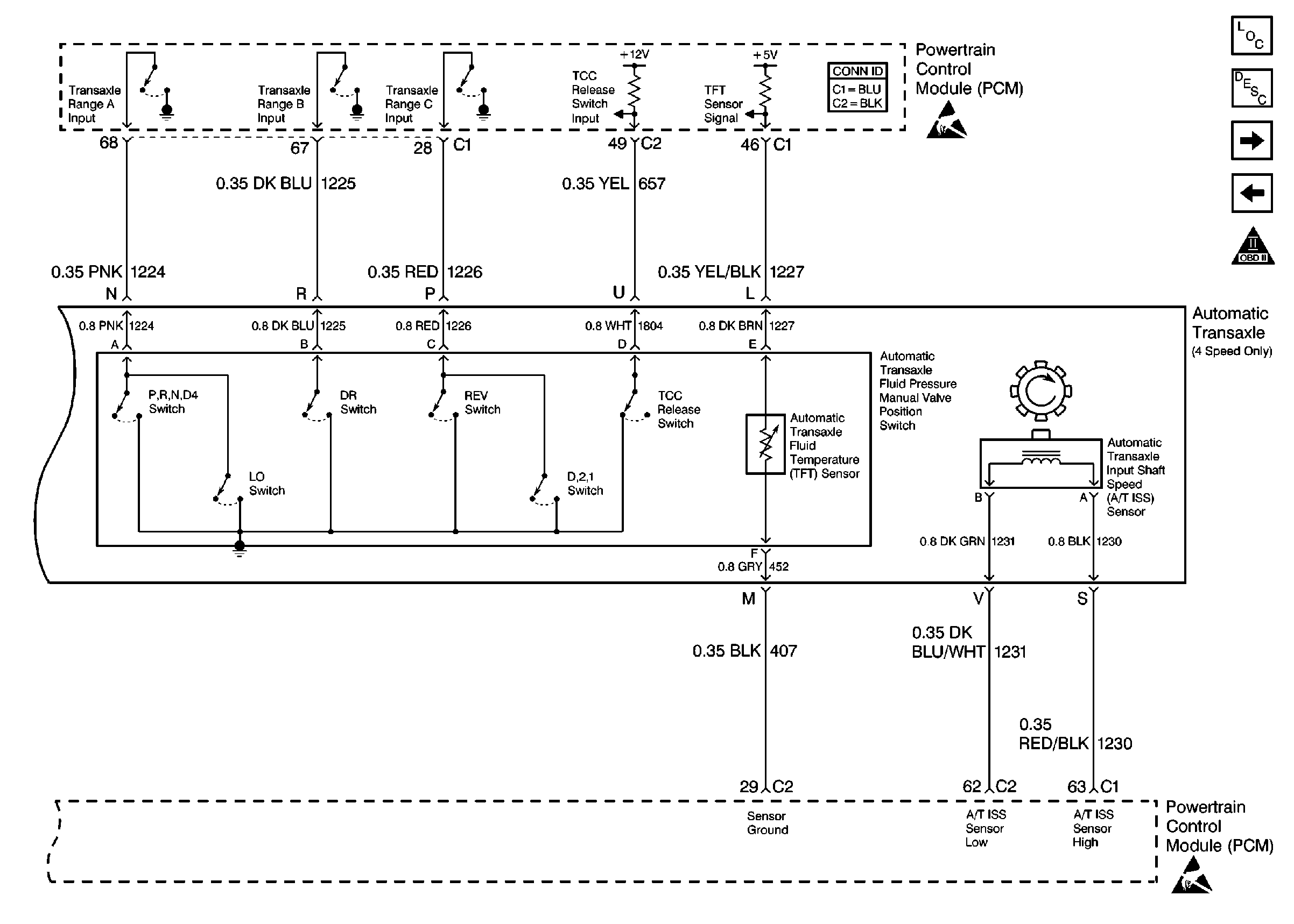
🢒 Transaxle Controls (Switches)
Transaxle Controls (Switches)
Transaxle Controls (Switches)
Engine Controls Components
Information Sensors/Switches Description
A/C Controls
Transaxle Controls and Brake Switches
OBDII Symbol Description Notice
Handling Electrostatic Discharge Sensitive Parts Notice
Handling Electrostatic Discharge Sensitive Parts Notice