GM Service Manual Online
For 1990-2009 cars only
Makes
🢒
Pontiac
🢒
1998
🢒
Sunfire
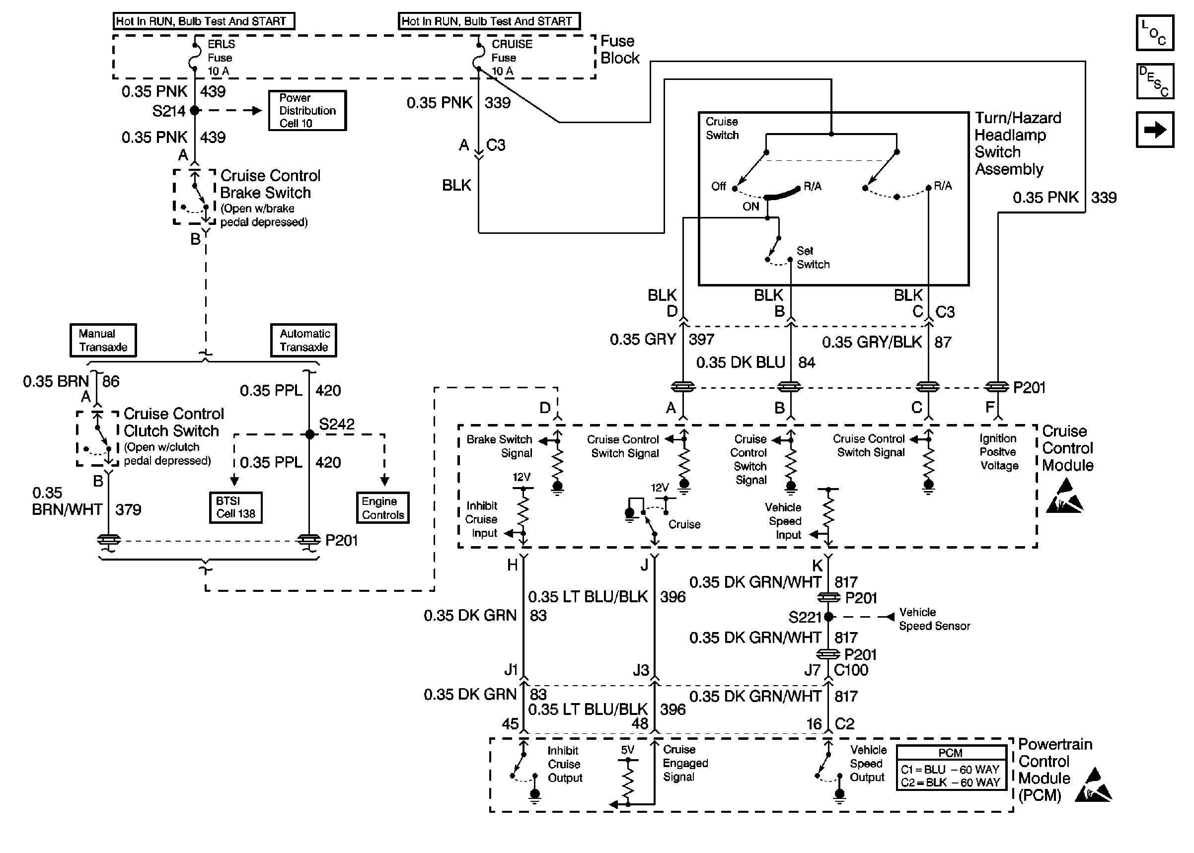
🢒 Cell 34: Cruise Control Module, PCM
Cell 34: Cruise Control Module, PCM
Cell 34: Cruise Control Module, PCM
Cruise Control Components
Cruise Control System Circuit Description
Cell 34: Cruise Control Module
Power Distribution Schematics
Handling ESD Sensitive Parts Notice