GM Service Manual Online
For 1990-2009 cars only
Makes
🢒
Pontiac
🢒
1999
🢒
Sunfire
🢒
Brakes
🢒
Hydraulic Brakes
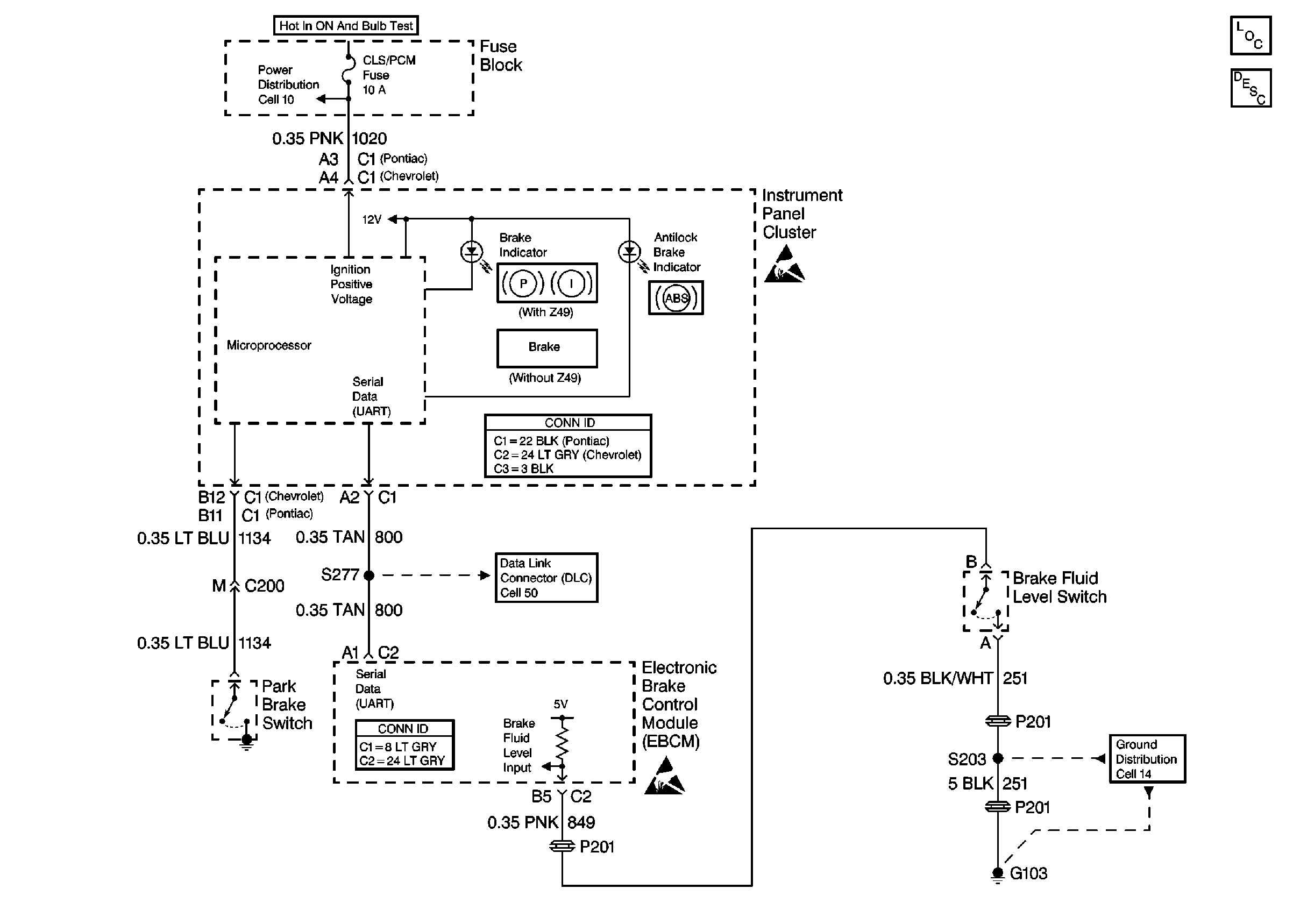
🢒 Brake Warning System Schematics
Brake Warning: Cell 41 Instrument Cluster and Switches
Hydraulic Brakes Components
Brake Warning System Operation
Handling ESD Sensitive Parts Notice
Handling ESD Sensitive Parts Notice
Power Distribution Schematics
Ground Distribution Schematics
Data Link Connector Schematics