GM Service Manual Online
For 1990-2009 cars only

Removal Procedure


    Object Number: 186973  Size: SH
  1. Remove the air cleaner assembly. Refer to Air Cleaner Assembly Replacement in Engine Controls.
  2. Perform the gear tension release procedure. Refer to Brake Modulator/Master Cylinder Assembly Replacement in Antilock Brake System.
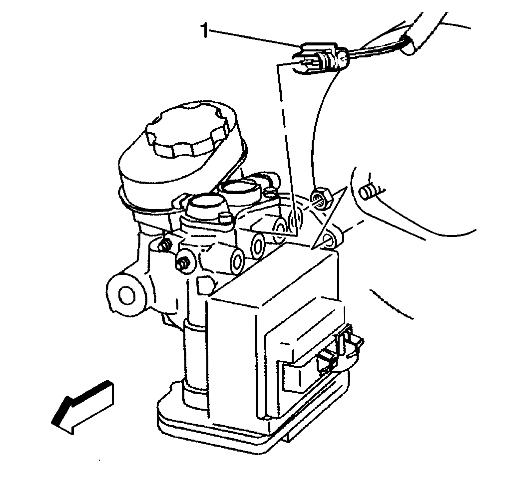
  3. Disconnect the electrical connector from the fluid level switch (1).

  4. Object Number: 186979  Size: SH
  5. Disconnect the electrical connectors from both of the ABS solenoids (1,2).

  6. Object Number: 186983  Size: SH
  7. Remove the ABS motor pack electrical connector (1).

  8. Object Number: 186992  Size: SH
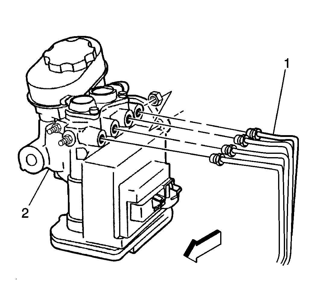
  9. Disconnect the brake pipes (1) from the master cylinder and modulator assembly (2).
  10. Plug the open brake pipes (1) in order to prevent brake fluid loss and contamination.

  11. Object Number: 186995  Size: SH
  12. Remove the master cylinder mounting nuts (1).

  13. Object Number: 186995  Size: SH
  14. Remove the master cylinder and modulator assembly (3) from the booster (2).

  15. Object Number: 221843  Size: MH
  16. Remove the Torx® head screws (5) attaching the gear cover (4).
  17. Remove the gear cover (4).
  18. Remove the four Torx® head screws (6) attaching the motor pack (1) to the brake modulator (2).
  19. Remove the motor pack (1) from the brake modulator (2).
  20. Remove the two brake modulator to master cylinder banjo bolts, separate the brake modulator from the master cylinder.
  21. Remove the two transfer tubes with the O-rings from the master cylinder or the brake modulator.
  22. Remove the banjo bolt O-rings from the master cylinder and the brake modulator.

Installation Procedure


    Object Number: 221843  Size: MH

    Important: Use new transfer tube assemblies when assembling the ABS brake modulator/master cylinder assembly. Properly install two O-rings on each transfer tube.

  1. Use the following procedure in order to install the two transfer assemblies:
  2. 1.1. Lubricate the transfer tube assembly O-rings with clean brake fluid.
    1.2. Install the transfer tube assemblies into ports of the ABS brake modulator.

    Push the tube assemblies in by hand to the bottom of the ports.

  3. Lubricate the new banjo bolt O-ring with clean brake fluid.
  4. Install the banjo bolt O-ring into the master cylinder and the ABS brake modulator.
  5. Use the following procedure in order to install the ABS brake modulator onto the master cylinder:
  6. 4.1. Clamp the mounting flange of the master cylinder in a vise.
    4.2. Hold the ABS brake modulator and rock the modulator into position on the master cylinder.
    4.3. Insert the transfer tube assemblies into the master cylinder ports.

    Notice: Use the correct fastener in the correct location. Replacement fasteners must be the correct part number for that application. Fasteners requiring replacement or fasteners requiring the use of thread locking compound or sealant are identified in the service procedure. Do not use paints, lubricants, or corrosion inhibitors on fasteners or fastener joint surfaces unless specified. These coatings affect fastener torque and joint clamping force and may damage the fastener. Use the correct tightening sequence and specifications when installing fasteners in order to avoid damage to parts and systems.

  7. Install two ABS brake modulator to master cylinder banjo bolts.
  8. Tighten
    Tighten the banjo bolts to 24 N·m (18 lb ft).

  9. With the ABS brake modulator positioned upside down, and the gears facing you, rotate each ABS brake modulator gear clockwise until movement stops.
  10. The procedure causes the following conditions:

    • The pistons are positioned very close to the top of the modulator bore.
    • The brake bleeding procedure is simplified.
  11. Install the ABS brake motor pack (1) onto the brake modulator/master cylinder assembly (2).
  12. Install the four Torx® head screws (6) that retain the motor pack (1) to the brake modulator (2).
  13. Tighten
    Tighten the four Torx® head screws to 5 N·m (44 lb in).

  14. Install the gear cover (4) to the brake modulator/master cylinder assembly (2).
  15. Install the Torx® head screws (5) that retain the gear cover (4).
  16. Tighten
    Tighten the Torx® head screws to 4 N·m (36 lb in).


    Object Number: 186995  Size: SH

    Notice: Use the correct fastener in the correct location. Replacement fasteners must be the correct part number for that application. Fasteners requiring replacement or fasteners requiring the use of thread locking compound or sealant are identified in the service procedure. Do not use paints, lubricants, or corrosion inhibitors on fasteners or fastener joint surfaces unless specified. These coatings affect fastener torque and joint clamping force and may damage the fastener. Use the correct tightening sequence and specifications when installing fasteners in order to avoid damage to parts and systems.

  17. Install the master cylinder and modulator assembly (3) to the booster assembly (2).
  18. Tighten
    Tighten the master cylinder mounting nuts to 27 N·m (20 lb ft).


    Object Number: 186992  Size: SH
  19. Install the brake pipes (1) to the master cylinder and modulator assembly (2).
  20. Tighten
    Tighten the brake pipe tube nuts to 23 N·m (17 lb ft).


    Object Number: 186973  Size: SH
  21. Connect the electrical connector to the fluid level switch (1).

  22. Object Number: 186979  Size: SH
  23. Connect the electrical connectors to both solenoids (1,2).

  24. Object Number: 186983  Size: SH
  25. Connect the ABS motor pack electrical connector (1).

  26. Object Number: 165390  Size: SH
  27. Fill the master cylinder to the proper level with clean brake fluid.
  28. Bleed the hydraulic system. Refer to Hydraulic Brake System Bleeding .