GM Service Manual Online
For 1990-2009 cars only
Makes
🢒
Pontiac
🢒
1999
🢒
Sunfire
🢒
Body and Accessories
🢒
Doors
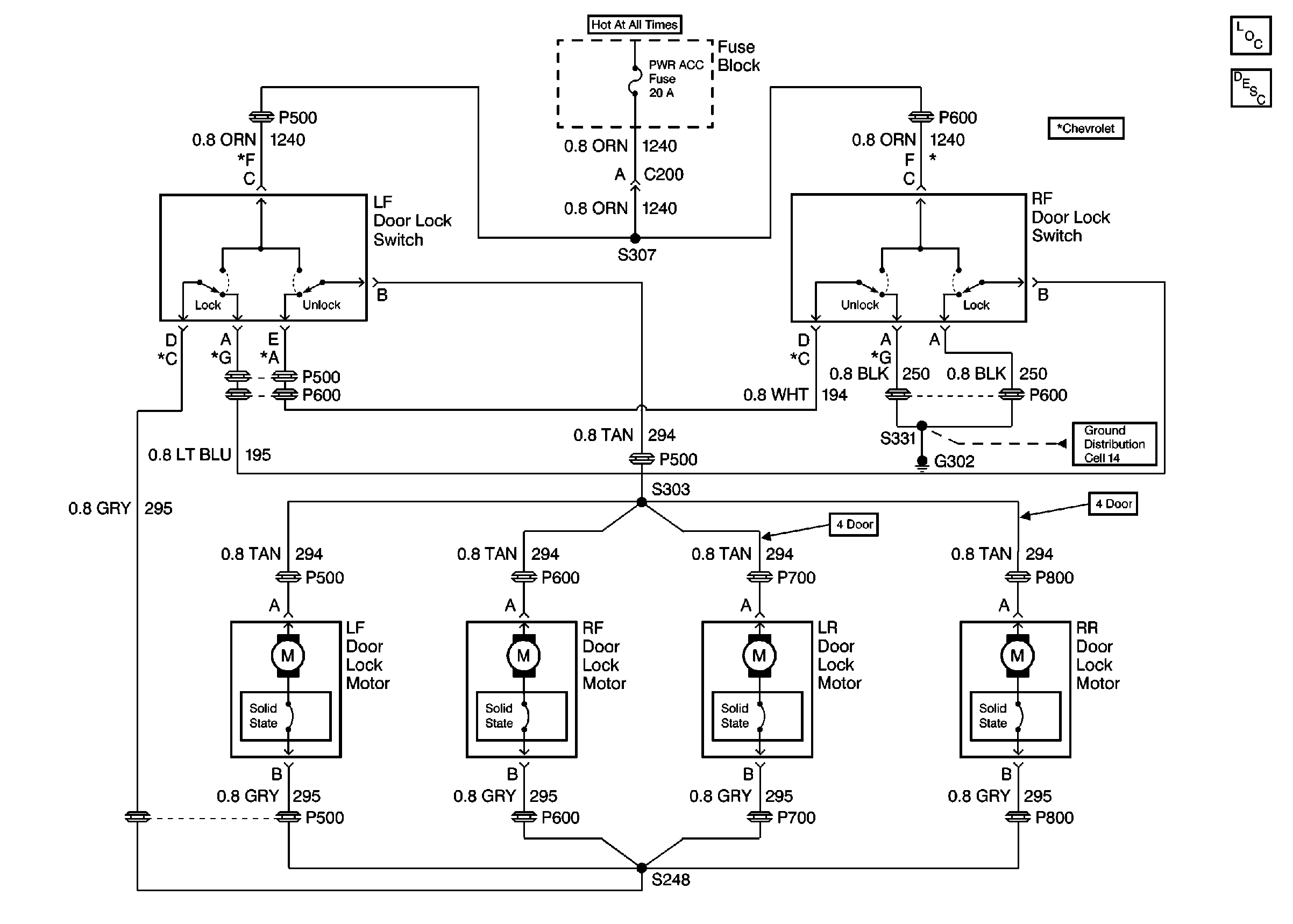
🢒 Door Lock/Indicator Schematics
Cell 130
Power Door Systems Components
Power Door Locks Circuit Description
Ground Distribution Schematics