GM Service Manual Online
For 1990-2009 cars only

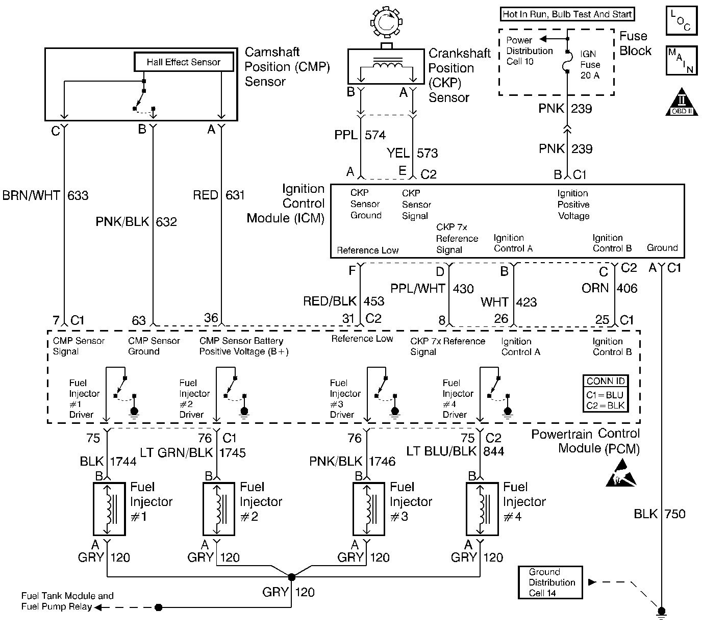
Object Number: 408538  Size: LF
Engine Controls Components
Ignition Controls
OBD II Symbol Description Notice
Powertrain Control Module Connector End Views
Handling ESD Sensitive Parts Notice

System Description

The Powertrain Control Module (PCM) monitors both the crankshaft and the camshaft position in order to detect an engine misfire. A rapid decrease in the crankshaft speed indicates misfire. The PCM may require that several consecutive misfire conditions are detected before storing this DTC and before illuminating the MIL. Under light misfire conditions, the PCM may require more than one trip to set this DTC. Under a severe misfire, the PCM flashes the MIL. A flashing MIL indicates that there is a misfire that is capable of damaging the catalytic converter. The torque converter clutch (TCC) disables momentarily in order to determine if the misfire was due to a rough road condition, automatic transmission only.

Conditions for Running the DTC

    • DTCs P0105, P0107, P0112, P0113, P0117, P0118, P0122, P0123, P0125, P0131, P0132, P0133, P0134, P0171, P0172, P0325, P0335, P0341, P0342, P0502, P0503, P0506, P0507, P0601, P0740, P0742, P1133, and P1621 are not set.
    • The engine speed is between 469-5900 RPM.
    • The battery voltage is between 9-17 volts.
    • The engine coolant temperature (ECT) is between -7°C and +123°C (20°-254°F).
    • The engine has been running more than 5 seconds.
    • The throttle position (TP) has not increased more than 8 percent in 1 second.
    • The throttle position (TP) has not decreased more than 1.5 percent in 1 second.

Conditions for Setting the DTC

The misfire total is more than 8 counts.

Action Taken When the DTC Sets

    • The malfunction indicator lamp (MIL) illuminates if the fault is active within the same conditions for two out of eighty ignition cycles and a misfire is present.
        OR
        The MIL illuminates after two consecutive ignition cycles during in which the diagnostic runs with the fault active
        OR
        The MIL illuminates immediately and flashes if a misfire is severe enough to cause any catalyst damage.
    • In vehicles with automatic transmission only, the torque converter clutch (TCC) is disablesd when a misfire is present.
    • The PCM records the operating conditions at the time that the diagnostic fails. This information will store in the Freeze Frame and Failure Records buffers.
    • A history DTC is stored.
    • The coolant fan turns ON.

Conditions for Clearing the MIL/DTC

    • The MIL turns OFF after three consecutive ignition cycles during which the diagnostic runs without a fault present under the Freeze Frame conditions that existed when the DTC failed.
    • A history DTC clears after 40 consecutive warm up cycles without a fault.
    • Clear the MIL/DTCs with a scan tool.

Diagnostic Aids

An intermittent can also be the result of a defective reluctor wheel. Remove crankshaft sensor and inspect reluctor wheel through sensor mount hole. Check for porosity and condition of the reluctor wheel.

Test Description

Number(s) below refer to the step number(s) on the Diagnostic Table.

  1. The Powertrain OBD System Check prompts the technician to complete some basic checks and store the freeze frame and failure records data on the scan tool if applicable. This creates an electronic copy of the data taken when the malfunction occurred. The information is then stored in the scan tool for later reference.

  2. Whenever a DTC P0108 is present, verify that no misfire is present by viewing the misfire counters. DTC P0108 may set as a result of a misfire.

  3. A visual/physical inspection should include checking the following conditions:

  4. • The wiring for proper connections, pinches and cuts.
    • Clean and tight PCM grounds.
    • The vacuum hoses for splits, kinks and proper connections as shown on the Vehicle Emission Information label. Check thoroughly for any type of leak or restriction.
    • For air leaks at the throttle body mounting area and intake manifold sealing surfaces.
  1. This step determines if DTC P0303 is the result of a hard failure or an intermittent condition.

  2. When the misfire is not present, operate the vehicle to the conditions found in the Freeze Frame Data in order to detect misfire. Depending on the engine load, the conditions may have to be maintained for up to 20 seconds. Whenever the misfire accumulators start to increment, then misfire is present. A history misfire counter will store the number of misfires that have occurred until the DTC is cleared. The current counter must count a total of at least 195 misfires before writing to the history counter.

  3. No spark on one coil, may be caused by an open secondary circuit. Therefore, the coil's secondary resistance should be checked.

  4. Use the J 34730-2A to test the harness wiring and for PCM control of the injectors.

  5. Perform the Injector Coil Test Procedure on the misfiring cylinder only.

  6. Determines if the fuel injector driver circuit is shorted to ground or voltage or if the PCM is malfunctioning.

  7. Before replacing the PCM, check terminals for improper mating, broken locks, or physical damage to the wiring harness. The replacement PCM must be reprogrammed and the crankshaft position system variation procedure must be performed. Refer to the latest Techline procedures for PCM reprogramming and to the CKP System Variation Learn Procedure for the Crankshaft Position System Variation Procedure.

  8. Replace any spark plugs that are worn, cracked or fouled. Refer to Ignition System if any plugs are fouled or damaged due to an engine mechanical failure.

  9. Since the voltage is supplied to the fuel injector on a single circuit before the fuel injector harness, the malfunction could only be a poor connection or open in the fuel injector harness. An open before the harness would result in a Cranks But Won't Run complaint.

  10. A basic engine problem that affects only cylinder #3 is possible at this point (i.e. valve train, compression, etc.). Refer to Engine Mechanical.

DTC P0303 - Cylinder 3 Misfire Detected

Step

Action

Value(s)

Yes

No

1

Was the Powertrain On-Board Diagnostic (OBD) System Check performed?

--

Go to Step 2

Go to Powertrain On Board Diagnostic (OBD) System Check

2

Refer to the Test Description for additional information.

Are any component DTCs set?

--

Go to DTC Tables first

Go to Step 3

3

  1. Perform a visual/physical inspection.
  2. Make any necessary repairs.

Were any repairs necessary?

--

Go to Step 6

Go to Step 4

4

  1. Allow the engine to idle.
  2. Install a scan tool.
  3. Engine idling.

Is the Misfire Current #3 counter incrementing?

--

Go to Step 5

Go to Step 6

5

  1. Turn the ignition switch OFF.
  2. Disconnect the fuel injector harness electrical connectors.
  3. Install the J 26792 on the spark plug wire for cylinder #3.
  4. Remove spark plug wire from cylinder #2 of the ignition coil housing and install a jumper wire from the spark plug connector of the ignition coil housing to ground.
  5. Crank the engine with remaining plugs cables still connected.

Does the spark tester spark?

--

Go to Step 8

Go to Step 9

6

  1. Turn the ignition switch ON, with the engine OFF, review Freeze Frame data and note parameters.
  2. Operate the vehicle within Freeze Frame conditions and conditions for setting DTC as noted.

Is the Misfire Current #3 counter incrementing?

--

Go to Step 5

Go to Step 7

7

Was a repair made from the visual/physical inspection?

--

Go to Step 30

Go to Diagnostic Aids

8

  1. Remove the spark plug from cylinder #3.
  2. Change the spark plug with a spark plug from a known good cylinder.
  3. Reconnect the injector harness electrical connector.
  4. Run the vehicle when the misfire was present.

Is the Misfire Current #3 counter incrementing?

--

Go to Step 13

Go to Step 22

9

  1. Remove spark plug wire from #3 cylinder.
  2. Measure the resistance of the spark plug wire with a DMM.

Is the spark plug wire resistance less than the specified value?

30,000 ohms

Go to Step 10

Go to Step 23

10

  1. Remove the ignition coil from the cylinder that did not fire.
  2. Measure the coil's secondary resistance.

Is the resistance within the specified range?

5-8 k ohms

Go to Step 11

Go to Step 24

11

  1. Replace the ignition coil with a known good one.
  2. Crank the engine and check for spark.

Did spark occur on the spark tester?

--

Go to Step 24

Go to Step 12

12

  1. Visually inspect the ICM 6 pin harness connector to see if the connections are clean and tight.
  2. Make any necessary repairs.

Were any repairs necessary?

--

Go to Step 30

Go to Step 25

13

  1. Turn the ignition switch OFF.
  2. Disconnect the 4 fuel injector connectors from the injectors.
  3. Install an injector test light on the injector harness connector for cylinder #3.
  4. Crank engine and note light.

Does the injector test light blink?

--

Go to Step 14

Go to Step 15

14

Perform the Fuel Injector Solenoid Coil Test - Engine Coolant Temperature Between 10-35 Degrees C (50-95 Degrees F) .

Is cylinder #3 injector OK?

--

Go to Step 28

Go to Step 29

15

  1. Disconnect the fuel injector test light.
  2. Connect a test light to ground.
  3. Probe the cylinder #3 injector connector ignition feed terminal.
  4. Crank the engine.

Did the test light illuminate?

--

Go to Step 16

Go to Step 27

16

  1. Connect a test light to ground.
  2. Turn ON the ignition switch leaving the engine OFF.
  3. Probe the cylinder #3 fuel injector connector driver circuit terminal.

Did the test light remain OFF?

--

Go to Step 17

Go to Step 26

17

  1. Connect a test light to B+.
  2. Probe the fuel injector driver circuit terminal.

Did the test light remain OFF?

--

Go to Step 18

Go to Step 19

18

  1. Inspect the PCM electrical connector for an open or a poor connection.
  2. Inspect the fuel injector driver circuit for an open or poor connection.

Are the connections OK?

--

Go to Step 20

Go to Step 21

19

  1. Check for a short to ground in the cylinder #3 fuel injector driver circuit.
  2. Repair the circuit as necessary. Refer to Wiring Repairs in Wiring Systems.

Was a repair necessary?

--

Go to Step 30

Go to Step 20

20

Replace the PCM. Refer to Powertrain Control Module (PCM) Replacement .

Is action complete?

--

Go to Step 30

--

21

Repair the open or poor connections.

Is the action complete?

--

Go to Step 30

--

22

Replace the malfunctioning spark plug. Refer to Spark Plug Replacement in Engine Electrical.

Is the action complete?

--

Go to Step 30

--

23

Replace the spark plug wire. Refer to Spark Plug Wire Harness Replacement in Engine Electrical.

Is the action complete?

--

Go to Step 30

--

24

Replace cylinders #2 and #3 ignition coil. Refer to Ignition Control Module Replacement .

Is the action complete?

--

Go to Step 30

--

25

Replace the ICM. Refer to Ignition Control Module Replacement .

Is the action complete?

--

Go to Step 30

--

26

  1. Check for a short to voltage in the cylinder #3 fuel injector driver circuit.
  2. Repair the circuit as necessary. Refer to Wiring Repairs in Wiring Systems.

Was a repair necessary?

--

Go to Step 30

Go to Step 20

27

Repair open ignition feed circuit between the fuel injector harness connector and the fuel injector connector.

Is the action complete?

--

Go to Step 30

--

28

Check for a basic engine problem, refer to Base Engine Misfire Diagnosis in Engine Mechanical.

Is the action complete?

--

Go to Step 30

--

29

Replace the malfunctioning fuel injector. Refer to Fuel Injector Replacement .

Is the action complete?

--

Go to Step 30

--

30

  1. Clear DTCs with a scan tool.
  2. Start the engine and idle at normal operating temperature.
  3. Operate the vehicle within the conditions for setting this DTC as supported in the text.

Does the scan tool indicate that this diagnostic ran and passed?

--

Go to Step 31

Go to Step 2

31

Check if any additional DTCs are set.

Are any DTCs displayed that have not been diagnosed?

--

Go to applicable DTC Table

System OK