GM Service Manual Online
For 1990-2009 cars only
Makes
🢒
Pontiac
🢒
2000
🢒
Sunfire
🢒
Engine
🢒
Engine Controls - 2.2L
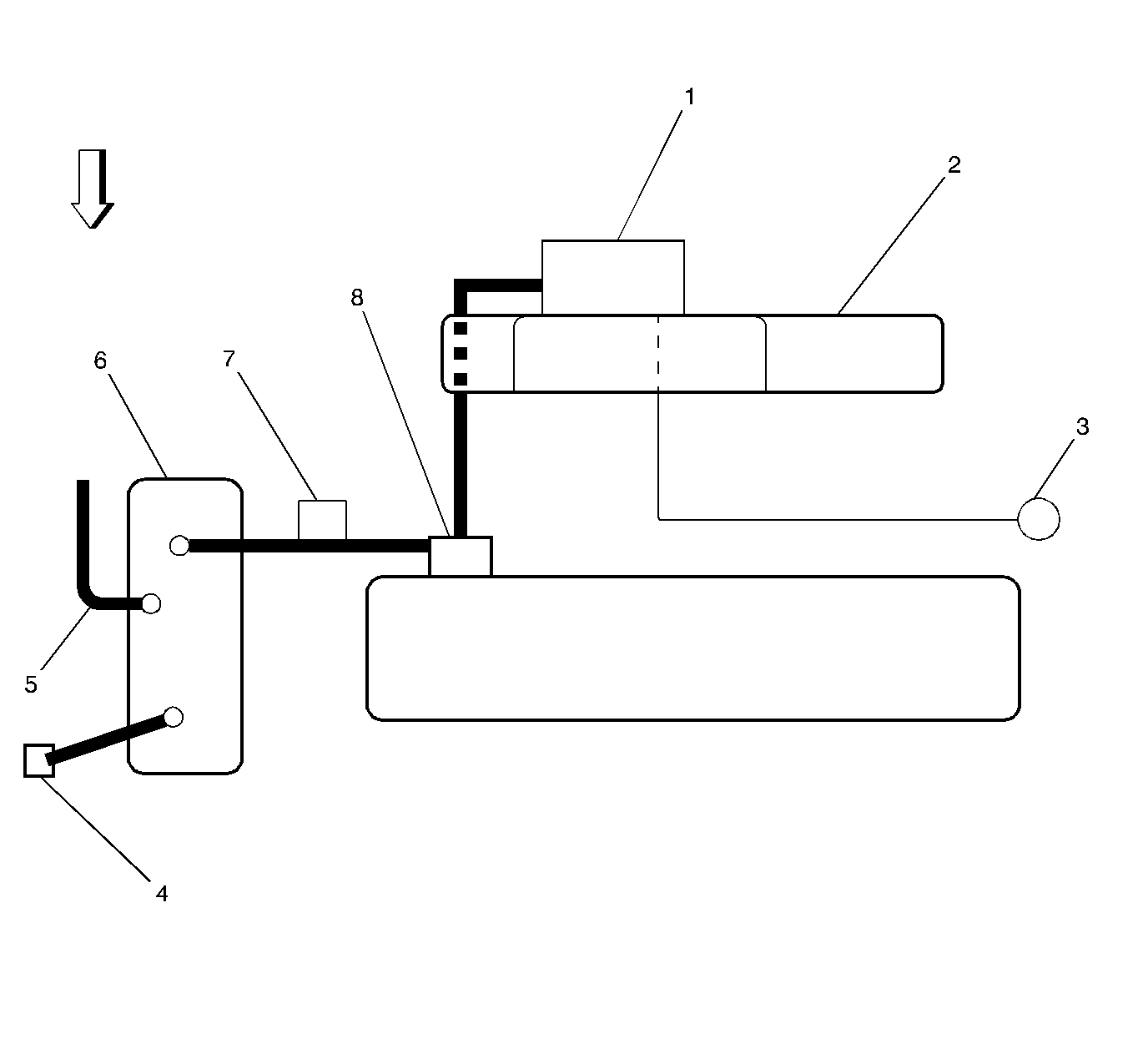
🢒 Emission Hose Routing Diagram
Figure
1:
(1)
Throttle Body
(2)
Intake Manifold
(3)
Fuel Pressure Regulator Valve
(4)
EVAP Canister Vent Solenoid
(5)
EVAP Hose to Fuel Tank
(6)
EVAP Canister
(7)
EVAP Service Port
(8)
EVAP Canister Purge Solenoid Valve
Figure
2:
EVAP System Overview
(1)
EVAP Canister Purge Solenoid
(2)
EVAP Canister
(3)
Fuel Fill Neck/Fill Cap
(4)
Rollover Valve/Fuel Tank Pressure (FTP) Sensor
(5)
Fuel Tank
(6)
EVAP Canister Vent Solenoid
(7)
Vent Hose/Pipe
(8)
EVAP Vapor Pipe
(9)
EVAP Purge Pipe
(10)
EVAP Service Port