GM Service Manual Online
For 1990-2009 cars only
Makes
🢒
Pontiac
🢒
2000
🢒
Sunfire
🢒
Engine
🢒
Engine Electrical
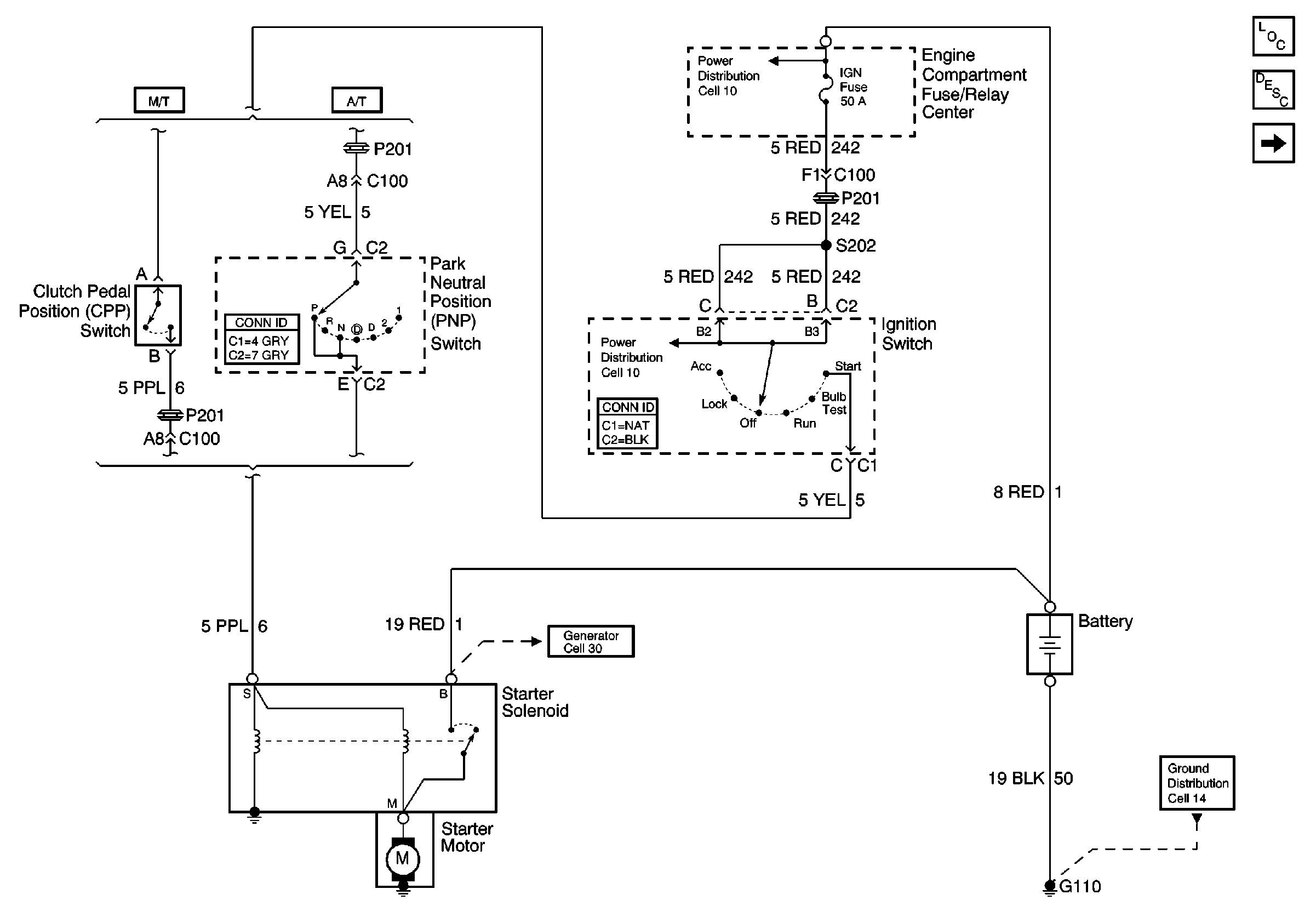
🢒 Starting and Charging Schematics
Figure
1:
Starting System
Engine Electrical Components
Starting System Circuit Description
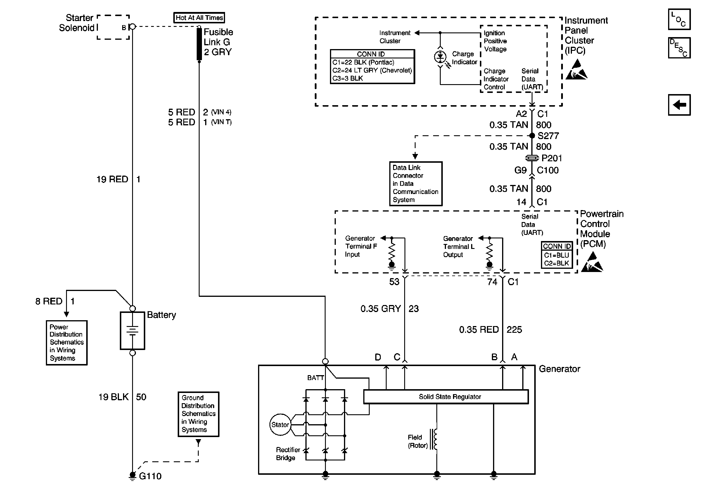
Charging System
Figure
2:
Charging System
Engine Electrical Components
Charging System Circuit Description
Starting System
Handling Electrostatic Discharge Sensitive Parts Notice
Handling Electrostatic Discharge Sensitive Parts Notice