GM Service Manual Online
For 1990-2009 cars only
Makes
🢒
Pontiac
🢒
2000
🢒
Sunfire
🢒
Transmission/Transaxle
🢒
Automatic Transaxle - 4T40-E/4T45-E
🢒 Automatic Transmission Controls Schematics
Figure
1:
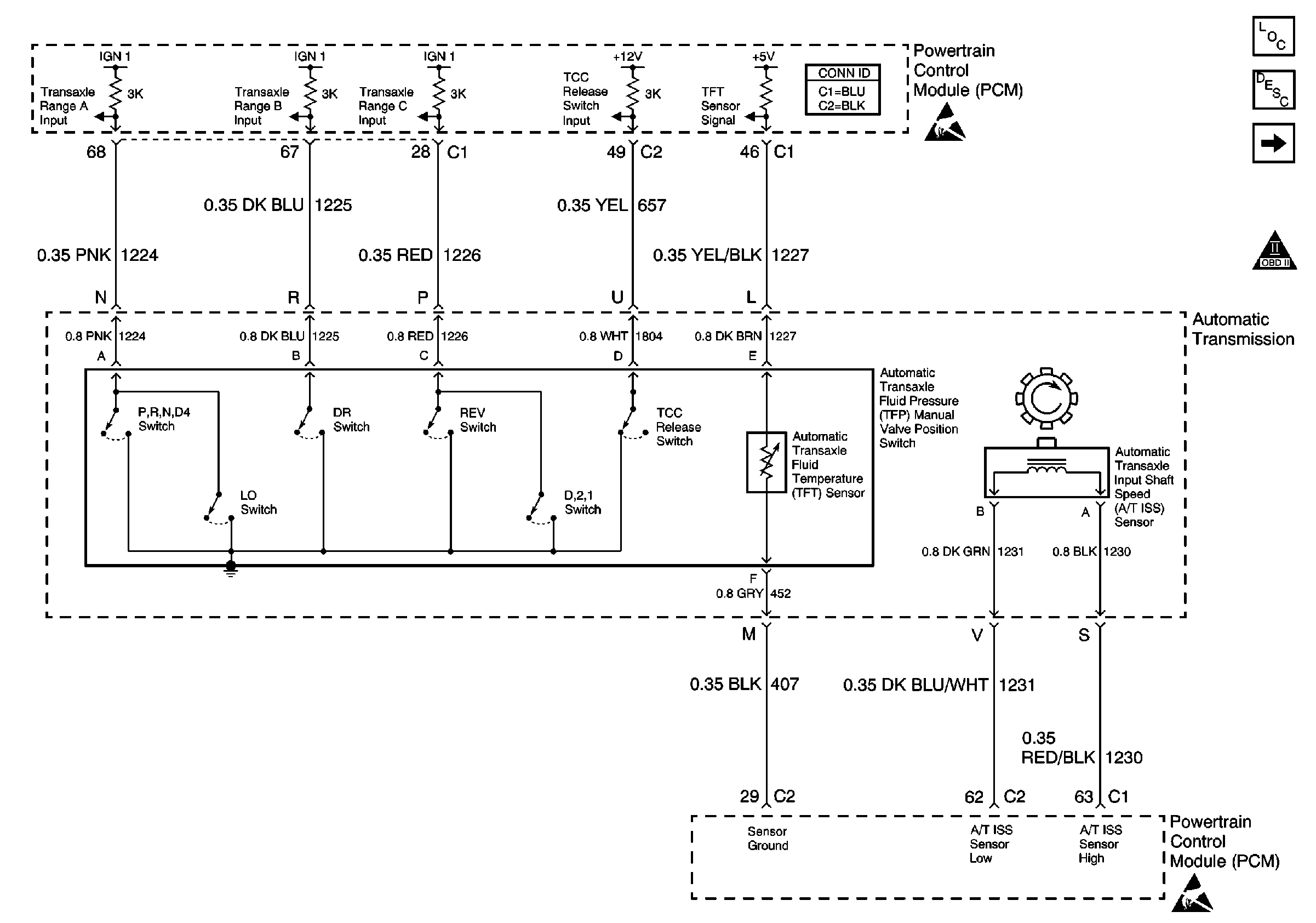
PCM, TFP Manual Valve Position Switch, and VSS
Automatic Transmission Components
Electronic Component Description
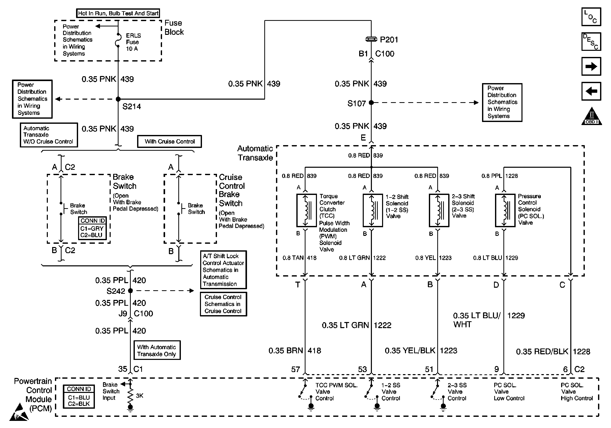
Power, Cruise Control Brake Switch, Brake Switch and Solenoids
OBD II Symbol Description Notice
Handling ESD Sensitive Parts Notice
Handling ESD Sensitive Parts Notice
Figure
2:
Power, Cruise Control Brake Switch, Brake Switch and Solenoids
Automatic Transmission Components
Electronic Component Description
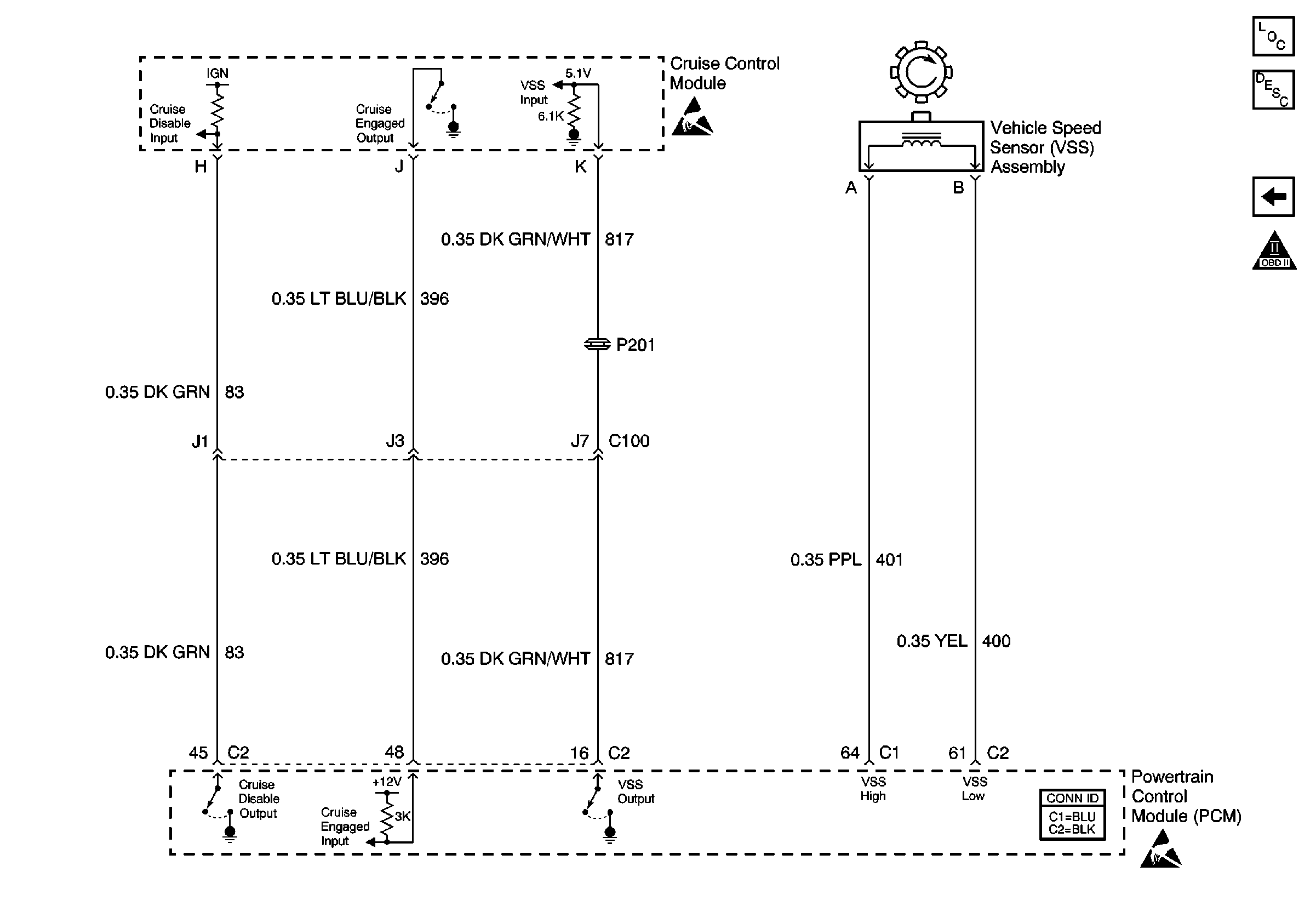
Cruise Control Module and VSS
PCM, TFP Manual Valve Position Switch, and VSS
OBD II Symbol Description Notice
ALARM, and ERLS Fuses
ALARM, and ERLS Fuses
Cruise Control Schematics
Handling ESD Sensitive Parts Notice
Figure
3:
Cruise Control Module and VSS
Automatic Transmission Components
Electronic Component Description
Power, Cruise Control Brake Switch, Brake Switch and Solenoids
OBD II Symbol Description Notice
Handling ESD Sensitive Parts Notice
Handling ESD Sensitive Parts Notice