GM Service Manual Online
For 1990-2009 cars only
Makes
🢒
Pontiac
🢒
2000
🢒
Sunfire
🢒
Body and Accessories
🢒
Lighting Systems
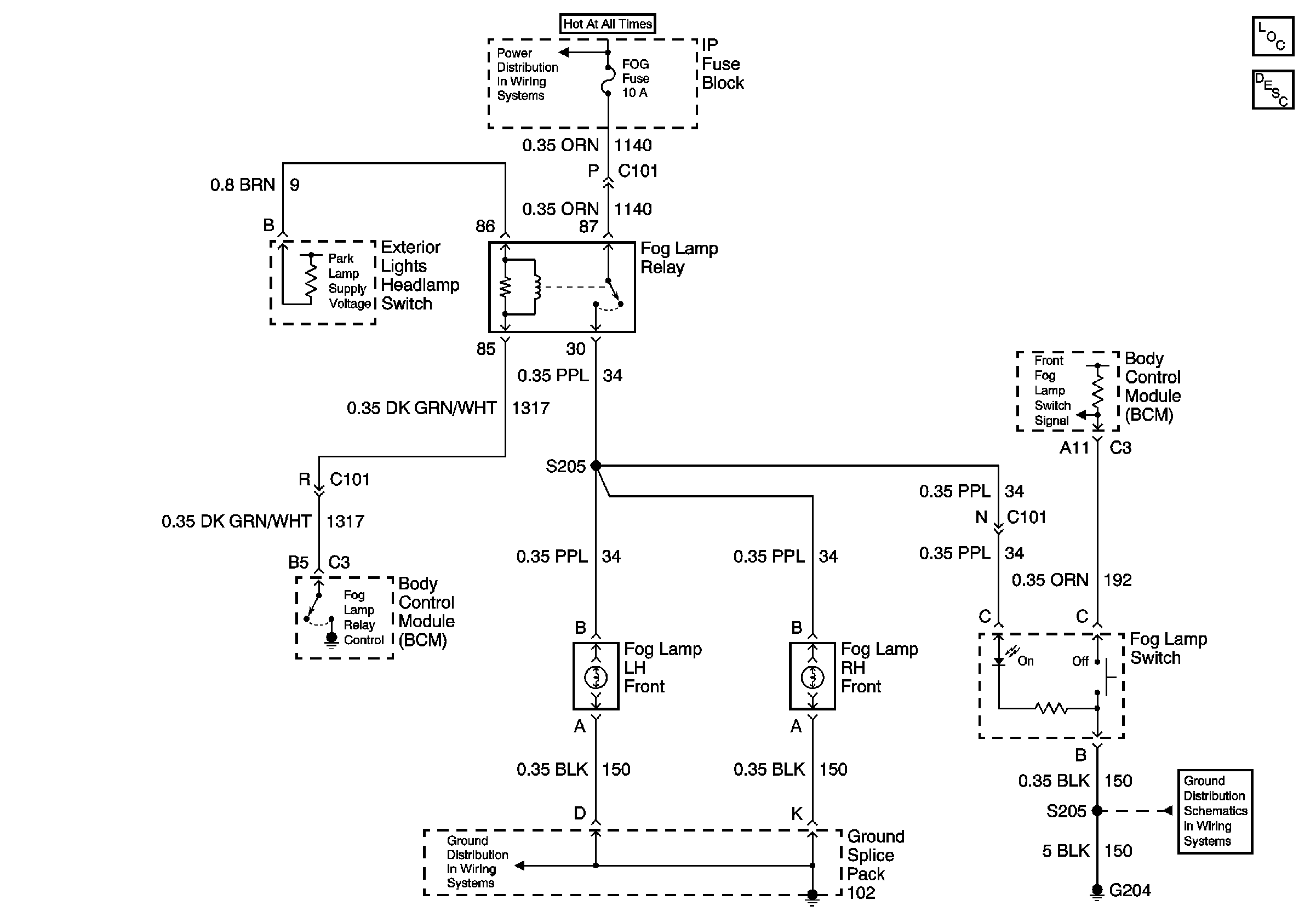
🢒 Fog Lights Schematics
Fog Lamps
Lighting Systems Components
Exterior Lights Circuit Description
Interior Lights Dimming Schematics
Ground Distribution Schematics
Ground Distribution Schematics
Ground Distribution Schematics
Handling ESD Sensitive Parts Notice
Handling ESD Sensitive Parts Notice