GM Service Manual Online
For 1990-2009 cars only
Makes
🢒
Pontiac
🢒
2000
🢒
Sunfire
🢒
Body and Accessories
🢒
Instrument Panel, Gauges, and Console
🢒 Audible Warnings Schematics
Figure
1:
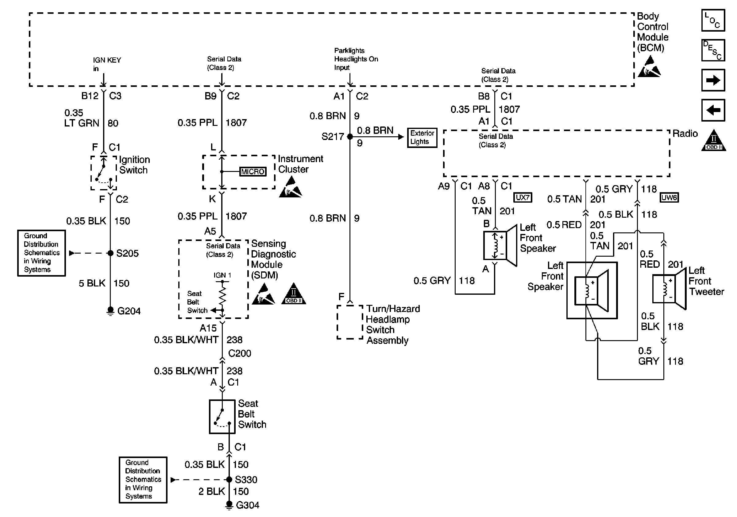
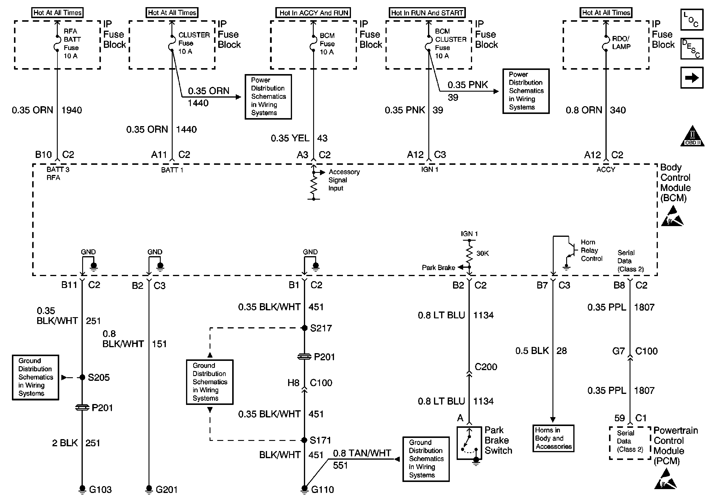
PWR, GND, BCM, PCM, and Park Brake Indicator Sw
Figure
2:
BCM, PCM, Ign Key Alarm Sw, Seat Belt Sw, and Radio Chime
Figure
3:
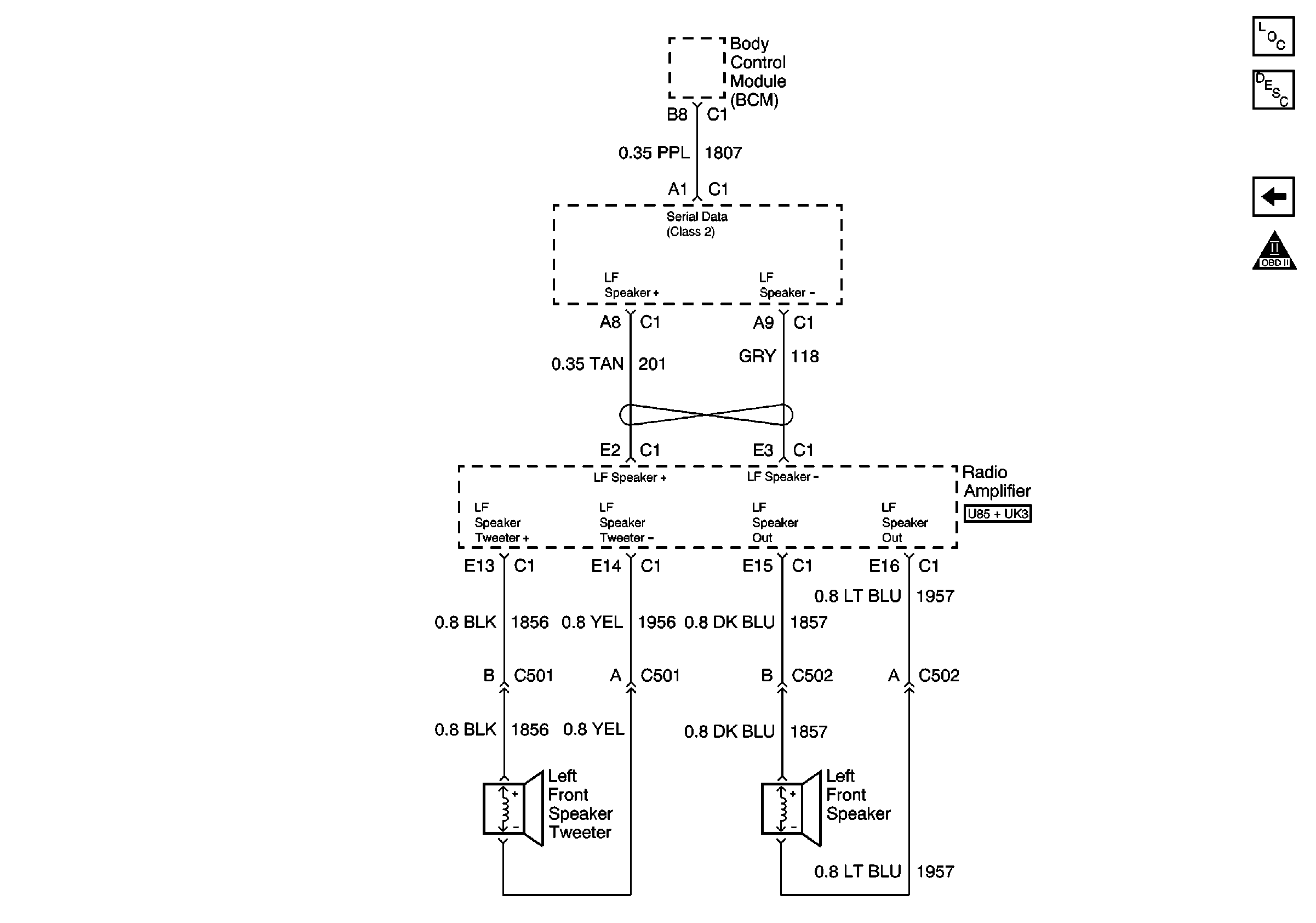
BCM, Radio Chime w/ Monsoon Speakers