GM Service Manual Online
For 1990-2009 cars only

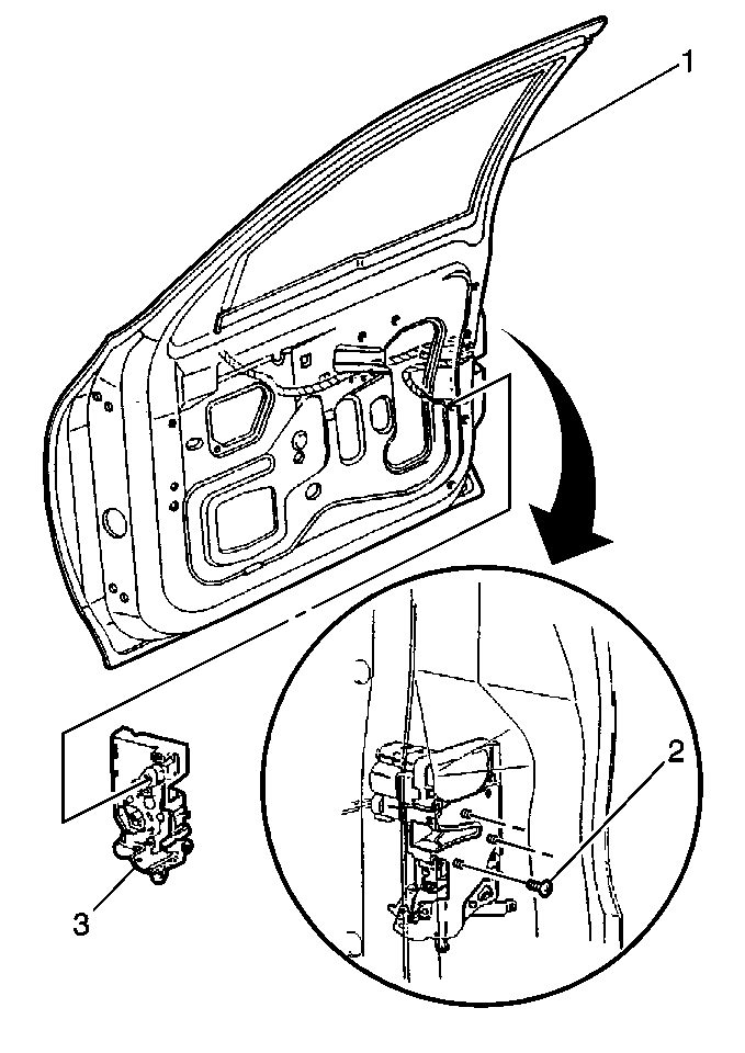
Removal Procedure


    Object Number: 279046  Size: MH
  1. Raise the window to the full UP position.
  2. Remove the front door trim panel. Refer to Door Trim Panel Replacement .
  3. Remove the front door water deflector in order to access the front door lock assembly. Refer to Door Water Deflector Replacement .
  4. Remove the front door inside handle. Refer to Door Inside Handle Replacement .
  5. Remove the outside handle rod. Refer to Door Outside Handle Replacement .
  6. Remove the lock rod. Refer to Front Side Door Locking Rod Replacement .
  7. Remove the lock assembly bolts (2).
  8. Remove the lock assembly (3).
  9. Remove the inside handle rods from the front door lock assembly (3).

Installation Procedure


    Object Number: 279046  Size: MH
  1. Install the inside handle rods to the front door lock assembly (3).
  2. Install the front door lock assembly (3).
  3. Notice: Use the correct fastener in the correct location. Replacement fasteners must be the correct part number for that application. Fasteners requiring replacement or fasteners requiring the use of thread locking compound or sealant are identified in the service procedure. Do not use paints, lubricants, or corrosion inhibitors on fasteners or fastener joint surfaces unless specified. These coatings affect fastener torque and joint clamping force and may damage the fastener. Use the correct tightening sequence and specifications when installing fasteners in order to avoid damage to parts and systems.

  4. Install the front door lock assembly bolts (2).
  5. Tighten
    Tighten the bolts to 10 N·m (89 lb in).

  6. Install the front door lock rod. Refer to Front Side Door Locking Rod Replacement .
  7. Install the outside handle rod. Refer to Door Outside Handle Replacement .
  8. Install the inside handle. Refer to Door Inside Handle Replacement .
  9. Install the water deflector. Refer to Door Water Deflector Replacement .
  10. Install the front door trim panel. Refer to Door Trim Panel Replacement .