GM Service Manual Online
For 1990-2009 cars only

Door Window Regulator Replacement Standard

Removal Procedure

Tools Required

J 9886-01 Regulator Handle Clip Remover


    Object Number: 5087  Size: SH
  1. Place the door window regulator handle in the upward position.
  2. Insert the J 9886-01 or an equivalent between the door window regulator handle and the door trim panel.
  3. Push the J 9886-01 downward.

  4. Object Number: 279003  Size: SH
  5. Remove the door window regulator handle (4).
  6. Remove the door window regulator handle bearing plate.

Installation Procedure


    Object Number: 279003  Size: SH
  1. Install the retaining clip to the door window regulator handle (4).
  2. Install the door window regulator handle bearing plate.
  3. Place the door window in the closed position.
  4. Push the door window regulator handle (4) in order to secure the retaining clip.

Door Window Regulator Replacement Convertible

Removal Procedure

  1. Remove the trim panel. Refer to Upper Extension Trim Panel Replacement .
  2. Remove the door trim panel. Refer to Door Trim Panel Replacement .
  3. Peel the water deflector away from the door inner panel as necessary. Refer to Door Water Deflector Replacement .

  4. Object Number: 299079  Size: SH

    Caution: Disconnect the power window switch when working inside the driver's door. When operated, the Express Down Feature allows the door window to drop very quickly, without stopping, which could cause personal injury.

  5. Loosen the nuts (3) in order to allow removal of the door glass from the regulator. Secure the door glass.

  6. Object Number: 521656  Size: SH
  7. Remove the downstop bumper from the door frame.
  8. Disconnect the window regulator wire connector (if equipped).

  9. Object Number: 299077  Size: SH

    Caution: Eye protection must be worn when drilling rivets to reduce the chance of personal injury.

  10. Punch out the center pins in order to remove the rivets (3).
  11. Drill out the rivets.

  12. Remove the screws (2).
  13. Remove the window regulator assembly (1) through the door inner panel access hole.
  14. Clean any rivet debris from the bottom of the door.

Installation Procedure


    Object Number: 299077  Size: SH
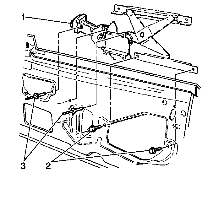
  1. Install the window regulator assembly (1) through the door inner panel access hole.
  2. Add LOCTITEâ„¢ 242 or equivalent to the screw threads.
  3. Install the screws (2).
  4. Install the rivets (3) that attach the window regulator assembly (1) to the door inner panel.
  5. Connect the power window regulator wire connector (if equipped).

  6. Object Number: 521656  Size: SH
  7. Install the downstop bumper to the door frame.

  8. Object Number: 299079  Size: SH

    Notice: Use the correct fastener in the correct location. Replacement fasteners must be the correct part number for that application. Fasteners requiring replacement or fasteners requiring the use of thread locking compound or sealant are identified in the service procedure. Do not use paints, lubricants, or corrosion inhibitors on fasteners or fastener joint surfaces unless specified. These coatings affect fastener torque and joint clamping force and may damage the fastener. Use the correct tightening sequence and specifications when installing fasteners in order to avoid damage to parts and systems.

  9. Install the nuts (3) that attach the door window glass.
  10. Tighten
    Tighten the nuts (3) to 6 N·m (53 lb in).

  11. Inspect the operation of the window regulator assembly.
  12. Inspect for proper alignment of the door window glass.
  13. Install the water deflector. Refer to Door Water Deflector Replacement .
  14. Install the trim panel. Refer to Upper Extension Trim Panel Replacement .
  15. Install te door trim panel. Refer to Door Trim Panel Replacement .