GM Service Manual Online
For 1990-2009 cars only
Makes
🢒
Pontiac
🢒
2000
🢒
Sunfire
🢒
Body and Accessories
🢒
Doors
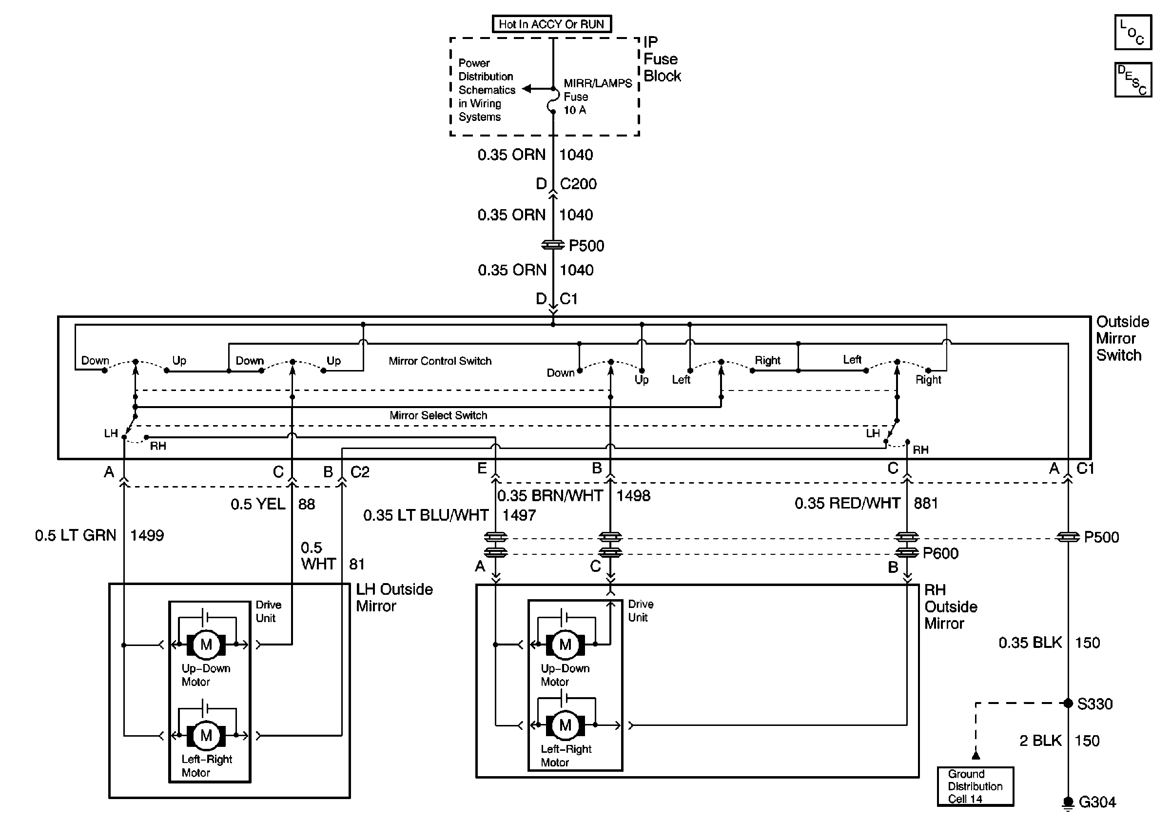
🢒 Outside Rearview Mirror Schematics
Power Mirrors