GM Service Manual Online
For 1990-2009 cars only

Rear Quarter Trim Panel Replacement 2 Door

Removal Procedure

  1. Remove the rear seatback assembly. Refer to Rear Seat Back Replacement .
  2. Remove the coat hook. Refer to Coat Hook Replacement .

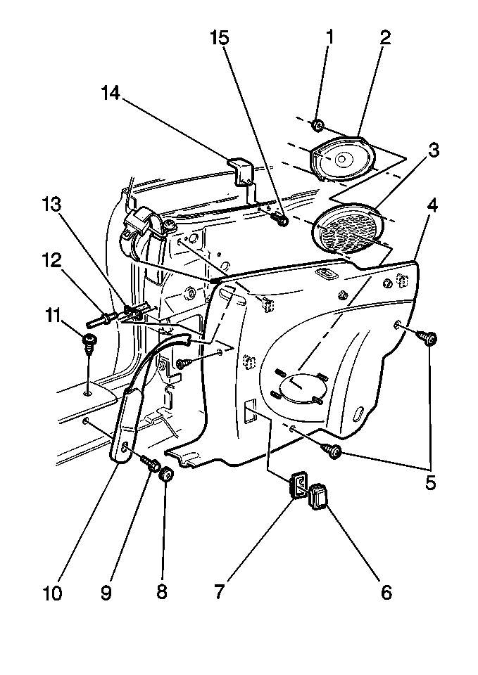
  3. Object Number: 295770  Size: SH
  4. Remove the quarter panel extension retainer (1).
  5. Remove the quarter trim panel extension (2).

  6. Object Number: 295774  Size: SH
  7. Remove the seat belt opening escutcheon (1).
  8. Remove side belt anchor bolt from the front seat retractor. Refer to the following procedures:
  9. •  Seat Belt Retractor Replacement - Left Front in Seat Belts.
    •  Seat Belt Retractor Replacement - Right Front in Seat Belts.
  10. Disengage the fasteners.

  11. Object Number: 295776  Size: MH
  12. Remove the quarter trim panel (1).
  13. Remove the front seat retractor side belt (2) through the opening in the quarter trim panel (1).
  14. Remove the rear seat outer retractor side belt (3) through the slot in the quarter trim panel (1).

Installation Procedure


    Object Number: 295776  Size: MH
  1. Install the rear seat outer retractor side belt (3) through the slot in the quarter trim panel (1).
  2. Install the front seat retractor side belt (2) through the opening in the quarter trim panel.
  3. Install the quarter trim panel (1).
  4. Install the side belt anchor bolt to the front seat retractor. Refer to the following procedures:
  5. •  Seat Belt Retractor Replacement - Left Front in Seat Belts.
    •  Seat Belt Retractor Replacement - Right Front in Seat Belts.

    Object Number: 295774  Size: SH
  6. Install the seat belt opening escutcheon (1).

  7. Object Number: 295770  Size: SH
  8. Install the quarter trim panel extension (2).
  9. Install the quarter trim panel extension retainer (1).
  10. Install the coat hook (2). Refer to Coat Hook Replacement .
  11. Install the rear seatback assembly. Refer to Rear Seat Back Replacement .

Rear Quarter Trim Panel Replacement 4 Door

Removal Procedure

  1. Remove the rear seatback assembly. Refer to Rear Seat Back Replacement in Seats.

  2. Object Number: 295779  Size: SH
  3. Disengage the upper quarter trim panel fasteners.
  4. Remove the upper quarter trim panel (1).

  5. Object Number: 295780  Size: SH
  6. Remove the lower quarter trim panel retainer (1).
  7. Disengage the lower quarter trim panel fasteners.
  8. Remove the lower quarter trim panel (2).

Installation Procedure


    Object Number: 295780  Size: SH
  1. Install the lower quarter trim panel (2).
  2. Install the lower quarter trim panel retainer (1).

  3. Object Number: 295779  Size: SH
  4. Install the upper quarter trim panel (1).
  5. Install the rear seatback assembly. Refer to Rear Seat Back Replacement in Seats.

Rear Quarter Trim Panel Replacement Convertible

Removal Procedure


    Object Number: 299084  Size: MH
  1. Remove the rear seat back. Refer to Rear Seat Back Replacement .
  2. Remove the rear seat cushion. Refer to Rear Seat Cushion Replacement .
  3. Remove the two screws from the rear-most end of the carpet retainer (11).
  4. Remove the front seat belt retractor anchor bolt cap (8) and bolt (9).
  5. Pry the courtesy lamp assembly (6) from the courtesy lamp retainer (7).
  6. Disconnect the wire harness from the courtesy lamp.
  7. Bend the tabs in order to remove the courtesy lamp retainer (7) from the quarter trim panel (4), if required.
  8. Remove the quarter trim panel retaining screws (5).
  9. Pull the quarter trim panel (4) inboard in order to clear the carpet retainer.
  10. Remove the front retractor belt end through the slot in the quarter trim panel.
  11. Disconnect the electrical connector from the speaker (2).
  12. Remove the quarter trim panel (4) from the vehicle.
  13. Remove the retainers and sound deadener, if required:

Installation Procedure


    Object Number: 299084  Size: MH
  1. Install the sound deadener and the retainers, if removed:
  2. Install the courtesy lamp retainer (7), if removed.
  3. Bend the retainer tabs in order to secure the retainer to the quarter trim panel (4).

  4. Position the quarter trim panel (4) in the vehicle.
  5. Connect the electrical connector to the speaker (2).
  6. Press the courtesy lamp assembly (6) into the courtesy lamp retainer (7).
  7. Connect the wire harness.

  8. Install the quarter trim panel (4). Route the front retractor belt end through the slot in the quarter trim panel.
  9. Engage the panel retainer clips to the quarter structure.
  10. Notice: Use the correct fastener in the correct location. Replacement fasteners must be the correct part number for that application. Fasteners requiring replacement or fasteners requiring the use of thread locking compound or sealant are identified in the service procedure. Do not use paints, lubricants, or corrosion inhibitors on fasteners or fastener joint surfaces unless specified. These coatings affect fastener torque and joint clamping force and may damage the fastener. Use the correct tightening sequence and specifications when installing fasteners in order to avoid damage to parts and systems.

  11. Install the quarter trim panel screws (5).
  12. Tighten
    Tighten the screws to 2 N·m (18 lb in).

  13. Install the front seat belt retractor anchor bolt (9).
  14. Tighten
    Tighten the seat belt retractor bolt to 42 N·m (31 lb ft).

  15. Install the front seat belt retractor anchor bolt cover (8).
  16. Install the carpet retainer screw (11).
  17. Install the rear seat cushion. Refer to Rear Seat Cushion Replacement .
  18. Install the rear seat back. Refer to Rear Seat Back Replacement .