GM Service Manual Online
For 1990-2009 cars only
Makes
🢒
Pontiac
🢒
2000
🢒
Sunfire
🢒 Fuel Controls
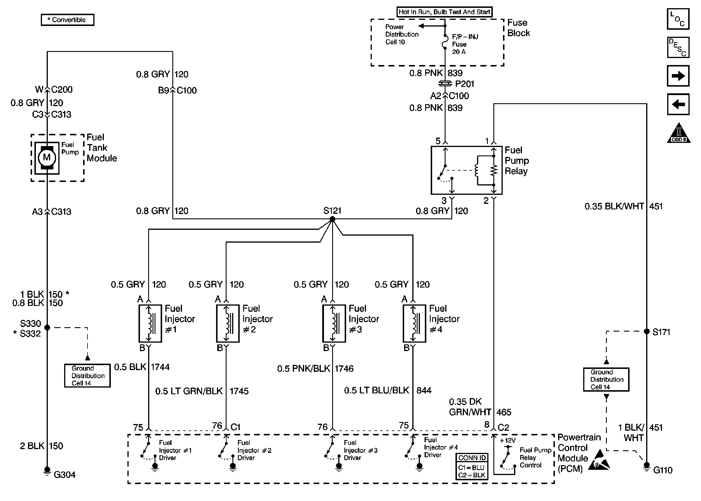
Fuel Controls
Fuel Controls
Engine Controls Components
Information Sensors/Switches Description
Engine Data Sensors
Ignition Controls
OBD II Symbol Description Notice
Handling ESD Sensitive Parts Notice
Ground Distribution Schematics
Power Distribution Schematics
Engine Controls Connector End Views
Ground Distribution Schematics