GM Service Manual Online
For 1990-2009 cars only
Makes
🢒
Pontiac
🢒
2000
🢒
Sunfire
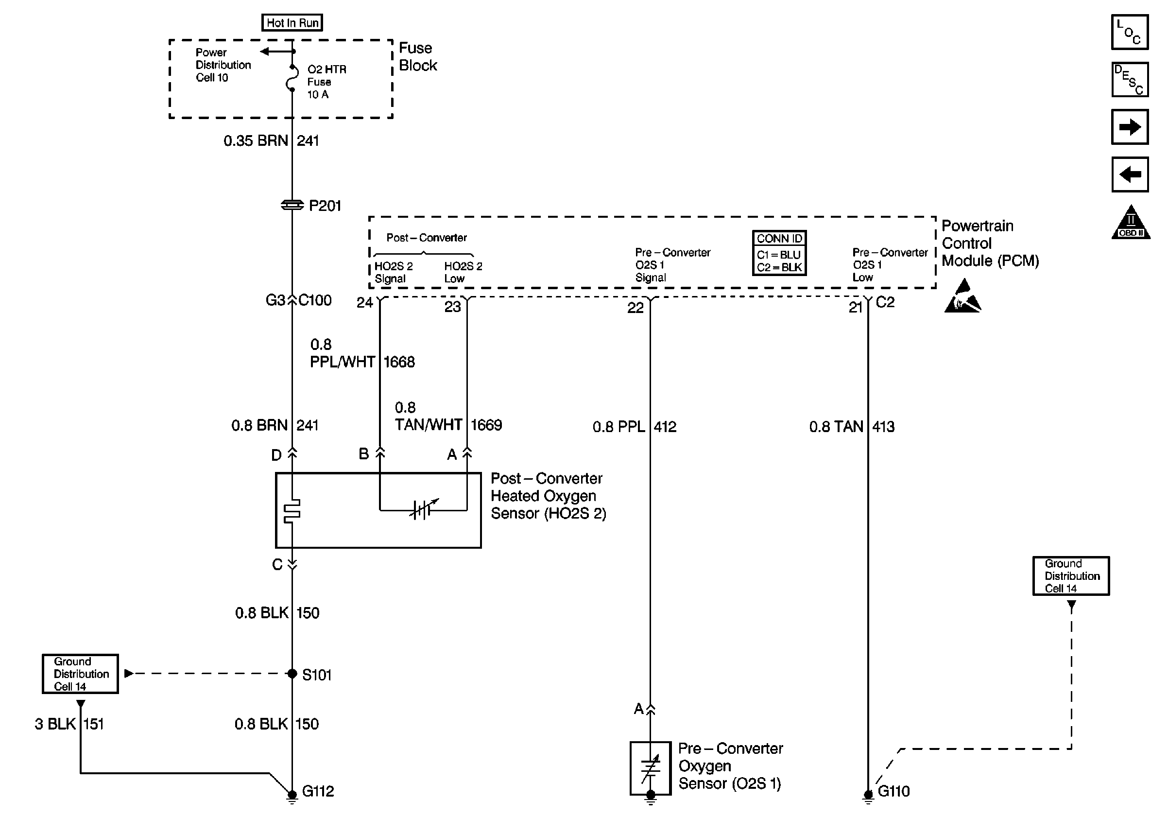
🢒 Oxygen Sensors
Oxygen Sensors
Oxygen Sensors
Engine Controls Components
Information Sensors/Switches Description
IAC Valve, Generator, TR, Oil, and Coolant Switches
EVAP and EGR Controls
OBD II Symbol Description Notice
Handling ESD Sensitive Parts Notice
Ground Distribution Schematics
Engine Controls Connector End Views
Power Distribution Schematics
Ground Distribution Schematics