GM Service Manual Online
For 1990-2009 cars only
Makes
🢒
Pontiac
🢒
2000
🢒
Sunfire
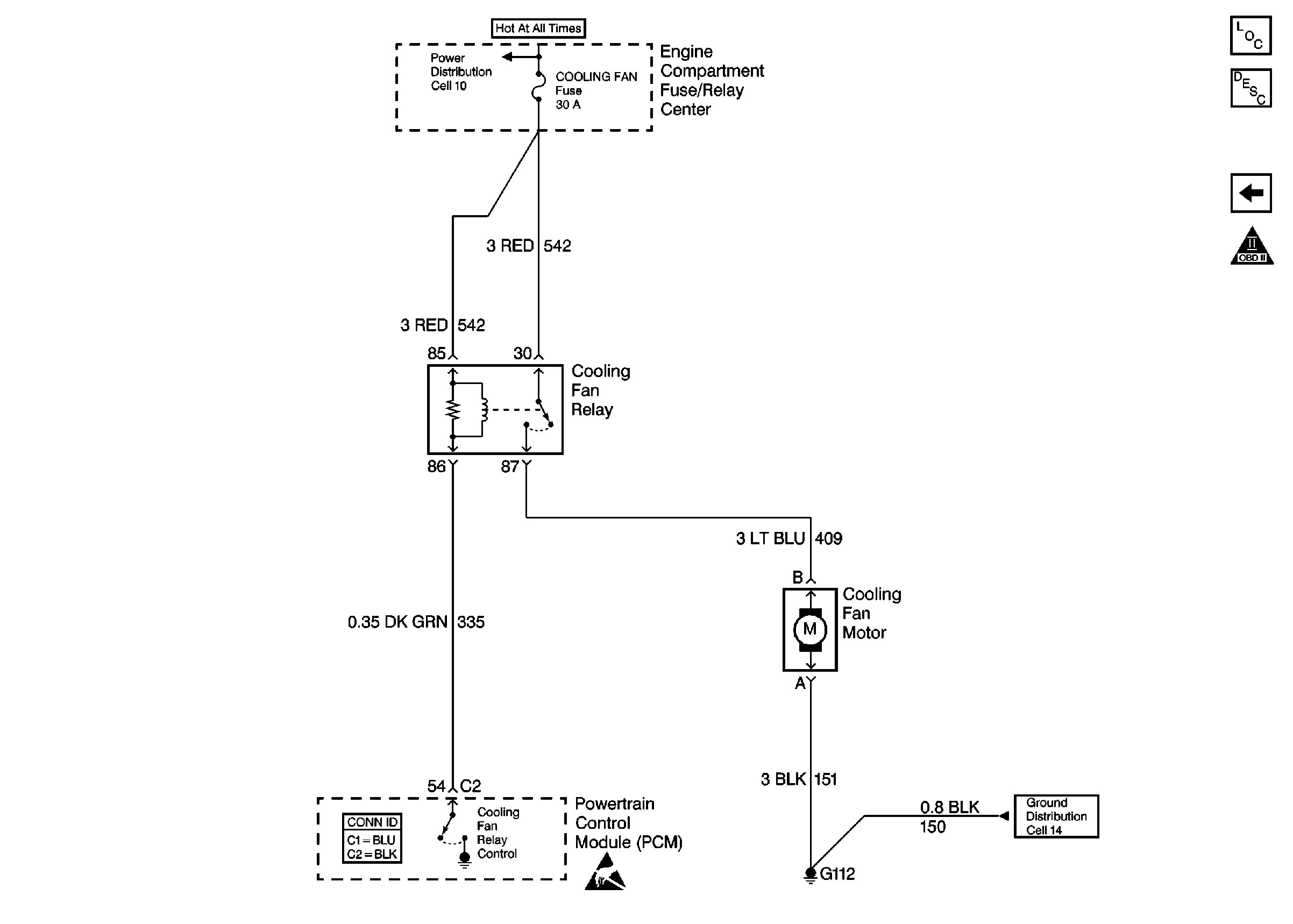
🢒 Cooling Fan Controls
Cooling Fan Controls
Cooling Fan Controls
Engine Controls Components
Information Sensors/Switches Description
A/C Controls
OBD II Symbol Description Notice
Handling ESD Sensitive Parts Notice
Ground Distribution Schematics
Power Distribution Schematics
Engine Controls Connector End Views