GM Service Manual Online
For 1990-2009 cars only

Refer to the

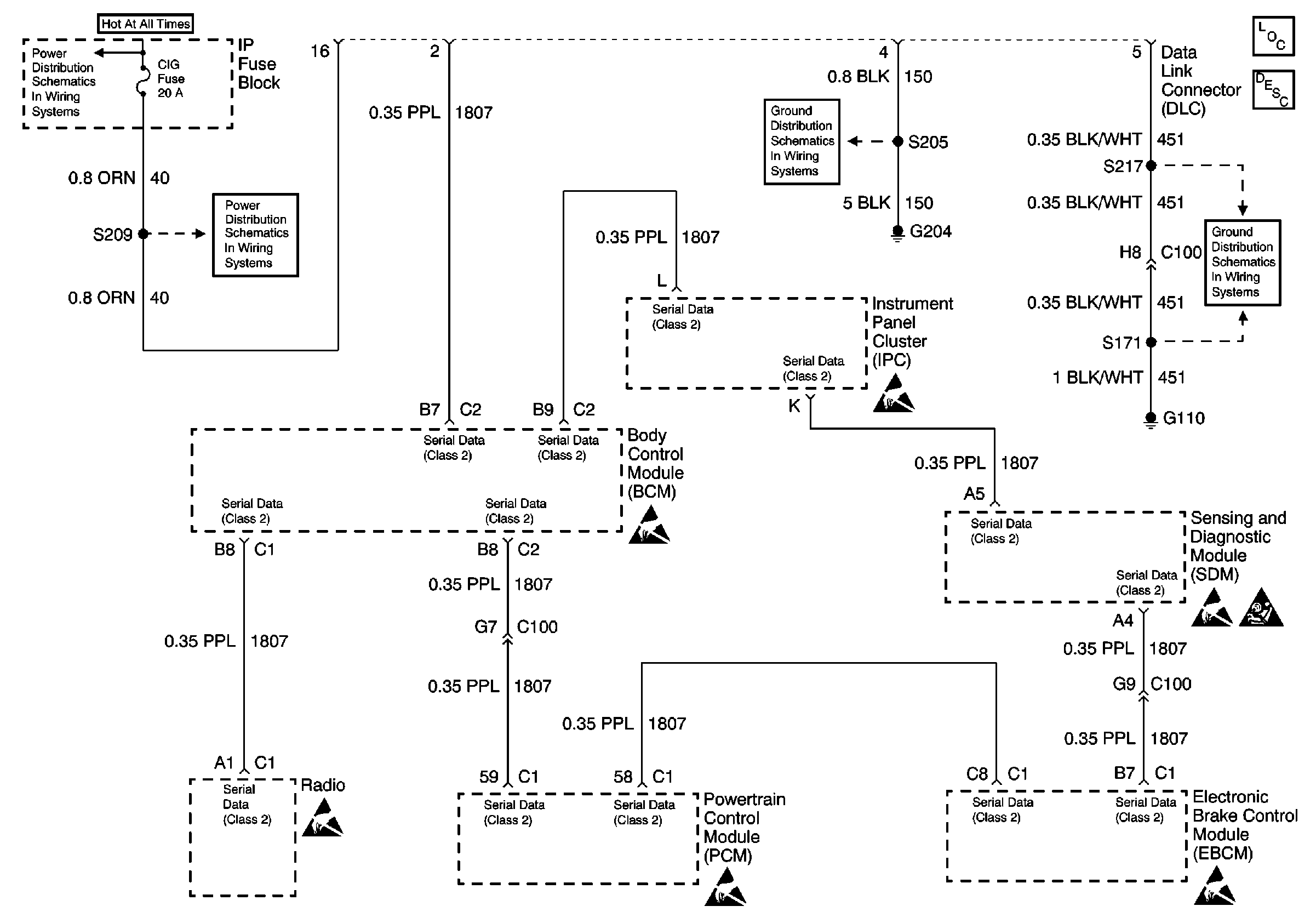
Class 2 Data Lines


Object Number: 467264  Size: FS
Power Distribution Schematics
Power Distribution Schematics
Ground Distribution Schematics
Ground Distribution Schematics
Data Link Communications Components
Data Link Communications Circuit Description
.

Circuit Description

Modules connected to the class 2 serial data circuit monitor for serial data communications during normal vehicle operation. Operating information and commands are exchanged among the modules. When a module receives a message for a critical operating parameter, the module records the ID number of the module which sent the message for State of Health monitoring (Node Alive messages). A critical operating parameter is one which, when not received, requires that the module use a default value for that parameter. When a module does not associate an ID number with at least one critical parameter within about five seconds of beginning serial data communication, DTC U1000 is set. When more than one critical parameter does not have an ID number associated with it, the DTC will only be reported once.

Conditions for Running the DTC

The vehicle power mode (ignition switch position) requires serial data communication to occur.

Conditions for Setting the DTC

At least one critical operating parameter has not been associated with an ID number within about five seconds after beginning serial data communication.

Action Taken When the DTC Sets

    • The SERVICE VEHICLE SOON indicator illuminates.
    • The module uses a default value for the missing parameter.

Conditions for Clearing the DTC

    • A current U1000 will clear when all critical operating parameters for the module have been associated with an ID number, or at the end of the current ignition cycle.
    • A history U1000 will clear upon receipt of a scan tool CLEAR DTCs command.

Diagnostic Aids

When a malfunction (such as a blown fuse to a module) occurs while modules are communicating, a Loss of XXX Communication DTC is set as current. When the modules stop communicating (ignition is turned off) the current Loss of XXX Communication DTC is cleared but the history DTC remains. When the modules begin to communicate again, the module with the blown fuse will not be learned by the other modules so U1000 is set current by the other modules. If the malfunction occurs when the modules are not communicating, only U1000 is set.

Test Description

The number(s) below refer to the step number(s) on the diagnostic table.

  1. A Loss of XXX Communication DTC with a history status may indicate the cause of U1000.

  2. The module(s) which is not communicating is the likely cause of U1000.

  3. The module which was not communicating due to a poor connection to the class 2 serial data circuit may have set Loss of XXX Communication DTCs for those modules that it was monitoring.

  4. The modules which can communicate indicate the module which can not communicate. You must clear the DTC from these modules to avoid further misdiagnosis.

  5. If all modules are communicating, the module which set U1000 may have done so due to some other condition.

Step

Action

Yes

No

1

Were any DTCs in the range of U1001-U1199 recorded with a history status?

Go to Diagnostic Trouble Code (DTC) List

Go to Step 2

2

  1. Turn ON the ignition leaving the engine OFF.
  2. Use the scan tool to communicate with each module on the class 2 serial data circuit. (If using a Tech 2, obtain this information using the class 2 Message Monitor feature.) Refer to Data Link Connector Schematics .
  3. Record all the modules communicating on the class 2 serial data circuit.
  4. Compare the list of modules which are communicating to the schematic showing which modules are connected to the class 2 serial data circuit.

Does any module(s) on the class 2 serial data circuit not communicate?

Go to Step 3

Go to Step 11

3

Test the battery positive voltage circuit of the module that is not communicating for an open or a short to ground. Refer to Circuit Testing and Wiring Repairs in Wiring Systems. Refer to Control Module References for the appropriate schematic.

Did you find and correct the condition?

Go to Step 9

Go to Step 4

4

  1. Turn OFF the ignition.
  2. Test the ground circuit of the module that is not communicating for an open. Refer to Circuit Testing and Wiring Repairs in Wiring Systems. Refer to Control Module References for the appropriate schematic.

Did you find and correct the condition?

Go to Step 9

Go to Step 5

5

Inspect for poor connections at the battery positive voltage circuit(s), the ground circuit(s) and the class 2 serial data circuit(s) of the module that is not communicating. Refer to Testing for Intermittent Conditions and Poor Connections and Connector Repairs in Wiring Systems.

Did you find and correct the condition?

Go to Step 7

Go to Step 6

6

Replace the module that is not communicating. Refer to Control Module References for the appropriate repair instructions for the module replacement.

Did you complete the replacement?

Go to Step 9

--

7

  1. Connect the scan tool to the data link connector.
  2. Turn ON the ignition leaving the engine OFF.
  3. Select the DISPLAY DTCs function for the module that was not communicating.

Does the scan tool display any DTCs that do not begin with "U"?

Go to Control Module References for the applicable Diagnostic System Check

Go to Step 8

8

Use the scan tool in order to clear the DTCs.

Did you complete the action?

Go to Step 9

--

9

Select the DISPLAY DTCs function for the module(s) which had U1000 set as a current DTC.

Does the scan tool display any DTCs that do not begin with "U"?

Go to Control Module References for the applicable Diagnostic System Check

Go to Step 10

10

Use the scan tool in order to clear the DTCs.

Did you complete the action?

System OK

--

11

Did you record any other DTCs for the module(s) which had U1000 set as a current DTC?

Go to Control Module References for the applicable Diagnostic System Check

Go to Step 12

12

  1. Install the scan tool
  2. Turn ON the ignition leaving the engine OFF.
  3. Use the scan tool to clear the DTCs.
  4. Turn OFF the ignition for at least 5 seconds.
  5. Turn ON the ignition leaving the engine OFF.
  6. Select the DISPLAY DTCs function.

Does the scan tool display U1000 set as a current DTC?

Go to Step 13

Go to Diagnostic Aids

13

Replace the module which had U1000 set as a current DTC. Refer to Control Module References for the appropriate repair instructions for the module replacement.

Did you complete the replacement?

System OK

--