GM Service Manual Online
For 1990-2009 cars only

Refer to

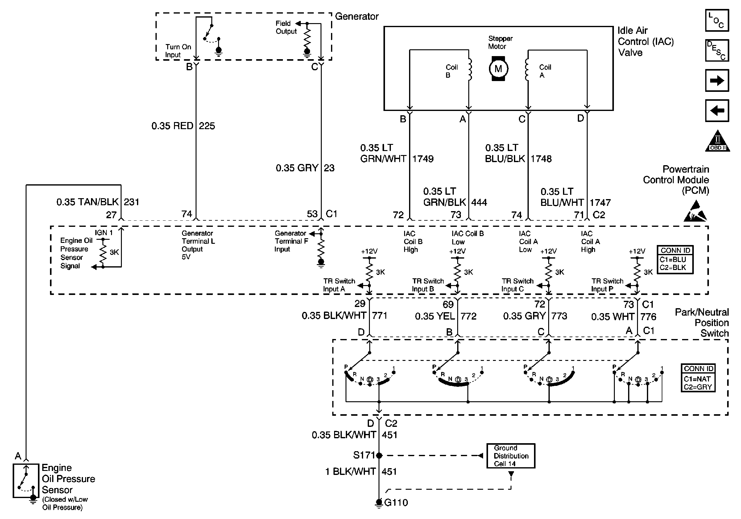
Power, Ground, IAC, Generator and PNP Switch


Object Number: 528932  Size: FS
Engine Controls Components
Powertrain Control Module Description
Cruise Control Module and VSS
Power, Ground and EVAP
OBD II Symbol Description Notice
G110
Handling ESD Sensitive Parts Notice
.

Circuit Description

The PCM uses the generator turn on signal circuit to control the load of the generator on the engine. A high side driver in the PCM applies a voltage to the voltage regulator. This signals the voltage regulator to turn the field circuit ON and OFF. When the PCM turns ON the high side driver, the voltage regulator turns ON the field circuit. When the PCM turns OFF the high side driver, the voltage regulator turns OFF the field circuit.

The PCM monitors the state of the generator turn on signal circuit. The PCM should detect a low generator turn on signal circuit voltage when the key is ON and the engine is OFF, or when the charging system malfunctions. With the engine running, the PCM should detect a high generator turn on signal circuit. The PCM performs key ON and RUN tests to determine the status of the generator turn on signal circuit. During the key ON test, if the PCM detects a high generator turn on signal circuit voltage, DTC P0621 will set. DTC P0621 will also set if, during the RUN test, the PCM detects a low generator turn on signal circuit. When the DTC sets, the PCM will send a class 2 serial data message to the IPC to illuminate the charge indicator.

Conditions for Running the DTC

Key ON Test

    • No generator, CKP sensors, or CMP sensor DTCs are set.
    • The key is in the RUN position.
    • The engine is not running.

Run Test

    • No generator, CKP sensors, or CMP sensor DTCs are set.
    • The engine is running.

Conditions for Setting the DTC

    • During the key ON test, the PCM detects a high signal voltage on the generator turn on signal circuit for at least 5 seconds.
        OR
    • During the RUN test, the PCM detects a low signal voltage on the generator turn on signal circuit for at least 15 seconds.

Action Taken When the DTC Sets

    • The PCM will not illuminate the Malfunction Indicator Lamp (MIL)
    • The PCM will store the conditions present when the DTC set as Fail Records data only.

Conditions for Clearing the MIL/DTC

    • The history DTC will clear after 40 consecutive warm-up cycles have occurred without a malfunction.
    • The DTC can be cleared by using the scan tool Clear DTC Information function.

Step

Action

Yes

No

1

Did you perform the Powertrain On Board Diagnostic (OBD) System Check?

Go to Step 2

Go to Powertrain On Board Diagnostic (OBD) System Check

2

  1. Install a scan tool.
  2. Start the engine.
  3. With a scan tool, monitor the DTC information for DTC P0621.

Does the scan tool indicate that DTC P0621 has passed?

Go to Testing for Intermittent Conditions and Poor Connections in Wiring Systems

Go to Step 3

3

Test the generator turn on signal circuit for a short or open. Refer to Circuit Testing and Wiring Repairs in Wiring Systems.

Did you find and correct the condition?

Go to Step 6

Go to Step 4

4

Inspect for poor connections at the harness connector of the PCM. Refer to Connector Repairs in Wiring Systems.

Did you find and correct the condition?

Go to Step 6

Go to Step 5

5

Important: The replacement PCM must be programmed.

Replace the PCM. Refer to Powertrain Control Module Replacement .

Did you complete the replacement?

Go to Step 6

--

6

  1. Clear the DTCs with the scan tool.
  2. Start the engine.
  3. Idle the engine at the normal operating temperature.
  4. Operate the vehicle within the Conditions for Setting the DTC as specified in the supporting text.

Does the scan tool indicate that this diagnostic ran and passed?

Go to Step 7

Go to Step 2

7

Check to see if any additional DTCs are set.

Does the scan tool display any DTCs that you have not diagnosed?

Go to Diagnostic Trouble Code (DTC) List/Type

System OK