GM Service Manual Online
For 1990-2009 cars only

Removal Procedure

Notice: Do not use solvent of any type when cleaning the gasket surfaces on the intake manifold and the throttle body assembly, as damage to the gasket surfaces and throttle body assembly may result.

Use care in cleaning the gasket surfaces on the intake manifold and the throttle body assembly, as sharp tools may damage the gasket surfaces.

Notice: Do not use any solvent that contains Methyl Ethyl Ketone (MEK). This solvent may damage fuel system components.

    Caution: Unless directed otherwise, the ignition and start switch must be in the OFF or LOCK position, and all electrical loads must be OFF before servicing any electrical component. Disconnect the negative battery cable to prevent an electrical spark should a tool or equipment come in contact with an exposed electrical terminal. Failure to follow these precautions may result in personal injury and/or damage to the vehicle or its components.

  1. Disconnect the negative battery cable.
  2. Remove the air cleaner resonator from the throttle body . Refer to Air Cleaner Outlet Resonator Replacement .
  3. Remove the electrical connector from the idle air control (IAC) valve.
  4. Remove the electrical connector from the throttle position (TP) sensor.
  5. Remove the vacuum hoses at the throttle body.
  6. Remove the accelerator cable and the cruise control cable from the throttle body and bracket, if the vehicle is so equipped. Refer to Accelerator Control Cable Replacement .
  7. Remove the accelerator cable bracket. Refer to Accelerator Control Cable Bracket Replacement .

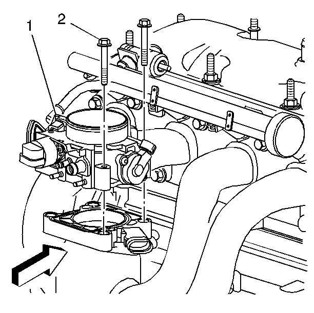
  8. Object Number: 153343  Size: SH
  9. Remove the throttle body attaching bolts (2).
  10. Remove the throttle body (1) from the intake manifold.

Installation Procedure

  1. Inspect the throttle body gasket and replace if necessary.

  2. Object Number: 153343  Size: SH
  3. Install the throttle body (1).
  4. Install the accelerator cable bracket . Refer to Accelerator Control Cable Bracket Replacement .
  5. Notice: Use the correct fastener in the correct location. Replacement fasteners must be the correct part number for that application. Fasteners requiring replacement or fasteners requiring the use of thread locking compound or sealant are identified in the service procedure. Do not use paints, lubricants, or corrosion inhibitors on fasteners or fastener joint surfaces unless specified. These coatings affect fastener torque and joint clamping force and may damage the fastener. Use the correct tightening sequence and specifications when installing fasteners in order to avoid damage to parts and systems.

  6. Install the throttle body attaching bolts (2).
  7. Tighten
    Tighten the throttle body attaching bolts to 10 N·m (89 lb in).

  8. Install the accelerator cable and the cruise control cable, if the vehicle is so equipped, to the throttle body. Refer to Accelerator Control Cable Replacement .
  9. Install the vacuum hoses to the throttle body.
  10. Install the electrical connector to the TP sensor.
  11. Install the electrical connector to the IAC valve.
  12. Install the air cleaner resonator to the throttle body. Refer to Air Cleaner Outlet Resonator Replacement .
  13. Important: With the engine OFF, check to see that the accelerator pedal is free, by depressing the pedal to the floor and releasing the pedal.

  14. Connect the negative battery cable.
  15. Reset the IAC valve pintle position as follows:
  16. 11.1. Turn ON the ignition.
    11.2. Turn OFF the ignition for ten seconds.
    11.3. Start the engine and check for proper idle operation.