GM Service Manual Online
For 1990-2009 cars only

Disassembled Views J Car

Figure 1:

Intake And Exhaust Manifold Components


Object Number: 371473  Size: LF
(1)Throttle Cable Bracket
(2)Fuel Line
(3)Bolt, Intake Manifold
(4)Bolt, EGR Port Cover
(5)EGR Port Cover
(6)Gasket, EGR
(7)Engine Block
(8)Stud, Exhaust Manifold
(9)Gasket, Exhaust Manifold
(10)Nut, Exhaust Manifold
(11)Oxygen Sensor
(12)Exhaust Manifold
(13)Stud, Intake Manifold
(14)Intake Manifold
(15)Bolt, Intake Manifold
(16)Nut, Intake Manifold
(17)MAP Sensor
(18)Fuel Rail and Fuel Injectors
(19)Bolt, Fuel Rail
(20)Vacuum Harness
(21)Throttle Body
(22)Bolts, Throttle Body
Figure 2:

Cylinder Head and Components


Object Number: 188520  Size: LF
(1)Nut, Secondary Ignition Harness Bracket
(2)Secondary Ignition Harness Bracket
(3)Bolt, Valve Rocker Arm Cover
(4)Secondary Ignition Harness
(5)Spark Plug
(6)Oil Passage Plug
(7)Nut, Engine Lift Hook
(8)Engine Lift Hook
(9)Bolt, Cylinder Head
(10)Ignition Module And Coil Assembly
(11)Bolt, Ignition Coil Bracket
(12)Bolt, Rear Cylinder Head Cover
(13)Rear Cylinder Head Cover
(14)Gasket, Rear Cylinder Head Cover
(15)Cylinder Head
(16)Cylinder Block
(17)Gasket, Cylinder Head
(18)Valve
(19)Valve Seat
(20)Bolt, Cylinder Head
(21)Valve Guide
(22)Valve Guide Seal
(23)Valve Spring
(24)Valve Spring Retainer
(25)Valve Spring Keepers
(26)Valve Rocker Arm Assembly
(27)Valve Rocker Arm Cover
(28)Stud, Fuel Rail Bracket
(29)Bracket, Secondary Ignition Harness
(30)Bolts, Secondary Ignition and Fuel Injector Harness Brackets
(31)Bracket, Fuel Injector Harness
Figure 3:

Timing And Accessory Components


Object Number: 188524  Size: LF
(1)Gasket, Engine Front Cover
(2)Stud, Engine Oil Pan
(3)Nut, Water Outlet Pipe
(4)Engine Accessory Bracket
(5)Bolt, Water Inlet
(6)Water Inlet
(7)Gasket, Thermostat
(8)Thermostat
(9)Thermostat Housing
(10)Bolt, Thermostat Housing
(11)Gasket, Water Inlet
(12)Camshaft Sprocket
(13)Crankshaft Sprocket
(14)Camshaft Timing Chain
(15)Bolt, Camshaft Sprocket
(16)Timing Chain Tensioner
(17)Bolt, Timing Chain Tensioner
(18)Bolt, Water Pump
(19)Bolt, Water Pump Pulley
(20)Water Pump Pulley
(21)Water Pump
(22)Gasket, Water Pump
(23)Bolt, Timing Chain Tensioner
(24)Accessory Drive Belt Idler Pulley
(25)Bolt, Engine Accessory Bracket
(26)Engine Accessory Bracket
(27)Water Outlet Pipe
(28)Bolt, Water Outlet Pipe
(29)Coolant Temperature Sensor
(30)Washer, Crankshaft Pulley Hub
(31)Bolt, Crankshaft Pulley Hub
(32)Bolt, Crankshaft Pulley
(33)Crankshaft Pulley
(34)Crankshaft Pulley Hub
(35)Bolt, Accessory Drive Belt Tensioner
(36)Accessory Drive Belt Tensioner
(37)Front Crankshaft Seal
(38)Bolt, Engine Front Cover
(39)Engine Front Cover
Figure 4:

Cylinder Block And Crankshaft Components


Object Number: 188340  Size: LF
(1)Piston Rings
(2)Piston
(3)Bolt, Connecting Rod
(4)Cylinder Head Alignment Dowel
(5)Transmission Alignment Dowel
(6)Oil Passage Plug
(7)Camshaft Bearings
(8)Gasket, Rear Camshaft Cover
(9)Bolt, Camshaft Rear Cover
(10)Camshaft Rear Cover
(11)Engine Block Core Plug
(12)Oil Passage Plug
(13)Cooling Jacket Drain Plug
(14)Connecting Rod Bearing Lower Half
(15)Connecting Rod Cap
(16)Nut, Connecting Rod Cap
(17)Bolt, Flywheel
(18)Bolt, Clutch Cover
(19)Clutch Cover (Manual Transmission)
(20)Clutch Disc (Manual Transmission)
(21)Flywheel Spacer
(22)Clutch Pilot Bushing (Manual Transmission)
(23)Flywheel
(24)Crankshaft Bearing Cap Alignment Dowel
(25)Crankshaft Rear Bearing Cap
(26)Bolt, Crankshaft Bearing Cap
(27)Oil Pump Alignment Dowel
(28)Crankshaft Bearing Cap #4
(29)Crankshaft Bearing Caps, 1, 2, and 3
(30)Crankshaft Key
(31)Crankshaft
(32)Crankshaft Bearing
(33)Crankshaft Bearing
(34)Crankshaft Thrust Bearing
(35)Crankshaft Rear Seal
(36)Bolt, Camshaft Thrust Plate
(37)Camshaft Thrust Plate
(38)Camshaft
(39)Engine Front Cover Alignment Dowel
(40)Oil Passage Plug
(41)Oil Filter Bypass Valve
(42)Oil Pressure Switch
(43)Camshaft Position Sensor
(44)Bolt, Camshaft Position Sensor
(45)Oil Passage Plugs
(46)Bolt, Crankshaft Position Sensor
(47)Crankshaft Position Sensor
(48)Valve Lifter Guide
(49)Bolt, Valve Lifter Guide
(50)Pushrod
(51)Piston Pin
(52)Connecting Rod
(53)Valve Lifter
(54)Connecting Rod Bearing Upper Half
(55)Knock Sensor
Figure 5:

Oil Pump And Oil Pan Components


Object Number: 188530  Size: LF
(1)Bolt, Oil Pump Drive
(2)Oil Pump Drive
(3)Engine Assembly
(4)Oil Level Indicator Tube
(5)Oil Level Indicator
(6)Bolt, Oil Level Indicator Tube
(7)Oil Level Indicator Tube Seal
(8)Oil Pump Drive Shaft
(9)Retainer, Oil Pump Drive Shaft
(10)Oil Pump
(11)Rear Oil Pan Seal
(12)Oil Pan
(13)Stud, Oil Pan
(14)Nut, Oil Pan
(15)Oil Filter Adapter
(16)Oil Filter

Disassembled Views S/T Truck

Figure 1:

Intake and Exhaust Manifold Components


Object Number: 601924  Size: LF
(1)Throttle Body
(2)Throttle Cable Bracket
(3)Throttle Body Bolt
(4)Throttle Body Bolt
(5)Rear EGR Port Cover
(6)Rear EGR Port Cover Bolt
(7)Rear EGR Port Cover Gasket
(8)Cylinder Head
(9)Exhaust Manifold Stud
(10)Exhaust Manifold Gasket
(11)Exhaust Manifold Nut
(12)Air Injection Pipe (if equipped)
(13)Oxygen Sensor
(14)Exhaust Manifold
(15)Intake Manifold Stud
(16)EGR Port Gasket
(17)EGR Port Cover
(18)EGR Port Cover Bolt
(19)Intake Manifold Bolt
(20)Intake Manifold Nut
(21)Fuel Rail Retainer Bolt
(22)Fuel Rail Retainer
(23)Fuel Injector
(24)Fuel Rail Bolt
(25)Fuel Injector Harness
(26)MAP Sensor Bolt
(27)MAP Sensor Retainer
(28)MAP Sensor
(29)Intake Manifold
Figure 2:

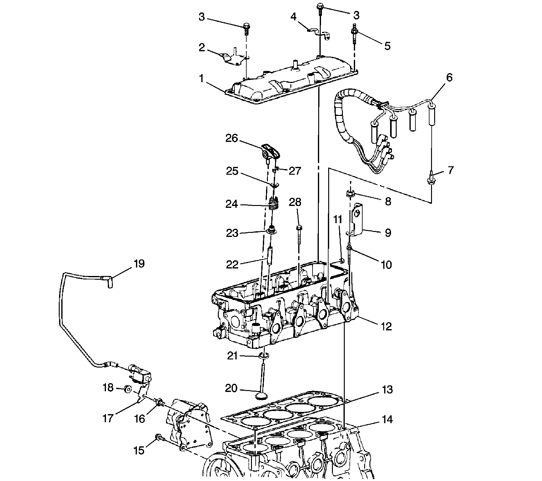
Cylinder Head And Components


Object Number: 188354  Size: LF
(1)Valve Rocker Arm Cover
(2)Ignition Harness Bracket
(3)Valve Rocker Arm Cover Bolt
(3)Valve Rocker Arm Cover Bolt
(4)Fuel Injector Harness Bracket
(5)Valve Rocker Arm Cover Bolt
(6)Secondary Ignition Harness
(7)Spark Plug
(8)Engine Lift Hook Nut
(9)Engine Lift Hook
(10)Cylinder Head Stud-Ended Bolt
(11)Cup Plug
(12)Cylinder Head
(13)Cylinder Head Gasket
(14)Engine Block
(15)Ignition Coil Bracket Bolt
(16)EVAP Purge Solenoid Bracket Stud
(17)EVAP Purge Solenoid
(18)EVAP Purge Solenoid Nut
(19)EVAP Purge Solenoid Vacuum Harness
(20)Valve
(21)Valve Seat
(22)Valve Guide
(23)Valve Stem Seal
(24)Valve Spring
(25)Valve Spring Retainer
(26)Valve Rocker Arm Assembly
(27)Valve Spring Keepers
(28)Cylinder Head Bolt
Figure 3:

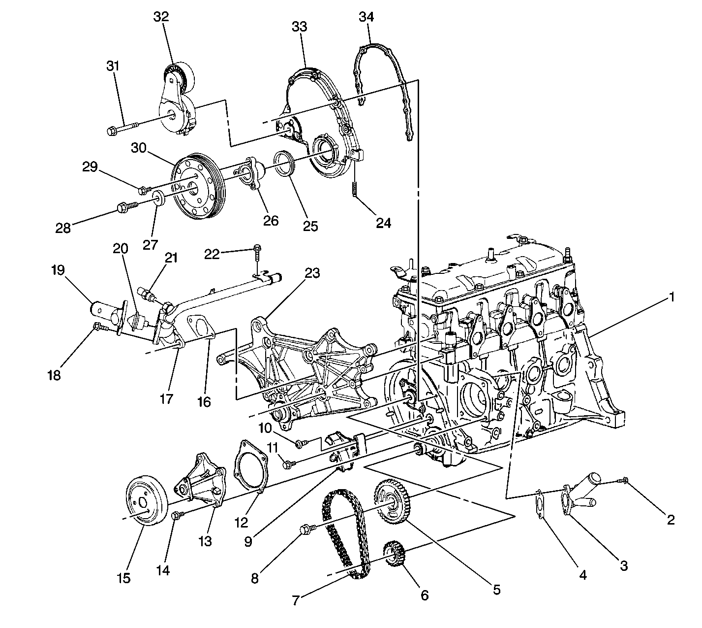
Timing And Accessory Components


Object Number: 188445  Size: LF
(1)Engine Block
(2)Bolt, Water Inlet
(3)Water Inlet
(4)Gasket, Water Inlet
(5)Camshaft Timing Sprocket
(6)Crankshaft Timing Sprocket
(7)Camshaft Timing Chain
(8)Bolt, Camshaft Timing Sprocket
(9)Timing Chain Tensioner
(10)Bolt, Timing Chain Tensioner
(11)Bolt, Timing Chain Tensioner
(12)Gasket, Water Pump
(13)Water Pump
(14)Bolt, Water Pump
(15)Water Pump Pulley
(16)Gasket, Water Outlet Pipe
(17)Water Outlet Pipe
(18)Bolt, Thermostat Housing
(19)Thermostat Housing
(20)Thermostat
(21)Water Temperature Sensor
(22)Bolt, Heater Pipe Bracket
(23)Engine Accessory Bracket
(24)Stud, Oil Pan
(25)Crankshaft Front Seal
(26)Crankshaft Pulley Hub
(27)Washer, Crankshaft Pulley
(28)Bolt, Crankshaft Pulley Hub
(29)Bolt, Crankshaft Pulley
(30)Crankshaft Pulley
(31)Bolt, Accessory Drive Belt Tensioner
(32)Accessory Drive Belt Tensioner
(33)Engine Front Cover
(34)Gasket, Engine Front Cover
Figure 4:

Cylinder Block And Crankshaft Components


Object Number: 188340  Size: LF
(1)Piston Rings
(2)Piston
(3)Bolt, Connecting Rod
(4)Cylinder Head Alignment Dowel
(5)Transmission Alignment Dowel
(6)Oil Passage Plug
(7)Camshaft Bearings
(8)Gasket, Rear Camshaft Cover
(9)Bolt, Camshaft Rear Cover
(10)Camshaft Rear Cover
(11)Engine Block Core Plug
(12)Oil Passage Plug
(13)Cooling Jacket Drain Plug
(14)Connecting Rod Bearing Lower Half
(15)Connecting Rod Cap
(16)Nut, Connecting Rod Cap
(17)Bolt, Flywheel
(18)Bolt, Clutch Cover
(19)Clutch Cover (Manual Transmission)
(20)Clutch Disc (Manual Transmission)
(21)Flywheel Spacer
(22)Clutch Pilot Bushing (Manual Transmission)
(23)Flywheel
(24)Crankshaft Bearing Cap Alignment Dowel
(25)Crankshaft Rear Bearing Cap
(26)Bolt, Crankshaft Bearing Cap
(27)Oil Pump Alignment Dowel
(28)Crankshaft Bearing Cap #4
(29)Crankshaft Bearing Caps, 1, 2, and 3
(30)Crankshaft Key
(31)Crankshaft
(32)Crankshaft Bearing
(33)Crankshaft Bearing
(34)Crankshaft Thrust Bearing
(35)Crankshaft Rear Seal
(36)Bolt, Camshaft Thrust Plate
(37)Camshaft Thrust Plate
(38)Camshaft
(39)Engine Front Cover Alignment Dowel
(40)Oil Passage Plug
(41)Oil Filter Bypass Valve
(42)Oil Pressure Switch
(43)Camshaft Position Sensor
(44)Bolt, Camshaft Position Sensor
(45)Oil Passage Plugs
(46)Bolt, Crankshaft Position Sensor
(47)Crankshaft Position Sensor
(48)Valve Lifter Guide
(49)Bolt, Valve Lifter Guide
(50)Pushrod
(51)Piston Pin
(52)Connecting Rod
(53)Valve Lifter
(54)Connecting Rod Bearing Upper Half
(55)Knock Sensor
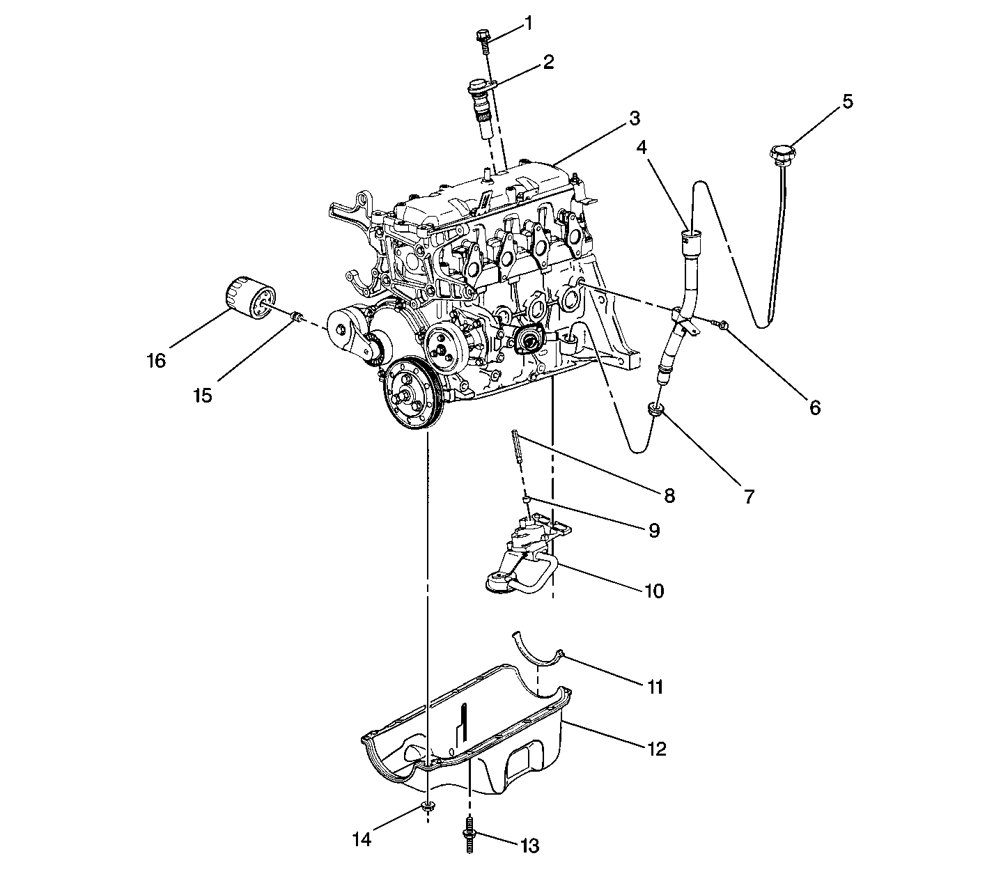
Figure 5:

Oil Pump and Oil Pan Components


Object Number: 188448  Size: LF
(1)Engine Oil Level Indicator
(2)Nut, Engine Oil Level Indicator Tube
(3)Engine Block
(4)Oil Level Indicator Tube
(5)Oil Level Indicator Tube Seal
(6)Oil Pump
(7)Bolt, Oil Pump
(8)Oil Pan Rear Seal
(9)Oil Pan
(10)Stud, Oil Pan
(11)Nut, Oil Pan
(12)Bolt, Oil Pan
(13)Retainer, Oil Pump Drive
(14)Oil Pump Drive Shaft
(15)Oil Filter Adapter
(16)Oil Filter
(17)Oil Pump Drive
(18)Bolt, Oil Pump Drive