GM Service Manual Online
For 1990-2009 cars only

Removal Procedure

Caution: For safety reasons, the brake pressure modulator valve assembly must not be repaired, the complete unit must be replaced. With the exception of the EBCM, no screws on the brake pressure modulator valve assembly may be loosened. If screws are loosened, it will not be possible to get the brake circuits leak-tight and personal injury may result.


    Object Number: 393786  Size: SH
  1. Turn the ignition switch to the OFF position.
  2. Disengage the Connector Position Assurance (CPA) (2) from the connector.
  3. Push the lock tab (1) down and then move the sliding connector cover to the open position.

  4. Object Number: 527273  Size: SH
  5. Disconnect the Electronic Brake Control Module (EBCM) harness connector (4).

  6. Object Number: 527275  Size: SH

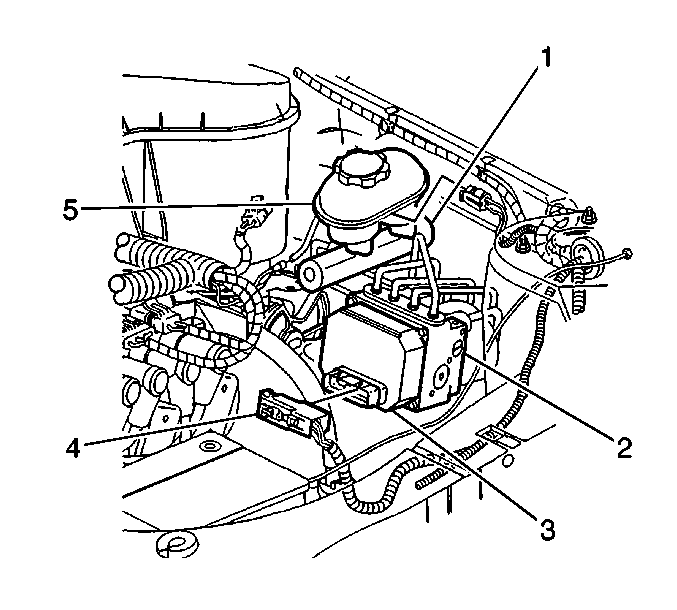
    Important: Note the locations of the brake pipes in order to aid in installation.

  7. Disconnect the caliper and the wheel cylinder brake pipes (1) from the Brake Pressure Modulator Valve (BPMV) (3).
  8. Swing the caliper and the wheel cylinder brake pipes out of the way only after covering the open pipes to avoid dripping or being contaminated.
  9. Disconnect the master cylinder brake pipes (2) from the Brake Pressure Modulator Valve (BPMV) (3).
  10. Swing the master cylinder brake pipes out of the way only after covering the open pipes to avoid dripping or being contaminated.

  11. Object Number: 527278  Size: SH
  12. Remove the upper BPMV bracket mounting nut (3) that connects the upper BPMV mounting bracket to the lower mounting bracket (2).
  13. Notice: Brake fluid will damage electrical connections and painted surfaces. Use shop cloths, suitable containers, and fender covers to prevent brake fluid from contacting these areas. Always re-seal and wipe off brake fluid containers to prevent spills.

  14. Remove the EBCM/BPMV assembly (4) from the vehicle.

  15. Object Number: 527343  Size: SH
  16. Remove the EBCM (1) from the BPMV (2). Refer to Electronic Brake Control Module Replacement .

Installation Procedure


    Object Number: 527343  Size: SH

    Notice: Use the correct fastener in the correct location. Replacement fasteners must be the correct part number for that application. Fasteners requiring replacement or fasteners requiring the use of thread locking compound or sealant are identified in the service procedure. Do not use paints, lubricants, or corrosion inhibitors on fasteners or fastener joint surfaces unless specified. These coatings affect fastener torque and joint clamping force and may damage the fastener. Use the correct tightening sequence and specifications when installing fasteners in order to avoid damage to parts and systems.

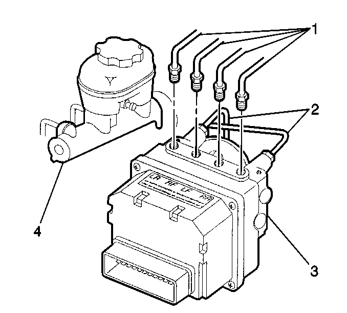
  1. Install the EBCM (1) to the BPMV (2).
  2. Tighten
    Tighten the four screws that connect the EBCM (1) to the BPMV (2) to 5 N·m (44 lb in).

  3. Transfer the upper BPMV mounting bracket to the new BPMV.

  4. Object Number: 527278  Size: SH
  5. Install the EBCM/BPMV assembly (4) to the lower mounting bracket (2).
  6. Install the nut (3) that connects the EBCM/BPMV assembly to the mounting bracket (2).
  7. Tighten
    Tighten the nut (3) to 10 N·m (7 lb ft).


    Object Number: 527275  Size: SH
  8. Install the master cylinder brake pipes (2) to the BPMV (3).
  9. Tighten
    Tighten the master cylinder brake pipe fittings to 24 N·m (18 lb ft).

  10. Install the caliper and the wheel cylinder brake pipes (1) to the BPMV (3).
  11. Tighten
    Tighten the caliper and the wheel cylinder brake pipe fittings to 24 N·m (18 lb ft).


    Object Number: 527273  Size: SH
  12. Connect the EBCM harness connector (4).

  13. Object Number: 393786  Size: SH
  14. Push down the lock tab (1) and then move the sliding connector cover back in the home position to lock.
  15. Insert the CPA (2) back into place.
  16. Perform the Antilock Brake System Automated Bleed Procedure .
  17. Perform the Diagnostic System Check - ABS .