GM Service Manual Online
For 1990-2009 cars only

Power Steering Pump Replacement 2.2L

Removal Procedure

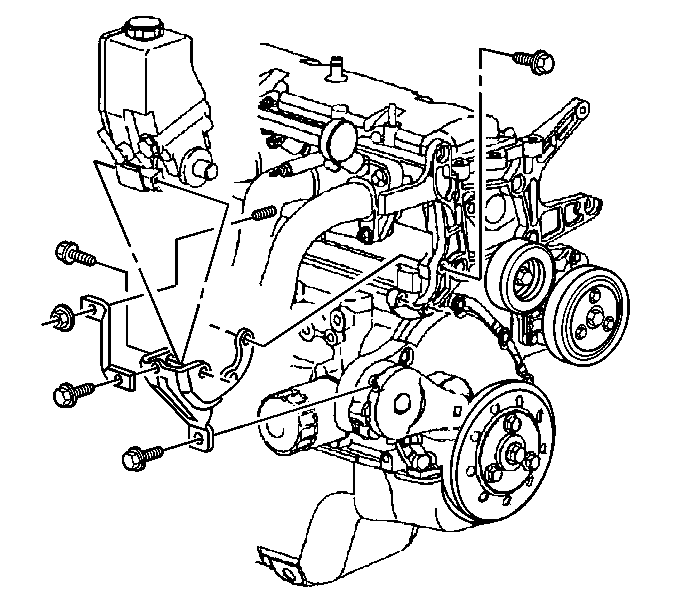
  1. Remove the drive belt from the power steering pump. Refer to Drive Belt Replacement in Engine Mechanical-2.2L.
  2. Remove the power steering hoses from the power steering pump. Refer to the following procedures:
  3. •  Power Steering Pressure Pipe/Hose Replacement
    •  Power Steering Return Hose Replacement

    Object Number: 488581  Size: SH
  4. Remove the power steering pump mounting bolts from the power steering pump.
  5. Remove the power steering pump from the engine.

Installation Procedure


    Object Number: 488581  Size: SH
  1. Install the power steering pump to the engine.
  2. Notice: Use the correct fastener in the correct location. Replacement fasteners must be the correct part number for that application. Fasteners requiring replacement or fasteners requiring the use of thread locking compound or sealant are identified in the service procedure. Do not use paints, lubricants, or corrosion inhibitors on fasteners or fastener joint surfaces unless specified. These coatings affect fastener torque and joint clamping force and may damage the fastener. Use the correct tightening sequence and specifications when installing fasteners in order to avoid damage to parts and systems.

  3. Install the power steering pump mounting bolts.
  4. Tighten
    Tighten the mounting bolts to 30 N·m (22 lb ft).

  5. Install the power steering hoses to the power steering pump. Refer to the following procedures:
  6. •  Power Steering Pressure Pipe/Hose Replacement
    •  Power Steering Return Hose Replacement
  7. Install the drive belt to the power steering pump. Refer to Drive Belt Replacement in Engine Mechanical-2.2L.
  8. Fill the power steering pump with power steering fluid. Refer to Checking and Adding Power Steering Fluid .
  9. Bleed the power steering system. Refer to Power Steering System Bleeding .

Power Steering Pump Replacement 2.4L

Removal Procedure

  1. Remove the upper air cleaner and duct. Refer to Air Cleaner Assembly Replacement in Engine Controls-2.4L.
  2. Remove the power steering hoses from the power steering pump. Refer to the following procedures:
  3. •  Power Steering Pressure Pipe/Hose Replacement
    •  Power Steering Return Hose Replacement

    Object Number: 296656  Size: SH
  4. Remove the power steering pump mounting bolts (2).
  5. Remove the power steering pump (1) from the engine.

Installation Procedure


    Object Number: 296656  Size: SH
  1. Install the power steering pump (1) to the engine.
  2. Notice: Use the correct fastener in the correct location. Replacement fasteners must be the correct part number for that application. Fasteners requiring replacement or fasteners requiring the use of thread locking compound or sealant are identified in the service procedure. Do not use paints, lubricants, or corrosion inhibitors on fasteners or fastener joint surfaces unless specified. These coatings affect fastener torque and joint clamping force and may damage the fastener. Use the correct tightening sequence and specifications when installing fasteners in order to avoid damage to parts and systems.

  3. Install the power steering pump mounting bolts (2).
  4. Tighten
    Tighten the power steering pump bolts (2) to 26 N·m (19 lb ft).

  5. Install the power steering hoses to the power steering pump (1). Refer to the following procedures:
  6. •  Power Steering Pressure Pipe/Hose Replacement
    •  Power Steering Return Hose Replacement
  7. Install the upper air cleaner and duct. Refer to Air Cleaner Assembly Replacement in Engine Controls-2.4L.
  8. Fill the power steering pump with power steering fluid. Refer to Checking and Adding Power Steering Fluid .
  9. Bleed the air from the power steering system. Refer to Power Steering System Bleeding .