GM Service Manual Online
For 1990-2009 cars only

Air Conditioning Compressor Hose Replacement 2.2L(LN2)

Tools Required

J 39400-A Halogen Leak Detector

Removal Procedure

  1. Recover the refrigerant. Refer to Refrigerant Recovery and Recharging .
  2. Raise and support the vehicle. Refer to Lifting and Jacking the Vehicle in General Information.
  3. Remove the bolt holding the compressor hose assembly to the compressor.
  4. Remove the compressor hose assembly from the compressor.
  5. Remove and discard the sealing washers.
  6. Lower the vehicle.
  7. Remove the hood close out filler panel. Refer to Hood Close Out Filler Replacement in Body Front End.
  8. Reposition the cruise control module out of the way, if equipped. Refer to Cruise Control Module Replacement in Cruise Control.

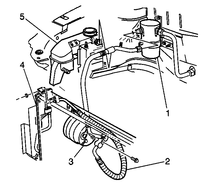
  9. Object Number: 302598  Size: SH
  10. Disconnect the refrigerant pressure sensor electrical connector.
  11. Remove the nut holding the compressor hose assembly fitting to the condenser.
  12. Remove the compressor hose assembly (2) from the condenser.
  13. Remove and discard the O-ring seal.
  14. Remove the fitting nut for the compressor hose assembly to accumulator (1).
  15. Remove the compressor hose assembly from the accumulator (1).
  16. Remove and discard the O-ring seals.
  17. Remove the compressor hose assembly from the vehicle.

Installation Procedure


    Object Number: 302598  Size: SH
  1. Install a NEW O-ring seal to the accumulater end of the compressor hose assembly. Refer to O-Ring Replacement .
  2. Notice: Use the correct fastener in the correct location. Replacement fasteners must be the correct part number for that application. Fasteners requiring replacement or fasteners requiring the use of thread locking compound or sealant are identified in the service procedure. Do not use paints, lubricants, or corrosion inhibitors on fasteners or fastener joint surfaces unless specified. These coatings affect fastener torque and joint clamping force and may damage the fastener. Use the correct tightening sequence and specifications when installing fasteners in order to avoid damage to parts and systems.

  3. Install the compressor hose assembly and the fitting nut to the accumulator.
  4. Tighten
    Tighten the fitting nut to 35 N·m (26 lb ft).

  5. Install a NEW O-ring seal to the condenser end of the compressor hose assembly. Refer to O-Ring Replacement .
  6. Install the compressor hose assembly to the condenser.
  7. Install the fitting nut for the compressor hose assembly to the condenser.
  8. Tighten
    Tighten the compressor hose assembly to the condenser fitting nut to 16 N·m (12 lb ft).

  9. Raise and support the vehicle.
  10. Install NEW sealing washers to the compressor ports.
  11. Install the compressor hose assembly to the compressor.
  12. Install the bolt holding the compressor hose assembly to the compressor.
  13. Tighten
    Tighten the compressor hose block fitting bolt to 33 N·m (24 lb ft).

  14. Lower the vehicle.
  15. Connect the refrigerant pressure sensor electrical connector.
  16. Install the cruise control module. Refer to Cruise Control Module Replacement in Cruise Control.
  17. Install the hood close out filler panel. Refer to Hood Close Out Filler Replacement in Body Front End.
  18. Evacuate and recharge the A/C system. Refer to Refrigerant Recovery and Recharging .
  19. Leak test the fittings of the component using the J 39400-A .

Air Conditioning Compressor Hose Replacement LD9

Tools Required

J 39400-A Halogen Leak Detector

Removal Procedure

  1. Recover the refrigerant. Refer to Refrigerant Recovery and Recharging .
  2. Raise and support the vehicle. Refer to Lifting and Jacking the Vehicle in General Information.
  3. Remove the compressor hose assembly to compressor bolt.
  4. Remove the compressor hose assembly from the compressor.
  5. Remove and discard the sealing washers.
  6. Remove the compressor hose assembly from the hose clip on the fan shroud.
  7. Lower the vehicle.
  8. Remove the hood close out filler panel. Refer to Hood Close Out Filler Replacement in Body Front End.
  9. Reposition the cruise control module out of the way, if equipped. Refer to Cruise Control Module Replacement in Cruise Control.

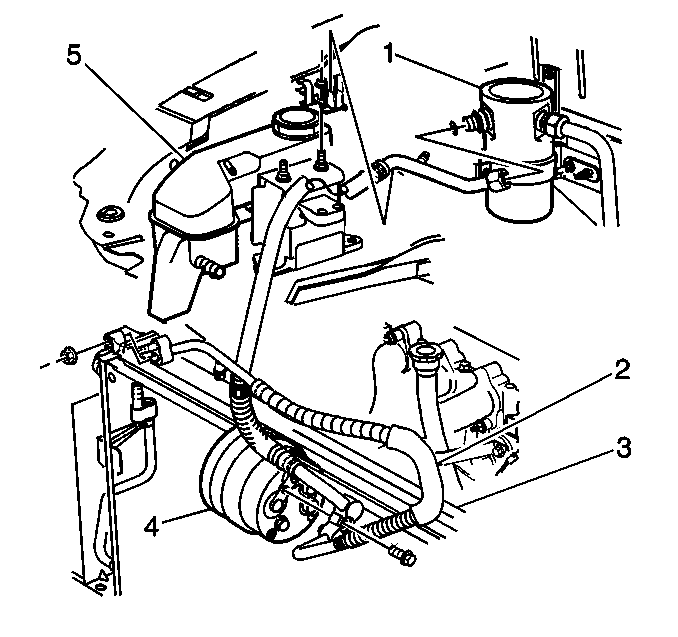
  10. Object Number: 302600  Size: SH
  11. Disconnect the refrigerant pressure sensor electrical connector.
  12. Remove the nut holding the compressor hose assembly to the condenser (4).
  13. Remove the compressor hose assembly (2) from the condenser.
  14. Remove and discard the O-ring seal.
  15. Remove the fitting nut for the compressor hose assembly to accumulator (1).
  16. Remove the compressor hose assembly from the accumulator (1).
  17. Remove and discard the O-ring seals.
  18. Remove the compressor hose assembly from the vehicle.

Installation Procedure


    Object Number: 302600  Size: SH
  1. Install a NEW O-ring seal to the accumulator end of the compressor hose assembly. Refer to O-Ring Replacement .
  2. Notice: Use the correct fastener in the correct location. Replacement fasteners must be the correct part number for that application. Fasteners requiring replacement or fasteners requiring the use of thread locking compound or sealant are identified in the service procedure. Do not use paints, lubricants, or corrosion inhibitors on fasteners or fastener joint surfaces unless specified. These coatings affect fastener torque and joint clamping force and may damage the fastener. Use the correct tightening sequence and specifications when installing fasteners in order to avoid damage to parts and systems.

  3. Install the compressor hose assembly and the fitting nut to the accumulator.
  4. Tighten
    Tighten the nut to 35 N·m (26 lb ft).

  5. Install a NEW O-ring seal to the condenser end of the compressor hose assembly. Refer to O-Ring Replacement .
  6. Install the compressor hose assembly to the condenser.
  7. Install the fitting nut for the compressor hose assembly to the condenser.
  8. Tighten
    Tighten the nut to 16 N·m (12 lb ft).

  9. Raise and support the vehicle.
  10. Install NEW sealing washers on the compressor ports.
  11. Install the compressor hose assembly to the compressor.
  12. Install the bolt holding the compressor hose assembly to the compressor.
  13. Tighten
    Tighten the bolt to 33 N·m (24 lb ft).

  14. Install the compressor hose assembly in the hose clip on the fan shroud.
  15. Lower the vehicle.
  16. Connect the refrigerant pressure sensor electrical connector.
  17. Install the cruise control module. Refer to Cruise Control Module Replacement in Cruise Control.
  18. Install the hood close out filler panel. Refer to Hood Close Out Filler Replacement in Body Front End.
  19. Evacuate and recharge the A/C system. Refer to Refrigerant Recovery and Recharging .
  20. Leak test the fittings of the component using the J 39400-A .