GM Service Manual Online
For 1990-2009 cars only

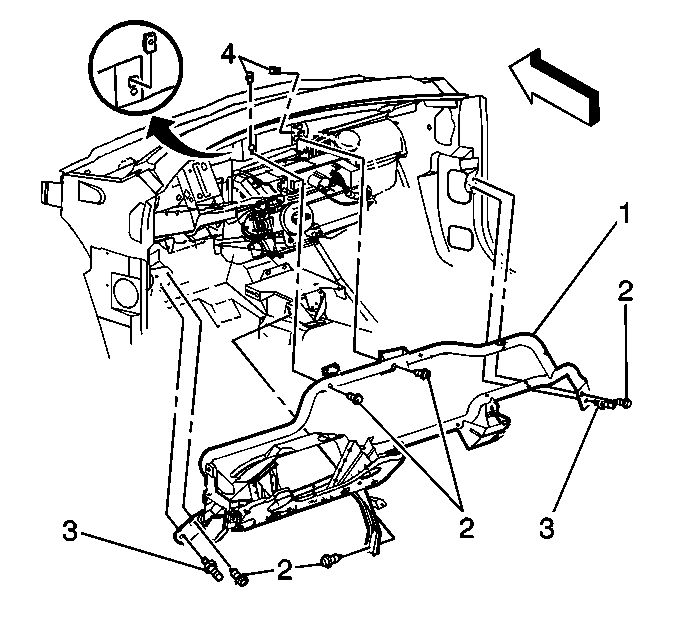
Removal Procedure


    Object Number: 288341  Size: SH
  1. Remove the instrument panel carrier. Refer to Instrument Panel Carrier Replacement .
  2. Disconnect the wiring harness from the cross vehicle beam (1).
  3. Remove the bolts (2) from the cross vehicle beam.
  4. Important: Steering column must be in the straight tilt position, using the tilt lever.

  5. Remove the cross vehicle beam (1) from the front of the vehicle.

Installation Procedure


    Object Number: 288341  Size: SH
  1. Install the cross vehicle beam (1) to the front of the dash.
  2. Notice: Use the correct fastener in the correct location. Replacement fasteners must be the correct part number for that application. Fasteners requiring replacement or fasteners requiring the use of thread locking compound or sealant are identified in the service procedure. Do not use paints, lubricants, or corrosion inhibitors on fasteners or fastener joint surfaces unless specified. These coatings affect fastener torque and joint clamping force and may damage the fastener. Use the correct tightening sequence and specifications when installing fasteners in order to avoid damage to parts and systems.

  3. Install the bolts (2) and the studs (3) to the cross vehicle beam (1).
  4. Tighten
    Tighten the cross vehicle beam bolts and the studs to 10 N·m (89 lb in).

  5. Connect the wiring harness to the cross vehicle beam (1).
  6. Install the instrument panel carrier. Refer to Instrument Panel Carrier Replacement .