GM Service Manual Online
For 1990-2009 cars only
Figure 1:

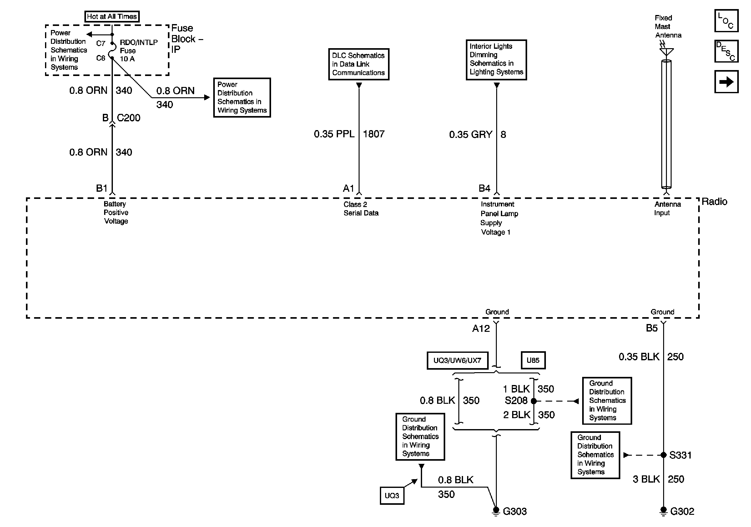
Power, Ground and Antenna


Object Number: 696833  Size: FS
Master Electrical Component List
Speakers (U79)
Dimmer Controls
Data Link Connector
Underhood Fuse Block BATT 1 Fuse and IP Fuse Block MIRROR, RT HDLP, FLS/PASS, RDO/INTLP, RFA BATT, and AMPL Fuses
G302
Figure 2:

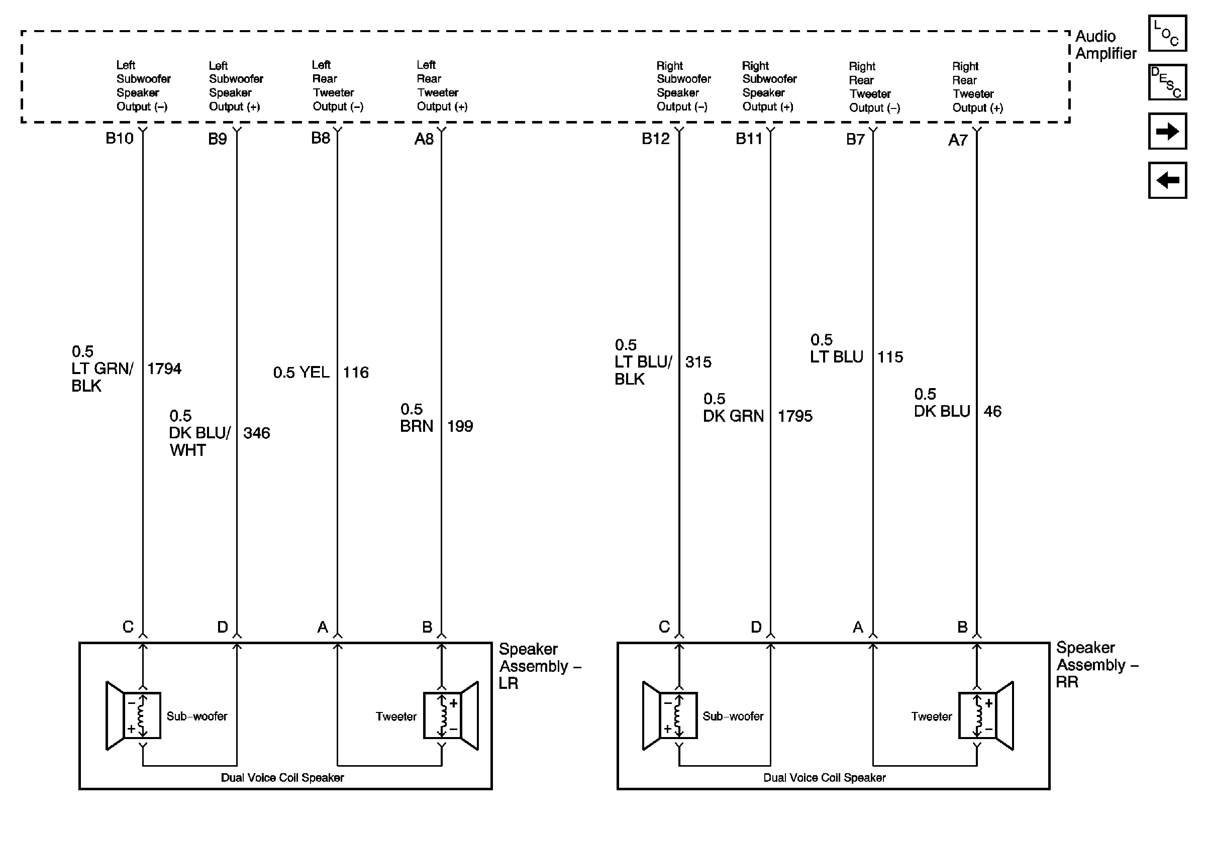
Amplifier Power, Ground, and Outputs (JQ3)


Object Number: 696866  Size: FS
Master Electrical Component List
Rear Speakers (UQ3)
Speakers (U79)
Rear Speakers (UQ3)
Rear Speakers (UQ3)
Rear Speakers (UQ3)
Rear Speakers (UQ3)
G102 2 of 2, G201 and G303
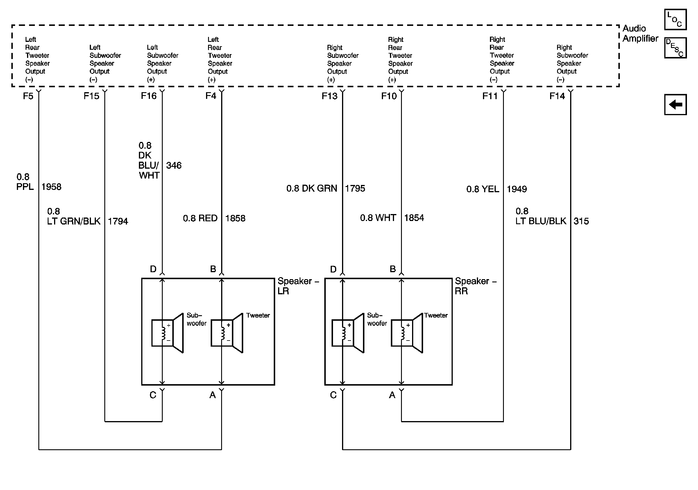
Figure 3:

Amplifier Power, Ground, and Outputs (U85)


Object Number: 696823  Size: FS
Master Electrical Component List
Speakers - Rear (U85)
Speakers - Front (U85)
Power, Ground and Serial Data
G302
Dimmer Controls
Dimmer Controls
Figure 4:

Speakers (U79)


Object Number: 696848  Size: FS
Master Electrical Component List
Amplifier IPower, Ground, and Outputs (JQ3)
Power, Ground and Antenna
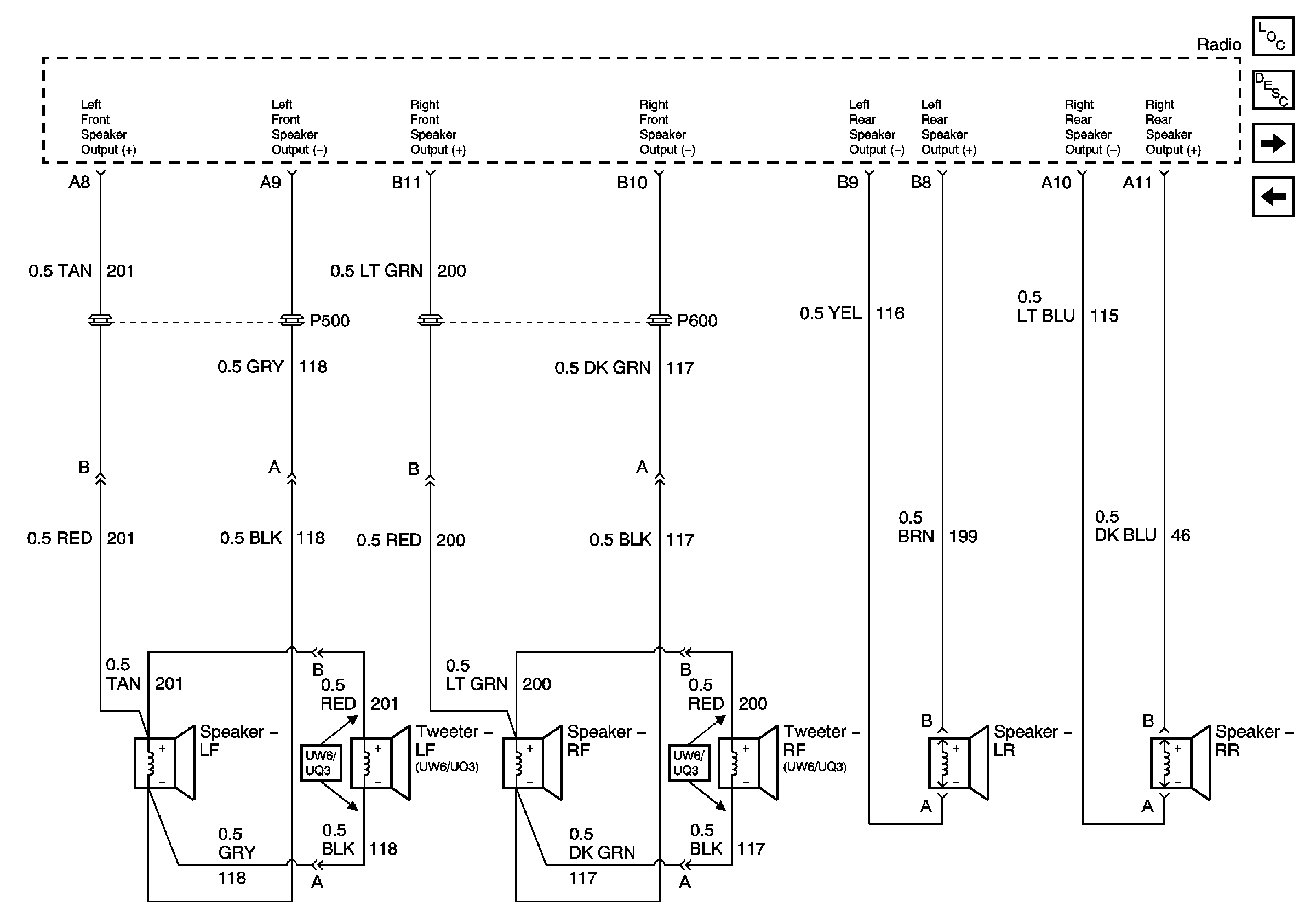
Figure 5:

Speakers-Front (UX7/UW6/UQ3) Speakers-Rear (UX7/UW6)


Object Number: 822322  Size: FS
Figure 6:

Rear Speakers (UQ3)


Object Number: 696867  Size: FS
Master Electrical Component List
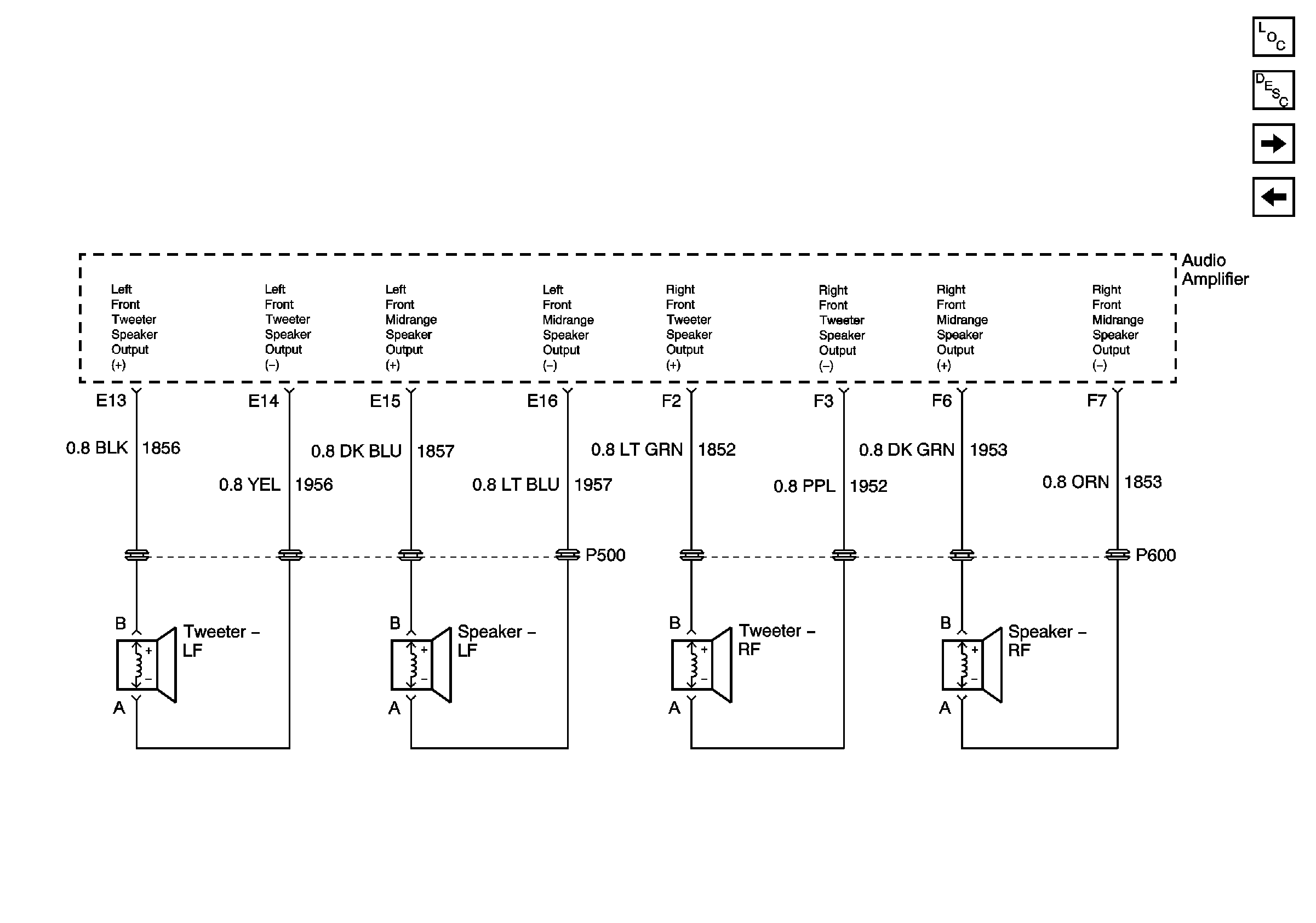
Speakers - Front (U85)
Amplifier IPower, Ground, and Outputs (JQ3)
Amplifier IPower, Ground, and Outputs (JQ3)
Amplifier IPower, Ground, and Outputs (JQ3)
Amplifier IPower, Ground, and Outputs (JQ3)
Amplifier IPower, Ground, and Outputs (JQ3)
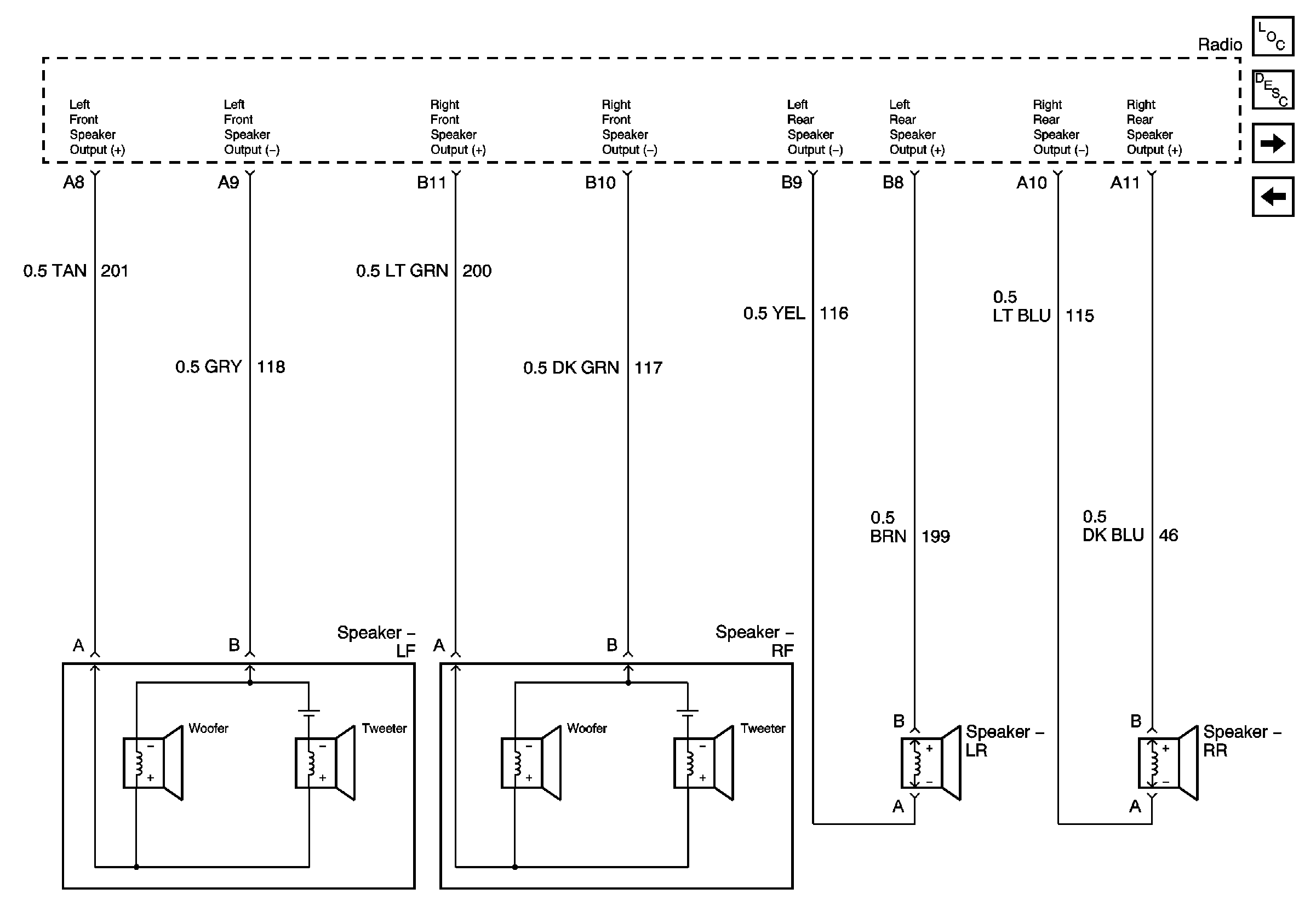
Figure 7:

Speakers -- Front (U85)


Object Number: 696829  Size: FS
Master Electrical Component List
Amplifier Power, Ground, and Outputs (U85)
Rear Speakers (UQ3)
Figure 8:

Speakers -- Rear (U85)


Object Number: 696831  Size: FS
Master Electrical Component List
Amplifier Power, Ground, and Outputs (U85)