GM Service Manual Online
For 1990-2009 cars only

Removal Procedure


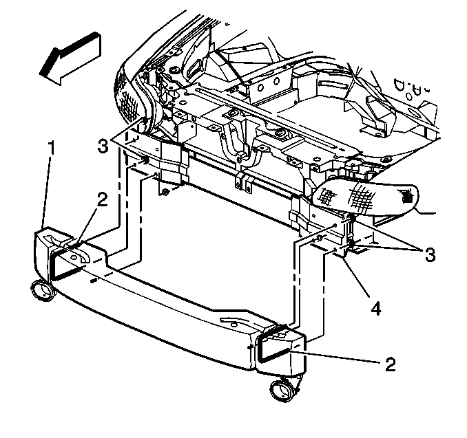
    Object Number: 277194  Size: SH
  1. Remove the front bumper fascia. Refer to Front Bumper Fascia Replacement .
  2. Remove the energy absorber (1). Refer to Front Bumper Fascia Energy Absorber Replacement .
  3. Disconnect the electrical connector to the fog lamps, if equipped.
  4. Remove the fog lamps from the impact bar, if equipped. Refer to Front Fog Lamp Replacement in Lighting Systems.

  5. Object Number: 741039  Size: SH
  6. Remove the electrical harness connectors (2).
  7. Remove the nuts (3) from the impact bar.
  8. Remove the push-in retainers from the air dam to the impact bar and reposition the air deflector.
  9. Remove the impact bar (1) from the vehicle.

Installation Procedure

  1. Install the fog lamps on the impact bar. Refer to Front Fog Lamp Replacement in Lighting Systems.
  2. Install the push-in retainers from the air dam to the impact bar and reposition the air deflector.

  3. Object Number: 277194  Size: SH
  4. Position the impact bar (1) to the vehicle.
  5. Notice: Use the correct fastener in the correct location. Replacement fasteners must be the correct part number for that application. Fasteners requiring replacement or fasteners requiring the use of thread locking compound or sealant are identified in the service procedure. Do not use paints, lubricants, or corrosion inhibitors on fasteners or fastener joint surfaces unless specified. These coatings affect fastener torque and joint clamping force and may damage the fastener. Use the correct tightening sequence and specifications when installing fasteners in order to avoid damage to parts and systems.

  6. Install the front impact bar nuts (3).
  7. Tighten
    Tighten the front impact bar nuts to 27 N·m (20 lb ft).


    Object Number: 741039  Size: SH
  8. Install the electrical harness connectors (2).
  9. Install the energy absorber. Refer to Front Bumper Fascia Energy Absorber Replacement .
  10. Reposition the air deflector to the impact bar.
  11. Install the push-in retainer to the lower air deflector.
  12. Install the front bumper fascia. Refer to Front Bumper Fascia Replacement .