GM Service Manual Online
For 1990-2009 cars only

Front Seat Adjuster Replacement Driver

Removal Procedure


    Object Number: 279099  Size: SH
  1. Remove the driver front bucket seat. Refer to Seat Replacement .
  2. Disconnect the seat belt wire harness.
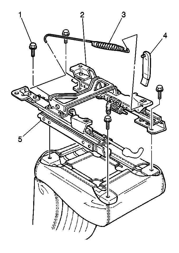
  3. Remove the tie bar bolts (1) from the seat adjuster tie bar (2).
  4. Remove the seat adjuster tie bar (2) from the seat adjuster.
  5. Remove the cross wire (3) from the seat adjuster.

  6. Object Number: 279096  Size: MH
  7. Remove the seat adjuster return spring (3) from the seat adjuster.
  8. Remove the bolts (1) from the right seat adjuster (2) and the left seat adjuster (5).
  9. Remove the seat adjusters (2) and (5) from the front bucket seat.

Installation Procedure

    Important: Verify that the right seat adjuster (2) and the left seat adjuster (5) sliding mechanisms are in the same position, when you install the tie bar.


    Object Number: 279096  Size: MH
  1. Install the right seat adjuster (2) and the left seat adjuster (5) to the front bucket seat.
  2. Notice: Use the correct fastener in the correct location. Replacement fasteners must be the correct part number for that application. Fasteners requiring replacement or fasteners requiring the use of thread locking compound or sealant are identified in the service procedure. Do not use paints, lubricants, or corrosion inhibitors on fasteners or fastener joint surfaces unless specified. These coatings affect fastener torque and joint clamping force and may damage the fastener. Use the correct tightening sequence and specifications when installing fasteners in order to avoid damage to parts and systems.

  3. Install the bolts (1) to the seat adjusters (2) and (5).
  4. Tighten
    Tighten the bolts to 24 N·m (18 lb ft).

  5. Install the seat adjuster return spring (3) to the seat adjuster.

  6. Object Number: 279099  Size: SH
  7. Install the seat adjuster tie bar (2) to the seat adjusters.
  8. Install the tie bar bolts (1) to the seat adjusters tie bar (2).
  9. Tighten
    Tighten the bolts to 10 N·m (89 lb ft).

  10. Connect the seat belt wire harness.
  11. Install the driver front bucket seat. Refer to Seat Replacement .

Front Seat Adjuster Replacement Passenger

Removal Procedure

  1. Remove the right front seat EZ entry adjuster cable from the seat adjuster if equipped. Refer to Passenger Front EZ Entry Seat Replacement .

  2. Object Number: 779127  Size: SH
  3. Remove the front bucket seat. Refer to Seat Replacement .
  4. Remove the adjuster return spring (1) from the seat adjuster (3).

  5. Object Number: 775679  Size: SH
  6. Squeeze the hooked end of the seat adjuster locking wire together.

  7. Object Number: 775665  Size: SH
  8. Slide the retaining spring off the hooked end of the seat adjuster locking wire.
  9. Remove the hooked end of the seat adjuster locking wire from the adjuster lock bar.

  10. Object Number: 279099  Size: SH
  11. Perform the following if equipped:
  12. 7.1. Remove the bolts (1) from the seat adjuster tie bar (2).
    7.2. Remove the seat adjuster tie bar (2) from the seat adjusters.
    7.3. Remove seat adjuster lateral wire (3) from the seat adjuster.

    Object Number: 779127  Size: SH
  13. Remove the seat adjuster bolts (2) from the seat adjuster (3, 5).
  14. Remove the seat adjuster (3, 5) from the seat frame.

Installation Procedure


    Object Number: 779127  Size: SH

    Important: Verify that the sliding mechanisms for the seat left adjuster (3), and the right adjuster  (5), are in the same position when installed.

  1. Install the adjuster (3,  5) to the seat bottom frame.
  2. Notice: Use the correct fastener in the correct location. Replacement fasteners must be the correct part number for that application. Fasteners requiring replacement or fasteners requiring the use of thread locking compound or sealant are identified in the service procedure. Do not use paints, lubricants, or corrosion inhibitors on fasteners or fastener joint surfaces unless specified. These coatings affect fastener torque and joint clamping force and may damage the fastener. Use the correct tightening sequence and specifications when installing fasteners in order to avoid damage to parts and systems.

  3. Install the bolts (2) to the seat adjuster (3, 5).
  4. Tighten
    Tighten the bolts to 24 N·m (18 lb ft).


    Object Number: 279099  Size: SH
  5. Perform the following if equipped:
  6. 3.1. Install seat adjuster lateral wire (3) to the adjusters.
    3.2. Install the seat adjuster tie bar (2) to the adjusters.
    3.3. Install the bolts (1) to the seat adjuster tie bar (2).

    Tighten
    Tighten bolts to 10 N·m (89 lb in).


    Object Number: 775665  Size: SH
  7. Install the hooked end of the seat adjuster locking wire to the adjuster lock bar.

  8. Object Number: 775679  Size: SH
  9. Squeeze the hooked end of the seat adjuster locking wire together.
  10. Slide the retaining spring over the hooked end of the seat adjuster locking wire.

  11. Object Number: 779127  Size: SH
  12. Install the adjuster return spring (1) to the seat adjuster (3).
  13. Install the front bucket seat. Refer to Seat Replacement .
  14. Install the EZ entry adjuster cable to the seat adjuster. Refer to Passenger Front EZ Entry Seat Replacement .